电脑桌面
添加小米粒文库到电脑桌面
安装后可以在桌面快捷访问

复合板焊接工艺全VIP专享VIP免费

复合板焊接工艺全_第1页
1/21
复合板焊接工艺全_第2页
2/21
复合板焊接工艺全_第3页
3/21
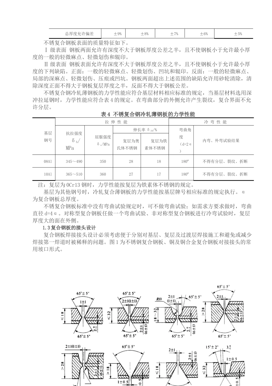
复合钢的焊接石油、化工、航海和军工生产中广泛使用复合钢制造各类耐腐蚀设备。目前应用较多的复合钢是由较薄的不锈钢与较厚的低合金钢通过爆炸焊、轧制或堆焊等工艺方法制成的双金属板材。较厚的珠光体钢部分为基层,基层多半由低碳钢或低合金钢组成,主要满足复合钢在使用中强度和刚度的要求。不锈钢部分为复层,主要满足复合钢的耐蚀性等要求。随着复合钢的应用范围不断扩大,其焊接日益引起人们的关注。1.复合钢的基本性能1.1复合钢的力学性能生产中应用较多的复合钢板是以不锈钢、镍基合金、铜基合金或钛合金板为复层,低碳钢或低合金钢为基层,以爆炸焊、复合轧制、堆焊或钎焊方法制成的双金属板材。还可以采用电渣焊生产大厚度(100~150mm)的轧制复合钢。通常复层只占复合钢板总厚度的5%~50%,一般为10%~20%,最小实用厚度为1.5mm。复合钢可以节约大量的不锈钢或钛等贵重金属,具有很大的经济价值。碳钢与不锈钢(或镍基合金、钛等)用复合轧制或爆炸焊方法形成的复合钢板,要求具有一定的拉伸、弯曲等力学性能。为了保证复合钢板不失去原有的综合性能,对基层和复层必须分别进行焊接,焊接性、焊接材料选择、焊接工艺等由基层、复层材料决定。①拉伸强度复合钢中的不锈钢复层的力学性能比基层碳钢优良,抗接强度高于碳钢。复合钢的拉伸强度(σb、σs)可用下式求出。σbcδcσbdδdσb=────────δcδd式中σbc——碳钢的抗拉强度,MPa;δc——碳钢的厚度,mm;σbd——不锈钢的抗拉强度,MPa;δd——不锈钢的厚度,mm。在实际设计中,美国在ASMF标准中规定:复合钢的整体厚度按基层碳钢的厚度进行设计。日本有关标准通常也按这种规定进行设计。②弯曲性能测定复合钢的弯曲性能时,可把不锈钢复层放在外侧,也可把碳钢基层放在外侧进行弯曲试验。无论采取哪种方法,都必须根据处于外侧材料的弯曲试验规定进行,目的是为了判断外侧材料的性能。如果把不锈钢放在外侧进行弯曲试验,弯曲半径按与复合钢整体厚度相等的不锈钢厚度弯曲试验所规定的半径进行弯曲,弯曲时外侧必须不产生裂纹。在碳钢为外侧的弯曲试验时,应按碳钢整体厚度的规定进行试验。判断复合钢的弯曲性能时,把不锈钢放在内侧,当不锈钢的厚度为4.9~9.5mm时,半径R可按复合钢整体厚度的一半(R=δ/2)进行弯曲。当不锈钢厚度δ>9mm时,弯曲半径R按等于复合钢整体厚度(R=δ)进行弯曲。通常规定三个试样中至少一个试样不能在弯曲处的两端有超过50%的分离现象。碳钢与不锈钢爆炸焊时,由于工艺参数不当,有时在接合面交界处能产生硬化的合金层,当进行弯曲试验时,这种合金层容易形成裂纹。因此,使用爆炸焊复合钢制造承受弯曲载荷的结构时,必须选用没有硬化合金层的爆炸焊复合钢。1.2不锈复合钢的种类与性能不锈复层钢板是由较厚的珠光体钢(基层)和较薄的不锈钢(复层)复合轧制而成的双金属板。基层多为碳钢或低合金钢,复层多为1CR18Ni9Ti、Cr18Ni12Mo2Ti、Cr23Ni28Mo3Cu3Ti等奥氏体不锈钢,主要满足耐蚀性能等要求。不锈钢复层通常是在容器里层,厚度一般只点总厚度的10%~20%。我国生产的不锈钢复合钢板种类和力学性能见表1。目前应用较多的是奥氏体系复合钢板和铁素体系复合钢板。不锈复合钢冷轧薄板和钢带宽度900~1200mm、长度2000mm的允许偏差应符合GB/T708-1988的规定。成卷交货时钢卷头、尾厚度不正常的长度分别不超过6000mm。不锈复合冷轧薄钢板的厚度允许偏差见表2。不锈复合钢板总厚度及其允许偏差见表3。复合钢(基层复层)规格/mmδb/MPaδS/MPaδ5/%τb/MPa总厚度宽度长度Q2351Cr18Ni9Ti(0Cr18Ni9Ti)6,8,10,12,14,15,16,181000≥2000----Q2351Cr18Ni12Mo2Ti(0Cr18Ni12Mo2Ti)≥370≥240≥22≥150Q2351Cr13≥370≥240≥22≥15020g1Cr18Ni9Ti(0Cr18Ni9Ti)----20g0Cr18Ni12Mo2Ti(1Cr18Ni12Mo2Ti)≥410≥250≥25≥15020g0Cr13≥410≥250≥25≥15012CrMo0Cr13≥410≥270≥20≥150Q2351Cr18Ni9≥410-≥20≥150Q2350Cr18Ni12Mo2Ti6,8,10,12,14,15,16,18,20,22,24,25,28,301400~18004000~8000不低于基层钢的力学性能≥150Q2351Cr18Ni12Mo2Ti20g1Cr18Ni9Ti16Mn1Cr18Ni9...

1、当您付费下载文档后,您只拥有了使用权限,并不意味着购买了版权,文档只能用于自身使用,不得用于其他商业用途(如 [转卖]进行直接盈利或[编辑后售卖]进行间接盈利)。
2、本站所有内容均由合作方或网友上传,本站不对文档的完整性、权威性及其观点立场正确性做任何保证或承诺!文档内容仅供研究参考,付费前请自行鉴别。
3、如文档内容存在违规,或者侵犯商业秘密、侵犯著作权等,请点击“违规举报”。

碎片内容

复合板焊接工艺全

确认删除?
VIP
微信客服
  • 扫码咨询
会员Q群
  • 会员专属群点击这里加入QQ群
客服邮箱
回到顶部