电脑桌面
添加小米粒文库到电脑桌面
安装后可以在桌面快捷访问

后钢板弹簧吊耳工艺过程卡(铸件)VIP免费

后钢板弹簧吊耳工艺过程卡(铸件)_第1页
1/12
后钢板弹簧吊耳工艺过程卡(铸件)_第2页
2/12
后钢板弹簧吊耳工艺过程卡(铸件)_第3页
3/12
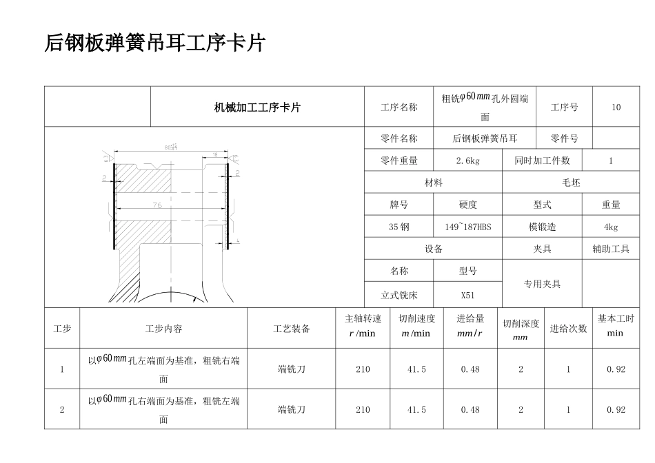
后钢板弹簧吊耳工序卡片机械加工工序卡片工序名称粗铣φ60mm孔外圆端面工序号10零件名称后钢板弹簧吊耳零件号零件重量2.6kg同时加工件数1材料毛坯牌号硬度型式重量35钢149~187HBS模锻造4kg设备夹具辅助工具名称型号专用夹具立式铣床X51工步工步内容工艺装备主轴转速r/min切削速度m/min进给量mm/r切削深度mm进给次数基本工时min1以φ60mm孔左端面为基准,粗铣右端面端铣刀21041.50.48210.922以φ60mm孔右端面为基准,粗铣左端面端铣刀21041.50.48210.92指导老师第页共10页机械加工工序卡片工序名称钻-扩-铰φ370+0.05mm孔工序号20零件名称后钢板弹簧吊耳零件号零件重量2.6kg同时加工件数1材料毛坯牌号硬度型式重量35钢149~187HBS模锻造4kg设备夹具辅助工具名称型号专用夹具立式铣床X51工步工步内容工艺装备主轴转速r/min切削速度m/min进给量mm/r切削深度mm进给次数基本工时min1钻φ350+0.25mm孔麻花钻23325.60.41.250.942扩φ36.750+0.16mm孔扩孔钻49056.60.81.750.213粗铰φ36.930+0.10mm孔铰刀59068.51.50.150.114精铰φ370+0.05mm孔铰刀59068.51.50.150.115倒角1.5×30°锪钻(以φ60mm孔两外圆端面定位)指导老师第页共10页机械加工工序卡片工序名称粗铣φ300+0.045mm孔内侧面工序号30零件名称后钢板弹簧吊耳零件号零件重量2.6kg同时加工件数1材料毛坯牌号硬度型式重量35钢149~187HBS模锻造4kg设备夹具辅助工具名称型号专用夹具立式铣床X51工步工步内容工艺装备主轴转速切削速度进给量切削深度mm进给次数基本工时r/minm/minmm/rmin1粗铣φ300+0.045mm孔左内侧面端铣刀38059.70.48210.512粗铣φ300+0.045mm孔右内侧面端铣刀38059.70.48210.51(以φ60mm孔两外圆端面定位)指导老师第页共10页机械加工工序卡片工序名称粗铣φ300+0.045mm孔外侧面工序号40零件名称后钢板弹簧吊耳零件号零件重量2.6kg同时加工件数1材料毛坯牌号硬度型式重量35钢149~187HBS模锻造4kg设备夹具辅助工具名称型号专用夹具立式铣床X51工步工步内容工艺装备主轴转速r/min切削速度m/min进给量mm/r切削深度mm进给次数基本工时min1粗铣φ300+0.045mm孔左外侧面端铣刀38059.70.48210.512粗铣φ300+0.045mm孔右外侧面端铣刀38059.70.48210.513(以φ300+0.045mm孔内侧面定位)指导老师第页共10页机械加工工序卡片工序名称钻-扩-铰φ300+0.045mm孔工序号50零件名称后钢板弹簧吊耳零件号零件重量2.6kg同时加工件数1材料毛坯牌号硬度型式重量35钢149~187HBS模锻造4kg设备夹具辅助工具名称型号专用夹具立式铣床X51工步工步内容工艺装备主轴转速r/min切削速度m/min进给量mm/r切削深度mm进给次数基本工时min1钻φ280+0.21mm孔麻花钻21018.50.3220.672扩φ29.80+0.13mm孔扩孔钻72567.80.61.80.073粗铰φ29.930+0.084mm孔铰刀72568.31.20.20.054精铰φ300+0.045mm孔铰刀72568.31.20.20.055倒角1×45°锪钻(以φ370+0.05mm孔和其两外圆端面定位)指导老师第页共10页机械加工工序卡片工序名称钻-扩φ10.5mm孔工序号60零件名称后钢板弹簧吊耳零件号零件重量2.6kg同时加工件数1材料毛坯牌号硬度型式重量35钢149~187HBS模锻造4kg设备夹具辅助工具名称型号专用夹具立式铣床X51工步工步内容工艺装备主轴转速r/min切削速度m/min进给量mm/r切削深度mm进给次数基本工时min1钻φ9.80+0.09mm孔麻花钻72520.50.150.8510.542扩φ10.5mm扩孔钻180059.30.451.010.073(以φ300+0.045mm孔内侧面定位)指导老师第页共10页机械加工工序卡片工序名称粗铣4mm开口槽工序号70零件名称后钢板弹簧吊耳零件号零件重量2.6kg同时加工件数1材料毛坯牌号硬度型式重量35钢149~187HBS模锻造4kg设备夹具辅助工具名称型号专用夹具立式铣床X51工步工步内容工艺装备主轴转速r/min切削速度m/min进给量mm/r切削深度mm进给次数基本工时min1粗铣宽度为4mm的考口槽槽铣刀725182.11.6220.0523指导老师第页共10页机械加工工序卡片工序名称去毛刺工序号80零件名称后钢板弹簧吊耳零件号零件重量2.6kg同时加工件数1材料毛坯牌号硬度型式重量35钢149~187HBS模锻造4kg设备夹具辅助工具名称型号专用夹具立式铣床X51工步工步内容工艺装备主轴转速r/min切削速度m/min进给量mm...

1、当您付费下载文档后,您只拥有了使用权限,并不意味着购买了版权,文档只能用于自身使用,不得用于其他商业用途(如 [转卖]进行直接盈利或[编辑后售卖]进行间接盈利)。
2、本站所有内容均由合作方或网友上传,本站不对文档的完整性、权威性及其观点立场正确性做任何保证或承诺!文档内容仅供研究参考,付费前请自行鉴别。
3、如文档内容存在违规,或者侵犯商业秘密、侵犯著作权等,请点击“违规举报”。

碎片内容

后钢板弹簧吊耳工艺过程卡(铸件)

您可能关注的文档

确认删除?
VIP
微信客服
  • 扫码咨询
会员Q群
  • 会员专属群点击这里加入QQ群
客服邮箱
回到顶部