电脑桌面
添加小米粒文库到电脑桌面
安装后可以在桌面快捷访问

机修组长岗位职责说明VIP免费

机修组长岗位职责说明_第1页
1/4
机修组长岗位职责说明_第2页
2/4
机修组长岗位职责说明_第3页
3/4
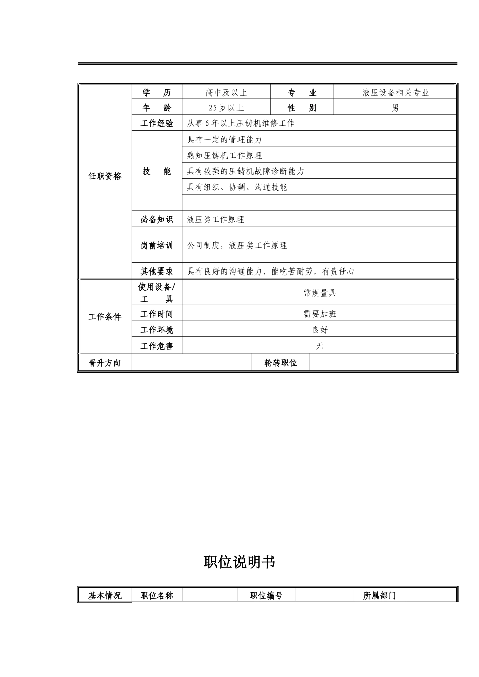
职位说明书基本情况职位名称机修组长职位编号所属部门压铸车间直接上级职位编制职系机修直接下级所辖人数编制人彭晓明审核人职位概要负责压铸车间所有设备正常运行,负责机修组的全面工作工作职责与工作任务:1、负责压铸机及车间相关设备的维护、保养计划,并组织按计划内容实施2、负责对车间机修组员工技能的相关培训3、负责车间设备有关问题对外联络4、负责对车间设备故障诊断,提出解决方案,并组织实施5、负责机修组全面工作6、完成上组领导临时安排的其他工作工作职权对机修组员工的监督、考核权对车间员工正确按设备操作堆积操作的监督、考核权工作协作关系:内部关系汇报不定期向直接上级汇报工作情况督导不定期督查机修组员工工作情况协调与车间其他部门衔接、协调相关工作外部关系与设备厂家进行沟通、协调任职资格学历高中及以上专业液压设备相关专业年龄25岁以上性别男工作经验从事6年以上压铸机维修工作技能具有一定的管理能力熟知压铸机工作原理具有较强的压铸机故障诊断能力具有组织、协调、沟通技能必备知识液压类工作原理岗前培训公司制度,液压类工作原理其他要求具有良好的沟通能力,能吃苦耐劳,有责任心工作条件使用设备/工具常规量具工作时间需要加班工作环境良好工作危害无晋升方向轮转职位职位说明书基本情况职位名称职位编号所属部门直接上级职位编制职系直接下级所辖人数编制人审核人职位概要为稳定、提高产品质量提供模具保证工作职责与工作任务:工作职权工作协作关系:内部关系汇报督导协调外部关系任职资格学历专业年龄性别工作经验技能必备知识岗前培训其他要求工作条件使用设备/工具工作时间工作环境工作危害晋升方向轮转职位

1、当您付费下载文档后,您只拥有了使用权限,并不意味着购买了版权,文档只能用于自身使用,不得用于其他商业用途(如 [转卖]进行直接盈利或[编辑后售卖]进行间接盈利)。
2、本站所有内容均由合作方或网友上传,本站不对文档的完整性、权威性及其观点立场正确性做任何保证或承诺!文档内容仅供研究参考,付费前请自行鉴别。
3、如文档内容存在违规,或者侵犯商业秘密、侵犯著作权等,请点击“违规举报”。

碎片内容

机修组长岗位职责说明

确认删除?
VIP
微信客服
  • 扫码咨询
会员Q群
  • 会员专属群点击这里加入QQ群
客服邮箱
回到顶部