电脑桌面
添加小米粒文库到电脑桌面
安装后可以在桌面快捷访问

安全阀按装要求VIP免费

安全阀按装要求_第1页
1/7
安全阀按装要求_第2页
2/7
安全阀按装要求_第3页
3/7
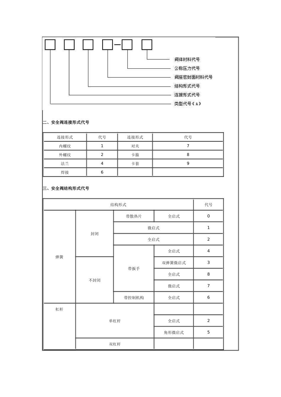
安全阀安装的要求安全阀安装的要求安全阀安装的要求如下:1、安全阀应垂直安装,并应装设在压力容器液面以上气相空间部分,或装设在与压力容器气相空间相连的管道上。2、压力容器与安全阀之间的连接管件的通孔,其截面积不得小于安全阀的进口截面积,其接管应尽量短而直。3、压力容器一个连接口上装设两个或两个以上的安全阀时,则该连接口入口的面积,应至少等于这些安全阀的进口截面积总和。4、安全阀与压力容器之间一般不宜装设截止阀门。为实现安全阀的在线校验,可在安全阀与压力容器之间装设爆破片装置。对于盛装毒性程度为极度、高度、中度危害介质,易燃介质,腐蚀、粘性介质或贵重介质的压力容器,为便于安全阀的清洗与更换,经使用单位主管压力容器安全的技术负责人批准,并制定可靠的防范措施,方可在安全阀(爆破片装置)与压力容器之间装设截止阀门。压力容器正常运行期间截止阀必须保证全开(加铅封或锁定),截止阀的结构和通径应不妨碍安全阀的安全泄放。5、安全阀装设位置,应便于检查和维修。球阀--衬氟球阀--塑料球阀--高压球阀--三通球阀--V型球阀--保温球阀--低温球阀--遥控浮球阀--减压阀--排气阀--柱塞阀产品全称:安全阀规格产品详细:一、安全阀型号编制方法二、安全阀连接形式代号连接形式代号连接形式代号内螺纹1对夹7外螺纹2卡箍8法兰4卡套9焊接6三、安全阀结构形式代号结构形式代号弹簧封闭带散热片全启式0微启式1全启式2带扳手全启式4不封闭双弹簧微启式3全启式8微启式7带控制机构全启式6杠杆单杠杆全启式2角形微启式5双杠杆全启式4先导式9四、阀座密封面材料代号阀座密封面材料代号阀座密封面材料代号铜合金T渗氨钢D橡胶X渗硼钢P尼龙塑料N硬质合金Y合金钢耐酸或不锈钢H阀体本体加工W锡基轴承合金(巴氏合金)B注:当阀座和阀办密封面材料不同时,用低硬度材料代号。五、安全阀公称压力代号公称压力代号用阿拉伯数字表示,其数值是以兆帕(MPa)为单位的公称压力值的10倍。当标注工作温度和工作压力时,工作压力须用P标志并在P字的右下角附加介质最高温度数字,该数字是以10除介质最高温度数值所得的整数。如:工作温度为540℃,工作压力为10MPa的阀门,其代号为P54100。六、安全阀阀体材料代号阀体材料代号阀体材料代号灰铸铁H碳素钢C球墨铸铁Q铬钼合金钢I铬镍钛钢P铬钼钒合金钢V关于安全阀的选型与维护来源:宝丰阀门|日期:2008-08-12|浏览:16安全阀的主要功能是防止锅炉、压力容器等设备或管道因超压而引起安全事故发生。当被保护体内的介质压力达到或略高于正常工作压力的某一规定值(即阀门开启压力)时安全阀自动开启,排放部分流体,降低压力。当压力下降到略低于正常工作压力的某一值(即阀门回座压力)时,安全阀自动关闭,停止排放流体并保持密封。安全阀根据阀瓣的不同加载方式可分为:重锤式和弹簧式两种(见图)。重锤式又分为:直接重锤式和杠杆重锤式。直接重锤式安全阀是最早使用的一种安全阀,仅在简单的低压小型设备(如家用压力锅)上仍有使用;杠杆重锤式安全阀的结构简单,载荷调整可靠,可用于低压固定式锅炉,但因体形大、对振动敏感和使用局限性大等缺点,在工业上已很少使用。在工业上较为广泛使用的是弹簧式安全阀。它根据结构设计的不同,可满足各种不同要求的使用,如用于大排量、高压、高温、有背压、对密封要求特别严格等场合。图为结构很简单的一种普通弹簧式安全阀。安全阀通常按使用流体的相态不同分为两类:一类是用于液体的,进出口尺寸相同,阀瓣的开启高度较小;另一类是用于蒸汽和气体的,出口尺寸大于进口尺寸,阀瓣的开启高度较大,开启很迅速。安全阀还可按阀瓣的开启高度、排放空间的条件等进行分类。安全阀的选用必须严格遵守有关标准和安全监察机构的法规规定,厂家出厂后的安全阀必须根据客户要求设定开启压力,并采取加锁或铅封,未经授权不得擅自对阀门进行调整.安全阀在使用一年后必须重新进行阀门测试.安全阀的选型原则:1.蒸汽锅炉安全阀,一般选用敞开全启式弹簧安全阀;2.液体介质用安全阀,一般选用微启式弹簧安全阀;3.空气或其他气体介质用安全阀,一般选用封闭全启式弹簧安全阀;4.液化石油气汽车...

1、当您付费下载文档后,您只拥有了使用权限,并不意味着购买了版权,文档只能用于自身使用,不得用于其他商业用途(如 [转卖]进行直接盈利或[编辑后售卖]进行间接盈利)。
2、本站所有内容均由合作方或网友上传,本站不对文档的完整性、权威性及其观点立场正确性做任何保证或承诺!文档内容仅供研究参考,付费前请自行鉴别。
3、如文档内容存在违规,或者侵犯商业秘密、侵犯著作权等,请点击“违规举报”。

碎片内容

安全阀按装要求

您可能关注的文档

确认删除?
VIP
微信客服
  • 扫码咨询
会员Q群
  • 会员专属群点击这里加入QQ群
客服邮箱
回到顶部