电脑桌面
添加小米粒文库到电脑桌面
安装后可以在桌面快捷访问

强条执行记录(安全)VIP免费

强条执行记录(安全)_第1页
1/8
强条执行记录(安全)_第2页
2/8
强条执行记录(安全)_第3页
3/8
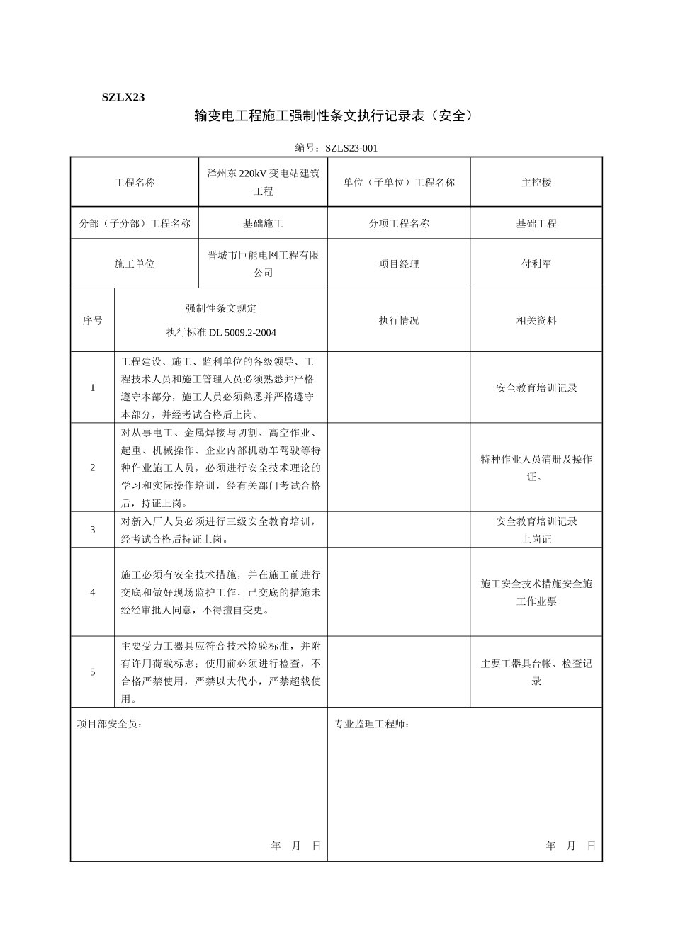
SZLX23输变电工程施工强制性条文执行记录表(安全)编号:SZLS23-001工程名称泽州东220kV变电站建筑工程单位(子单位)工程名称主控楼分部(子分部)工程名称基础施工分项工程名称基础工程施工单位晋城市巨能电网工程有限公司项目经理付利军序号强制性条文规定执行标准DL5009.2-2004执行情况相关资料1工程建设、施工、监利单位的各级领导、工程技术人员和施工管理人员必须熟悉并严格遵守本部分,施工人员必须熟悉并严格遵守本部分,并经考试合格后上岗。安全教育培训记录2对从事电工、金属焊接与切割、高空作业、起重、机械操作、企业内部机动车驾驶等特种作业施工人员,必须进行安全技术理论的学习和实际操作培训,经有关部门考试合格后,持证上岗。特种作业人员清册及操作证。3对新入厂人员必须进行三级安全教育培训,经考试合格后持证上岗。安全教育培训记录上岗证4施工必须有安全技术措施,并在施工前进行交底和做好现场监护工作,已交底的措施未经经审批人同意,不得擅自变更。施工安全技术措施安全施工作业票5主要受力工器具应符合技术检验标准,并附有许用荷载标志;使用前必须进行检查,不合格严禁使用,严禁以大代小,严禁超载使用。主要工器具台帐、检查记录项目部安全员:年月日专业监理工程师:年月日注本表一式份,由施工项目部填报,监理项目部存份,施工项目部存份。SZLX23输变电工程施工强制性条文执行记录表(安全)编号:SZLS23-001工程名称泽州东220kV变电站建筑工程单位(子单位)工程名称主控楼分部(子分部)工程名称基础施工分项工程名称基础工程施工单位晋城市巨能电网工程有限公司项目经理付利军序号强制性条文规定执行标准DL5009.2-2004执行情况相关资料1严禁违章作业、违章指挥、违反劳动纪律;对违章作业的指令有权拒绝;有权制止他人违章行为。安全教育培训记录2对无安全措施或未经安全技术交底的施工项目,施工人员有权拒绝施工。安全教育培训记录3施工人员严禁酒后作业安全教育培训记录安全施工作业票4进入施工区的人员必须正确佩带安全帽。安全检查记录5遇有雷雨、暴雨、弄雾、沙尘暴、六级及以上大风时,不得进行高空作业、水上运输、露天吊装、杆塔组立和放紧线等作业。施工日志6有毒有害物品的存放和保管应遵守下列规定:1、容器必须蜜封。2、库房空气流通,并有专人管理。3、醒目处应设置“有害有毒”标志。施工安全措施、施工安全检查记录项目部安全员:专业监理工程师:年月日年月日注本表一式份,由施工项目部填报,监理项目部存份,施工项目部存份。SZLX23输变电工程施工强制性条文执行记录表(安全)编号:SZLS23-002工程名称泽州东220kV变电站建筑工程单位(子单位)工程名称35kV配电室分部(子分部)工程名称基础施工分项工程名称基础工程施工单位晋城市巨能电网工程有限公司项目经理付利军序号强制性条文规定执行标准DL5009.2-2004执行情况相关资料1工程建设、施工、监利单位的各级领导、工程技术人员和施工管理人员必须熟悉并严格遵守本部分,施工人员必须熟悉并严格遵守本部分,并经考试合格后上岗。安全教育培训记录2对从事电工、金属焊接与切割、高空作业、起重、机械操作、企业内部机动车驾驶等特种作业施工人员,必须进行安全技术理论的学习和实际操作培训,经有关部门考试合格后,持证上岗。特种作业人员清册及操作证。3对新入厂人员必须进行三级安全教育培训,经考试合格后持证上岗。安全教育培训记录上岗证4施工必须有安全技术措施,并在施工前进行交底和做好现场监护工作,已交底的措施未经经审批人同意,不得擅自变更。施工安全技术措施安全施工作业票5主要受力工器具应符合技术检验标准,并附有许用荷载标志;使用前必须进行检查,不合格严禁使用,严禁以大代小,严禁超载使用。主要工器具台帐、检查记录项目部安全员:专业监理工程师:年月日年月日注本表一式份,由施工项目部填报,监理项目部存份,施工项目部存份。SZLX23输变电工程施工强制性条文执行记录表(安全)编号:SZLS23-002工程名称泽州东220kV变电站建筑工程单位(子单位)工程名称35kV配电室分部(子分部)工程名称基础施工分项工程名称基础工程施工单位晋...

1、当您付费下载文档后,您只拥有了使用权限,并不意味着购买了版权,文档只能用于自身使用,不得用于其他商业用途(如 [转卖]进行直接盈利或[编辑后售卖]进行间接盈利)。
2、本站所有内容均由合作方或网友上传,本站不对文档的完整性、权威性及其观点立场正确性做任何保证或承诺!文档内容仅供研究参考,付费前请自行鉴别。
3、如文档内容存在违规,或者侵犯商业秘密、侵犯著作权等,请点击“违规举报”。

碎片内容

强条执行记录(安全)

确认删除?
VIP
微信客服
  • 扫码咨询
会员Q群
  • 会员专属群点击这里加入QQ群
客服邮箱
回到顶部