电脑桌面
添加小米粒文库到电脑桌面
安装后可以在桌面快捷访问

材料行业-油漆车间-主任岗位说明书VIP免费

材料行业-油漆车间-主任岗位说明书_第1页
1/2
材料行业-油漆车间-主任岗位说明书_第2页
2/2
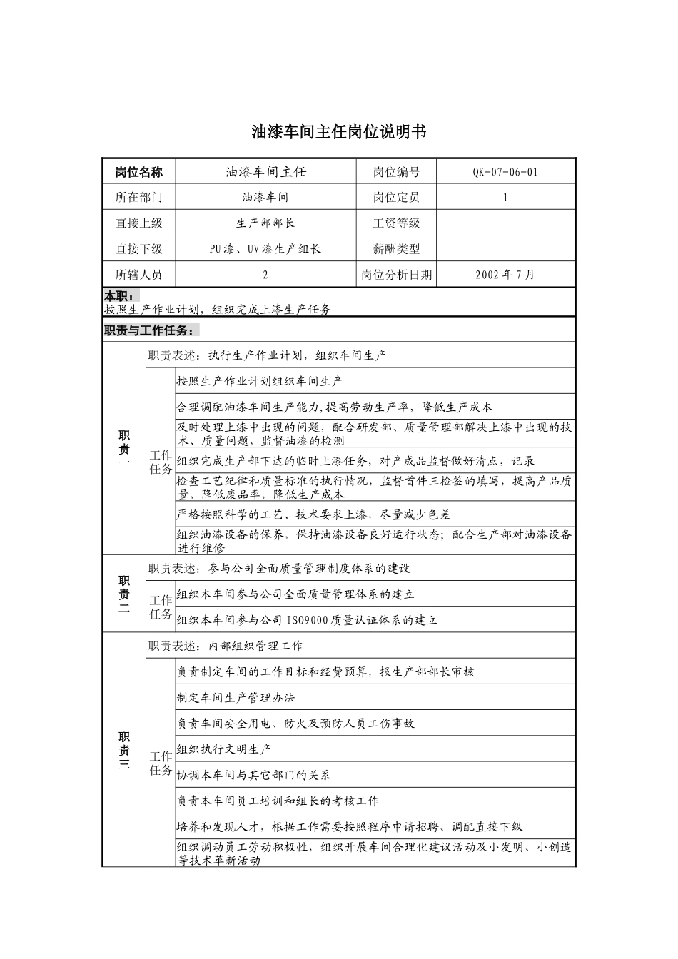
油漆车间主任岗位说明书岗位名称油漆车间主任岗位编号QK-07-06-01所在部门油漆车间岗位定员1直接上级生产部部长工资等级直接下级PU漆、UV漆生产组长薪酬类型所辖人员2岗位分析日期2002年7月本职:按照生产作业计划,组织完成上漆生产任务职责与工作任务:职责一职责表述:执行生产作业计划,组织车间生产工作任务按照生产作业计划组织车间生产合理调配油漆车间生产能力,提高劳动生产率,降低生产成本及时处理上漆中出现的问题,配合研发部、质量管理部解决上漆中出现的技术、质量问题,监督油漆的检测组织完成生产部下达的临时上漆任务,对产成品监督做好清点,记录检查工艺纪律和质量标准的执行情况,监督首件三检签的填写,提高产品质量,降低废品率,降低生产成本严格按照科学的工艺、技术要求上漆,尽量减少色差组织油漆设备的保养,保持油漆设备良好运行状态;配合生产部对油漆设备进行维修职责二职责表述:参与公司全面质量管理制度体系的建设工作任务组织本车间参与公司全面质量管理体系的建立组织本车间参与公司ISO9000质量认证体系的建立职责三职责表述:内部组织管理工作工作任务负责制定车间的工作目标和经费预算,报生产部部长审核制定车间生产管理办法负责车间安全用电、防火及预防人员工伤事故组织执行文明生产协调本车间与其它部门的关系负责本车间员工培训和组长的考核工作培养和发现人才,根据工作需要按照程序申请招聘、调配直接下级组织调动员工劳动积极性,组织开展车间合理化建议活动及小发明、小创造等技术革新活动职责四职责表述:完成生产部部长交办的其他工作任务权力:对违反工艺纪律的行为有制止权和处罚权对违反设备管理、操作规定的行为有制止权和处罚权有业务范围内紧急事件的处理权有对直接下级岗位调配权对所属下级的工作有监督、检查权对所属下级的管理水平、业务水平和业绩有考核评价权工作协作关系:内部协调关系生产部、研发部、质量管理部、仓储部外部协调关系任职资格:教育水平高中以上专业培训经历上漆工艺流程培训经验2年以上工作经验,一年以上管理经验知识具备相应的生产管理、质量管理车间设备等方面的知识技能技巧具有领导能力、判断与决策能力、人际能力、沟通能力、影响力、计划与执行能力其它:使用工具/设备油漆喷枪,一般办公设备工作环境车间工作时间特征正常工作时间,根据需要加班所需记录文档生产通知单、工作总结、生产报表、设备台帐等备注

1、当您付费下载文档后,您只拥有了使用权限,并不意味着购买了版权,文档只能用于自身使用,不得用于其他商业用途(如 [转卖]进行直接盈利或[编辑后售卖]进行间接盈利)。
2、本站所有内容均由合作方或网友上传,本站不对文档的完整性、权威性及其观点立场正确性做任何保证或承诺!文档内容仅供研究参考,付费前请自行鉴别。
3、如文档内容存在违规,或者侵犯商业秘密、侵犯著作权等,请点击“违规举报”。

碎片内容

材料行业-油漆车间-主任岗位说明书

确认删除?
VIP
微信客服
  • 扫码咨询
会员Q群
  • 会员专属群点击这里加入QQ群
客服邮箱
回到顶部