电脑桌面
添加小米粒文库到电脑桌面
安装后可以在桌面快捷访问

安全管理组织机构体系VIP专享VIP免费

安全管理组织机构体系_第1页
1/29
安全管理组织机构体系_第2页
2/29
安全管理组织机构体系_第3页
3/29
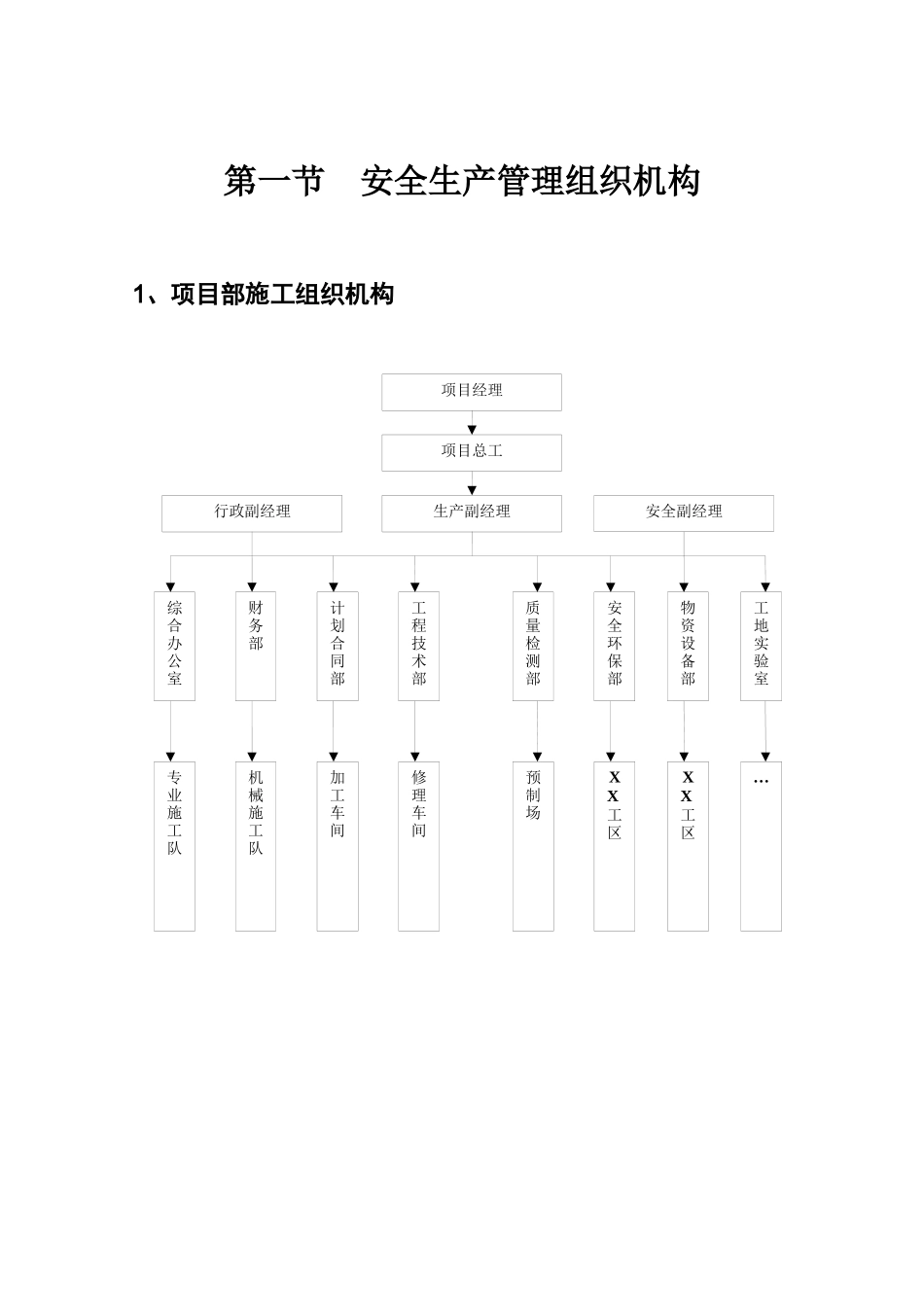
目录第一节安全生产管理组织机构...............................................................11、项目部施工组织机构.......................................................................12、项目施工安全目标...........................................................................23、项目部安全组织机构.......................................................................34、项目部安全管理体系.......................................................................55、项目安全施工管理程序...................................................................6第二节项目部领导层安全管理工作职责................................................71、安全领导小组工作职责................................................................72、安全小组组长(项目经理)安全工作职责...................................83、安全小组副组长(分管安全副经理)安全工作职责...................94、项目党支书记安全工作职责.........................................................105、项目总工程师安全工作职责.........................................................116、项目生产副经理安全工作职责。.................................................127.项目行政副经理安全工作职责。....................................................138、项目工会主席安全工作职责.........................................................14第三节项目部各部门安全工作职责......................................................151、安全环保部工作职责..................................................................152、综合办公室安全工作职责..........................................................163、工程技术部安全工作职责..........................................................174、计划合同部安全工作职责..........................................................185、物资设备部安全工作职责..........................................................186、财务部安全工作职责..................................................................197、工地实验室安全工作职责..........................................................19第四节项目部各级管理人员安全工作职责..........................................201、安全工程师工作职责..................................................................202、专职安全员工作职责..................................................................213、各专业工程师安全职责..............................................................214、现场施工员安全职责.....................................................................225、机械管理人员安全职责.................................................................226、区工长(队长)安全职责.............................................................237、工班长安全工作职责.....................................................................23第五节操作手、生产工人安全责任......................................................251、实验员安全工作责任..................................................................252、作业组长安全工作职责..............................................................263、生产工人、操作手安全责任......................................................274、特种作业人员安全生产责任......................................................27行政副经理安全副经理生产副经理项目经理项目总工综合办公室财务部计划合同部工程技术部质量检测部安全环保部物资设备部工地实验室专业施工队机械施工队加工车间修理车间预制场XX工区XX工区…第一节安全生产管理组织机构1、项...

1、当您付费下载文档后,您只拥有了使用权限,并不意味着购买了版权,文档只能用于自身使用,不得用于其他商业用途(如 [转卖]进行直接盈利或[编辑后售卖]进行间接盈利)。
2、本站所有内容均由合作方或网友上传,本站不对文档的完整性、权威性及其观点立场正确性做任何保证或承诺!文档内容仅供研究参考,付费前请自行鉴别。
3、如文档内容存在违规,或者侵犯商业秘密、侵犯著作权等,请点击“违规举报”。

碎片内容

安全管理组织机构体系

确认删除?
VIP
微信客服
  • 扫码咨询
会员Q群
  • 会员专属群点击这里加入QQ群
客服邮箱
回到顶部