电脑桌面
添加小米粒文库到电脑桌面
安装后可以在桌面快捷访问

建筑安装工程施工技术资料编1VIP免费

建筑安装工程施工技术资料编1_第1页
1/14
建筑安装工程施工技术资料编1_第2页
2/14
建筑安装工程施工技术资料编1_第3页
3/14
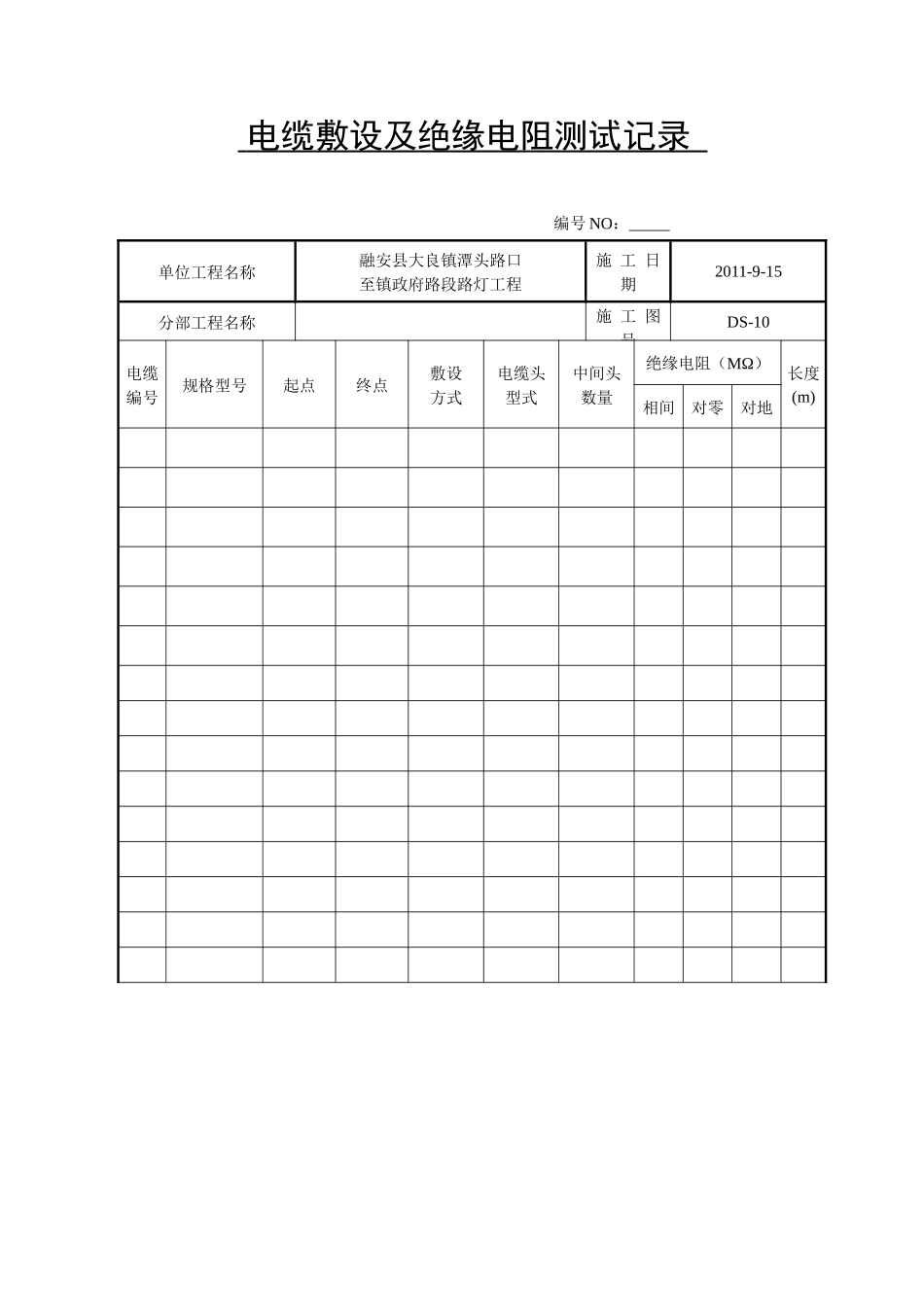
建筑工程技术资料资料名称建设单位:融安县人民政府建设局工程名称:融安县大良镇潭头路口至镇政府路段路灯工程监理单位:广西广安工程监理有限公司融安分公司设计单位:柳州市鹿苑建筑工程设计有限公司施工单位:柳州市市政工程集团有限公司2011年11月1日目录1、电缆敷设及绝缘电阻测试记录------------------------------------------------------12、配线线路绝缘电阻测试记录---------------------------------------------------------23、接地电阻测试记录---------------------------------------------------------------------3接地、绝缘电阻测试记录(电施)电缆敷设及绝缘电阻测试记录编号NO:单位工程名称融安县大良镇潭头路口至镇政府路段路灯工程施工日期2011-9-15分部工程名称施工图号DS-10电缆编号规格型号起点终点敷设方式电缆头型式中间头数量绝缘电阻(MΩ)长度(m)相间对零对地电缆支架安装记录:________________________1)电缆支架最上层至竖井顶部或楼板的距离为_______m;(注:相间绝缘电阻为测试最小值)2)电缆支架最下层至沟底或地面的距离为______m;3)电缆支架层间最小距离为_______m;班组长:施工员:质检员:2011年9月15日配线线路绝缘电阻测试记录编号NO:单位(子单位)工程名称融安县大良镇潭头路口至镇政府路段路灯工程施工日期2011-10-28分部(子分部)工程名称防雷及接地安装分项工程名称施工图号DS-10检查部位测试仪器型号、精度ZC25—4型1000V兆欧表、10级线路编号线路型号、规格、敷设方法绝缘电阻(MΩ)ABBCCAANBNCNAPEBPECPENPEAL1-1VV22-1KW-3*10+1*6mm2364435监理(建设)单位:(公章)监理工程师:(建设单位代表):施工单位:班组长:(公章)施工员:质检员:接地电阻测试记录编号NO:单位工程名称融安县大良镇潭头路口至镇政府路段路灯工程测试日期2011-10-20分部工程名称建筑电气分项工程名称施工图号DS-10测试仪器型号、精度DS-8测试部位接地性质接地电阻(Ω)测试环境结论设计值实测值温度()℃天气情况1#<10Ω8晴合格5#<10Ω6晴合格8#<10Ω9晴合格13#<10Ω7晴合格简图或备注:监理(建设)单位:(公章)监理工程师:(建设单位代表):2011年10月20日施工单位:班组长:(公章)施工员:质检员:2011年10月20日建筑工程技术资料资料名称建设单位:融安县人民政府建设局工程名称:融安县大良镇潭头路口至镇政府路段路灯工程监理单位:广西广安工程监理有限公司融安分公司设计单位:柳州中元市政工程设计有限公司施工单位:柳州市市政工程集团有限公司施工记录(电施)2011年11月1日目录1、裸母线、封闭母线、插接母线安装记录------------------------------------------12、线路、插座、开关接线检查记录---------------------------------------------------23、大型灯具牢固性试验记录-------------------------------------------------------------34、照明全负荷通电试运行记录----------------------------------------------------------45、基础验收记录----------------------------------------------------------------------------56、特殊工种登记表-------------------------------------------------------------------------6裸母线、封闭母线、插接母线安装记录编号NO:单位工程名称融安县大良镇潭头路口至镇政府路段路灯工程施工日期2011-10-17分部工程名称电气工程分项工程名称施工图号DS-10执行规范编号敷设方法直埋裸母线检查内容母线规格螺栓规格力矩值(N.m)实测值(N.m)搭接连接相间及对地距离(mm)封闭母线和插接母线检查内容型号规格允许偏差(mm)实测偏差(mm)母线与外壳同心度母线的连接支架位置设置接地支架防腐绝缘电阻值(MΩ)A-BB-CC-AA-NB-NC-NA-PEB-PEC-PEN-PE附图及说明:(注:绝缘电阻值为同一相同或相对零间或相对地间的绝缘电阻最小值)班组长:施工员:质检员:2011年10月20日线路、插座、开关接线检查记录编号NO:单位(子单位)工程名称融安县大良镇潭头路口至镇政府路段路灯工程分部(子分部)工程名称施工图号DS-10试验日期2011-10-20配电箱及回路编号线路插座开关颜色连接接线位置接地线连...

1、当您付费下载文档后,您只拥有了使用权限,并不意味着购买了版权,文档只能用于自身使用,不得用于其他商业用途(如 [转卖]进行直接盈利或[编辑后售卖]进行间接盈利)。
2、本站所有内容均由合作方或网友上传,本站不对文档的完整性、权威性及其观点立场正确性做任何保证或承诺!文档内容仅供研究参考,付费前请自行鉴别。
3、如文档内容存在违规,或者侵犯商业秘密、侵犯著作权等,请点击“违规举报”。

碎片内容

建筑安装工程施工技术资料编1

您可能关注的文档

确认删除?
VIP
微信客服
  • 扫码咨询
会员Q群
  • 会员专属群点击这里加入QQ群
客服邮箱
回到顶部