电脑桌面
添加小米粒文库到电脑桌面
安装后可以在桌面快捷访问

青岛市生产经营单位安全生产级别评定标准VIP免费

青岛市生产经营单位安全生产级别评定标准_第1页
1/7
青岛市生产经营单位安全生产级别评定标准_第2页
2/7
青岛市生产经营单位安全生产级别评定标准_第3页
3/7
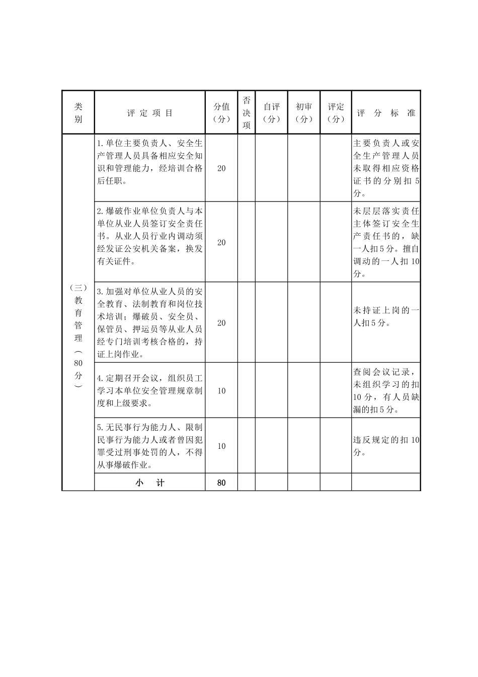
青岛市爆破作业单位安全生产主体责任级别评定标准(试行)类别评定项目分值(分)否决项自评(分)初审(分)评定(分)评分标准(一)依法经营︵90分︶1.证照齐全有效。包括:《营业执照》、《爆炸物品使用许可证》40○证照不齐的不得使用民爆器材。2.经营活动符合核准、许可范围。30超范围的扣30分。3.无违规转让、出租证照行为。20违规转让、出租证照的扣20分。小计90(二)组织保障︵90分︶1.按规定依法设置治安保卫机构或者配备治安保卫人员,设置技术防范设施,防止民用爆炸物品丢失、被盗、被抢。30未设置治安保卫机构或配备治安保卫人员的扣30分。2.设置安全管理机构或者配备专职安全管理人员。30未设置安全管理机构和人员的扣30分。3.明确单位内部以主要负责人为核心的项目经理、班组长、爆破员、安全员、保管员、押运员各岗位安全职责。30未明确安全职责的少一项扣5分。小计90类别评定项目分值(分)否决项自评(分)初审(分)评定(分)评分标准(三)教育管理︵80分︶1.单位主要负责人、安全生产管理人员具备相应安全知识和管理能力,经培训合格后任职。20主要负责人或安全生产管理人员未取得相应资格证书的分别扣5分。2.爆破作业单位负责人与本单位从业人员签订安全责任书。从业人员行业内调动须经发证公安机关备案,换发有关证件。20未层层落实责任主体签订安全生产责任书的,缺一人扣5分。擅自调动的一人扣10分。3.加强对单位从业人员的安全教育、法制教育和岗位技术培训;爆破员、安全员、保管员、押运员等从业人员经专门培训考核合格的,持证上岗作业。20未持证上岗的一人扣5分。4.定期召开会议,组织员工学习本单位安全管理规章制度和上级要求。10查阅会议记录,未组织学习的扣10分,有人员缺漏的扣5分。5.无民事行为能力人、限制民事行为能力人或者曾因犯罪受过刑事处罚的人,不得从事爆破作业。10违反规定的扣10分。小计80类别评定项目分值(分)否决项自评(分)初审(分)评定(分)评分标准(四)规章制度︵120分︶1.落实安全管理规章制度并建立规范制度档案。包括:单位主要负责人及项目经理的安全管理责任制度、“四大员”(爆破员、安全员、押运员、保管员)等从业人员安全责任制度、岗位安全操作规程、领用发放制度、情况报告制度、民爆器材清退制度、隐患定期排查制度、事故应急管理制度、运输安全制度、爆破专业设备安全检查制度等。30缺项的扣5分。未实施的扣10分。2.落实民爆管理信息系统安全运行制度、爆破器材流向登记制度,不得超领雷管,《民爆器材现场登记本》保存二年以上。20缺项的扣5分。未实施的扣5分。违规操作锁卡的扣10分。3.爆破现场作业人员最低配置规范。现场负责人、技术员、安全员、保管员各一名,爆破员三名。20未实施的扣20分,缺一人扣5分。4.单位负责人定期检查爆破工程现场,填写检查记录。10未实施的一次扣10分。5.落实安全教育例会制度,及时对爆破工程进行总结,传达公安机关的安全管理要求。20缺项的扣5分。未实施的扣20分。6.建立爆破现场隐患排查工作机制,现场负责人落实隐患排查治理和监控职责。20没有立隐患排查工作机制的扣20分。小计120类别评定项目分值(分)否决项自评(分)初审(分)评定(分)评分标准(五)爆破作业现场安全要求︵290分︶1.爆破作业单位按照公安机关的许可和市爆破协会的安全评估报告,组织实施爆破工程安全管理工作。30○未经许可擅自实施爆破作业的扣30分;未经安全评估实施爆破作业的扣30分;擅自异地运输使用爆炸物品的扣30分。2.爆破工程技术人员规范实施爆破工程现场的技术要求。30违反规定的扣30分。3.爆破员领取的爆破器材不得遗失或转交他人,不准擅自销毁和挪作他用;按照相关法律法规和爆破设计进行爆破作业;爆破结束后当日清退剩余爆破器材。30违反规定的一项扣10分。4.安全员负责爆破现场使用过程中的安全管理;确定、落实安全警戒范围;督促爆破员、保管员及其他作业人员依法操作,制止、纠正违规操作;检查、监督剩余爆破器材的清退。30违反规定的一项扣10分。5保管员配备爆破器材作业保管箱,爆破器材堆放符合安全规定,负责验收、保管、发放和登记记录领用的爆破器材;...

1、当您付费下载文档后,您只拥有了使用权限,并不意味着购买了版权,文档只能用于自身使用,不得用于其他商业用途(如 [转卖]进行直接盈利或[编辑后售卖]进行间接盈利)。
2、本站所有内容均由合作方或网友上传,本站不对文档的完整性、权威性及其观点立场正确性做任何保证或承诺!文档内容仅供研究参考,付费前请自行鉴别。
3、如文档内容存在违规,或者侵犯商业秘密、侵犯著作权等,请点击“违规举报”。

碎片内容

青岛市生产经营单位安全生产级别评定标准

您可能关注的文档

确认删除?
VIP
微信客服
  • 扫码咨询
会员Q群
  • 会员专属群点击这里加入QQ群
客服邮箱
回到顶部