电脑桌面
添加小米粒文库到电脑桌面
安装后可以在桌面快捷访问

国华北京热电厂设备KKS编码(kks汽机部分)VIP免费

国华北京热电厂设备KKS编码(kks汽机部分)_第1页
1/41
国华北京热电厂设备KKS编码(kks汽机部分)_第2页
2/41
国华北京热电厂设备KKS编码(kks汽机部分)_第3页
3/41
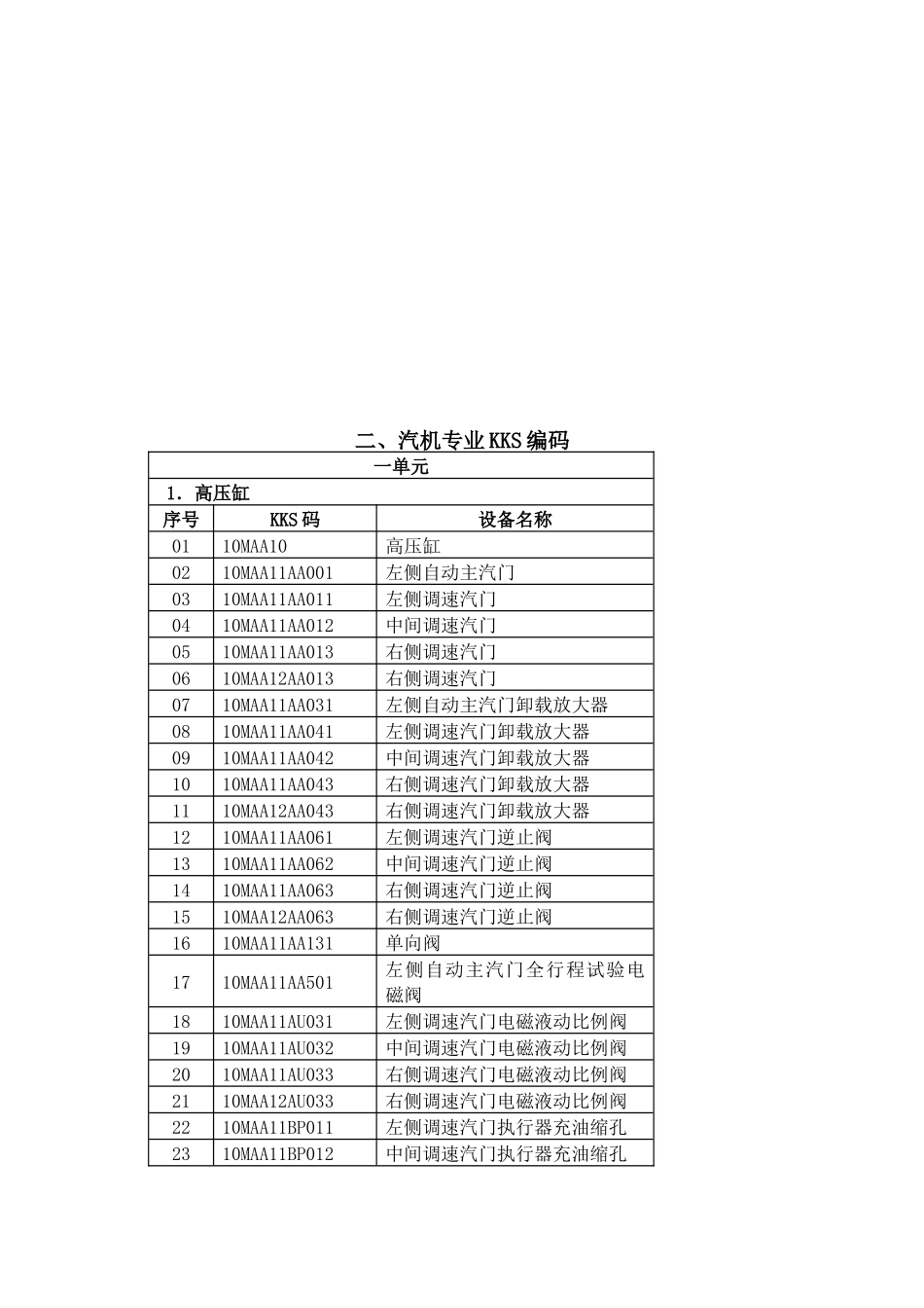
国华北京热电厂设备KKS编码(暂行)设备部2000年6月一、设备KKS编码通则设备的KKS编码是目前世界上广为使用的一种设备编码方法,它采用的是国际标准,其目的是使每一个单位在不考虑语言文字和规定的情况下,对各种设备的职责范围进行统一的、无歧义的标识工作。在我厂,同时用于TMMS计算机管理系统的识别功能。1.编码的层次:KKS码通常由11--16位字母与数字混合组成。按照系统及功能一般将整个编码分成四个层次。1.1第一层:机组编号。采用两位数字组成,第1-2位。1.2第二层:系统编号。由三位字母和两位数字组成,第3-5位为字母,第6-7位为数字。1.3第三层:设备编号。由两位字母和三位数字组成,第8-9位为字母,第10-12位为数字。1.4第四层:元件编号。由两位字母和两位数字组成,第13-14位为字母,第15-16位为数字。(本次编码没有用到)2.编码方法:2.1第一层:机组编号。2.1.1#1机编码为10;#2机编码为20;公用系统编码为00。2.1.2对于一台机组对应的多于一套的成套设备,可在第二位表示出来,其排列顺序可按方位的编码原则加以编号。2.1.3例:每台机有两台锅炉,#1炉可编码为“11”;#2炉可编码为“12”。顺序按自西向东的原则。2.2第二层:系统编号。2.2.1第3-5位字母编码是系统的分类名称,已经有现成的系统编码名称清册,编码时直接套用即可。2.2.2第6-7位是数字编码,表示在本系统内再细分子系统或小系统以及系统内装置或再分段的顺序排列。具体的排列原则如下:①自西向东的原则;②自南向北的原则;③自下而上的原则;④形成回路时,可按介质流向的原则;⑤凡形成回路时,如四角布置的喷燃器等,以西南角定义为起点,按顺时针方向排列。⑥未形成回路的情况,上述各原则的优先顺序如下:介质流向//自下而上//自西向东//自南向北注:上述原则是一位数字排列顺序的原则,不可同时用于两位数字的排列,编码时先要定义好两位数字各自的含义,先排十进位上的数,再排个位上的数,组合后将设备系统界定。当然,也可以将此两位数字当成一个数字按顺序简单排列,但很少使用。2.3第三层:设备编码。2.3.1第8-9位是字母编码,表示设备的类别,已有现成的设备编码名称清册,编码时直接套用即可。2.3.2第10-12位是数字编码,可以将本类设备分成小类,分别给予一定的数字分段与其相对应,分段内按顺序排列。也可以按上述“注”中的办法,将每一位数字分别赋予一定的含义,组合后界定设备的编码。二、汽机专业KKS编码一单元1.高压缸序号KKS码设备名称0110MAA10高压缸0210MAA11AA001左侧自动主汽门0310MAA11AA011左侧调速汽门0410MAA11AA012中间调速汽门0510MAA11AA013右侧调速汽门0610MAA12AA013右侧调速汽门0710MAA11AA031左侧自动主汽门卸载放大器0810MAA11AA041左侧调速汽门卸载放大器0910MAA11AA042中间调速汽门卸载放大器1010MAA11AA043右侧调速汽门卸载放大器1110MAA12AA043右侧调速汽门卸载放大器1210MAA11AA061左侧调速汽门逆止阀1310MAA11AA062中间调速汽门逆止阀1410MAA11AA063右侧调速汽门逆止阀1510MAA12AA063右侧调速汽门逆止阀1610MAA11AA131单向阀1710MAA11AA501左侧自动主汽门全行程试验电磁阀1810MAA11AU031左侧调速汽门电磁液动比例阀1910MAA11AU032中间调速汽门电磁液动比例阀2010MAA11AU033右侧调速汽门电磁液动比例阀2110MAA12AU033右侧调速汽门电磁液动比例阀2210MAA11BP011左侧调速汽门执行器充油缩孔2310MAA11BP012中间调速汽门执行器充油缩孔2410MAA11BP013右侧调速汽门执行器充油缩孔2510MAA12BP013右侧调速汽门执行器充油缩孔2610MAA11BP031左侧调速汽门执行器故障安全缩孔2710MAA11BP032中间调速汽门执行器故障安全缩孔2810MAA11BP033右侧调速汽门执行器故障安全缩孔2910MAA12BP033右侧调速汽门执行器故障安全缩孔3010MAA11BP131左侧自动主汽门安全系统缩孔3110MAA11BP141左侧调速汽门执行器供油缩孔3210MAA11BP142中间调速汽门执行器供油缩孔3310MAA11BP143右侧调速汽门执行器供油缩孔3410MAA12BP141右侧调速汽门执行器供油缩孔3510MAA12AA001右侧自动主汽门3610MAA12AA013右侧调速汽门3710MAA12AA031右侧调速汽门比例调节阀3810MAA12AA131单向阀39...

1、当您付费下载文档后,您只拥有了使用权限,并不意味着购买了版权,文档只能用于自身使用,不得用于其他商业用途(如 [转卖]进行直接盈利或[编辑后售卖]进行间接盈利)。
2、本站所有内容均由合作方或网友上传,本站不对文档的完整性、权威性及其观点立场正确性做任何保证或承诺!文档内容仅供研究参考,付费前请自行鉴别。
3、如文档内容存在违规,或者侵犯商业秘密、侵犯著作权等,请点击“违规举报”。

碎片内容

国华北京热电厂设备KKS编码(kks汽机部分)

黄金书屋+ 关注
实名认证
内容提供者

爱好英语教学和互联网行业,热爱教育事业,兢兢业业

确认删除?
VIP
微信客服
  • 扫码咨询
会员Q群
  • 会员专属群点击这里加入QQ群
客服邮箱
回到顶部