电脑桌面
添加小米粒文库到电脑桌面
安装后可以在桌面快捷访问

技术标准检验(1)VIP免费

技术标准检验(1)_第1页
1/19
技术标准检验(1)_第2页
2/19
技术标准检验(1)_第3页
3/19
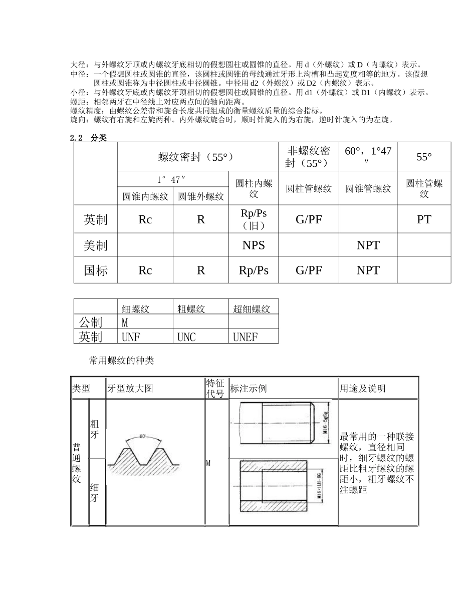
目录修订履历.............................................................................................................................................................31.介紹......................................................................................................................................................................41.1目的......................................................................................................................................................................41.2範圍......................................................................................................................................................................42.螺牙.......................................................................................................................................................................82.1定义......................................................................................................................................................................62.2分类......................................................................................................................................................................82.3精度等级...............................................................................................................................................................82.4螺纹标注...............................................................................................................................................................92.5基本尺寸............................................................................................................................................................103.铝合金...............................................................................................................................................................103.1铝合金成分.........................................................................................................................................................104.公差...................................................................................................................................................................124.1ISO...................................................................................................................................................................124.2JIS.....................................................................................................................................................................124.3DIN....................................................................................................................................................................124.4GB.....................................................................................................................................................................145参考文件..........................................................................................................................................................15修订履历6/8/016/11/011.介绍1.1目的定义产品的外观信息,包括:装配的公差,特殊的外观要求以及在允许范围内的和通用标准的偏差。1.2范围适用于公司所生产的所有压铸件产品,客户特别规定的除外。2.螺牙2.1定义螺纹:在圆柱或圆锥表面上,沿着螺旋线所形成的具有规定...

1、当您付费下载文档后,您只拥有了使用权限,并不意味着购买了版权,文档只能用于自身使用,不得用于其他商业用途(如 [转卖]进行直接盈利或[编辑后售卖]进行间接盈利)。
2、本站所有内容均由合作方或网友上传,本站不对文档的完整性、权威性及其观点立场正确性做任何保证或承诺!文档内容仅供研究参考,付费前请自行鉴别。
3、如文档内容存在违规,或者侵犯商业秘密、侵犯著作权等,请点击“违规举报”。

碎片内容

技术标准检验(1)

您可能关注的文档

确认删除?
VIP
微信客服
  • 扫码咨询
会员Q群
  • 会员专属群点击这里加入QQ群
客服邮箱
回到顶部