电脑桌面
添加小米粒文库到电脑桌面
安装后可以在桌面快捷访问

沟槽式连接管道工程技术交底VIP专享VIP免费

沟槽式连接管道工程技术交底_第1页
1/6
沟槽式连接管道工程技术交底_第2页
2/6
沟槽式连接管道工程技术交底_第3页
3/6
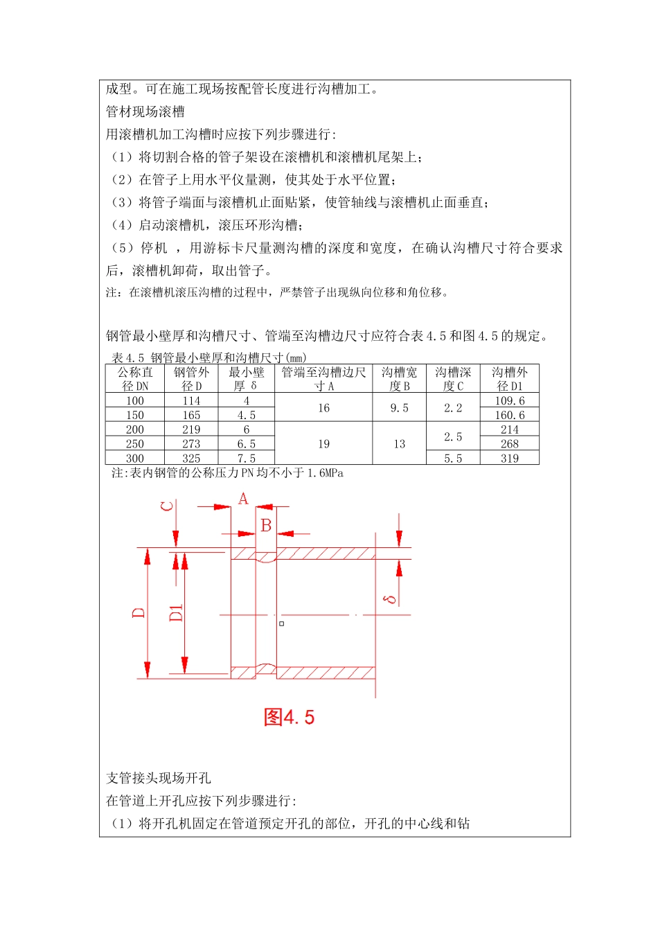
技术交底记录编号:消防水工程名称施工单位交底部位及工序名称沟槽式连接管道工程交底日期交底提要地下室负三层样板区沟槽式连接技术要求根据要求地下室负三层西区区3-8轴交S-W轴区域制作样板间,现场已初步具备施工条件,现就消防管道沟槽件制作、安装工艺及质量要求交底。交底内容:工艺流程:装卸、贮运→检查(材料、机具)→管材切割和预加工(测量尺寸、除锈、去毛刺)→沟槽、开孔→沟槽接头安装和支管接头安装(清理管口→润滑→上接头件及垫圈→合上卡口→拧螺栓)→刷油漆→成品保护机具准备:滚槽机、开孔机、切管机、游标卡尺、刮刀、锉刀、钢丝刷、砂纸。1、装卸、贮运(1)沟槽式管接头、沟槽式管件、附件在装卸、运输、堆放时,应小心轻放,严禁抛、摔、滚、拖和剧烈撞击。严禁与有腐蚀和有害于橡胶的物质接触,避免雨水淋袭。(2)橡胶密封圈应放在卡箍内一起被贮运和存放,不得另行包装。紧固件应与卡箍螺栓孔松套相连。(3)放置有橡胶密封圈的沟槽式接头,应存放在阴凉、干燥、通风与热源不接触的无腐蚀性气体场所。(4)管材应水平存放在平整的地面上,不得不规则堆存。接头和管件应按规格分类逐层码放整齐。2、检查(1)工程用管材、沟槽式接头和沟槽式管件等管道组合件、管道支承件,施工力量,机具,水、电供应等已准备就绪,能进行正常施工并符合质量要求;(2)对施工人员已进行沟槽式连接方式的技术培训。(3)场应核对管材、沟槽式管接头、沟槽式管件等管道组合件和支承件的材质、规格、型号、产品说明书及出厂合格证等是否符合设计规定并按国家现行相关标准进行外观检查。当发现缺件、质量异常等情况时,应及时进行补充和复检。严禁采用不符合标准要求的产品。3、管材切割和预加工(1)管材切割前应按配管图先标定管子外径,其外径误差和壁厚误差应在允许公差范围内。管材切口端面应垂直于管道中心轴线,其倾斜角偏差e(图3.1)不得大于表3.1的规定。表3.1切割端面倾斜角允许偏差(mm)公称直径DN切割端面倾斜角允许偏差(mm)≤800.8100-1501.2≥2001.6(2)管道切割应采用机械方法。切口表面应平整,无裂缝、凹凸、缩口、熔渣、氧化物,并打磨光滑。(3)当管端沟槽加工部位的管口不圆整时应整圆,壁厚应均匀,表面的污物、油漆、铁锈、碎屑等应予以清除。4、沟槽、开孔沟槽式连接的钢管采用镀锌钢管,平口端环形沟槽必须采用专门的滚槽机加工成型。可在施工现场按配管长度进行沟槽加工。管材现场滚槽用滚槽机加工沟槽时应按下列步骤进行:(1)将切割合格的管子架设在滚槽机和滚槽机尾架上;(2)在管子上用水平仪量测,使其处于水平位置;(3)将管子端面与滚槽机止面贴紧,使管轴线与滚槽机止面垂直;(4)启动滚槽机,滚压环形沟槽;(5)停机,用游标卡尺量测沟槽的深度和宽度,在确认沟槽尺寸符合要求后,滚槽机卸荷,取出管子。注:在滚槽机滚压沟槽的过程中,严禁管子出现纵向位移和角位移。钢管最小壁厚和沟槽尺寸、管端至沟槽边尺寸应符合表4.5和图4.5的规定。表4.5钢管最小壁厚和沟槽尺寸(mm)公称直径DN钢管外径D最小壁厚δ管端至沟槽边尺寸A沟槽宽度B沟槽深度C沟槽外径D11001144169.52.2109.61501654.5160.6200219619132.52142502736.52683003257.55.5319注:表内钢管的公称压力PN均不小于1.6MPa支管接头现场开孔在管道上开孔应按下列步骤进行:(1)将开孔机固定在管道预定开孔的部位,开孔的中心线和钻头中心线必须对准管道中轴线;(2)启动电机转动钻头;(3)转动手轮使钻头缓慢向下钻孔,并适时、适量地向钻头添加润滑剂直至钻头在管道上钻完孔洞;(4)开孔完毕后,摇回手轮,使开孔机的钻头复位;(5)撤除开孔机后,清除开孔部位的钻落金属和残渣,并将孔洞打磨光滑。注:开孔直径应不小于支管外径。5、接头连接和安装沟槽式连接管道系统宜按公称直径先大后小的顺序安装。一:沟槽式接头安装应按下列步骤进行:(1)用游标卡尺检查管材、管件的沟槽是否符合本规程第4条的要求,以及卡箍件的型号是否正确;(2)在橡胶密封圈上涂抹润滑剂,并检查橡胶密封圈是否有损伤;注:润滑剂可采用肥皂水或洗洁剂,不得采用油润滑剂。(3)连接...

1、当您付费下载文档后,您只拥有了使用权限,并不意味着购买了版权,文档只能用于自身使用,不得用于其他商业用途(如 [转卖]进行直接盈利或[编辑后售卖]进行间接盈利)。
2、本站所有内容均由合作方或网友上传,本站不对文档的完整性、权威性及其观点立场正确性做任何保证或承诺!文档内容仅供研究参考,付费前请自行鉴别。
3、如文档内容存在违规,或者侵犯商业秘密、侵犯著作权等,请点击“违规举报”。

碎片内容

沟槽式连接管道工程技术交底

黄金书屋+ 关注
实名认证
内容提供者

爱好英语教学和互联网行业,热爱教育事业,兢兢业业

确认删除?
VIP
微信客服
  • 扫码咨询
会员Q群
  • 会员专属群点击这里加入QQ群
客服邮箱
回到顶部