电脑桌面
添加小米粒文库到电脑桌面
安装后可以在桌面快捷访问

维修车间各岗位综合考核指标VIP免费

维修车间各岗位综合考核指标_第1页
1/3
维修车间各岗位综合考核指标_第2页
2/3
维修车间各岗位综合考核指标_第3页
3/3
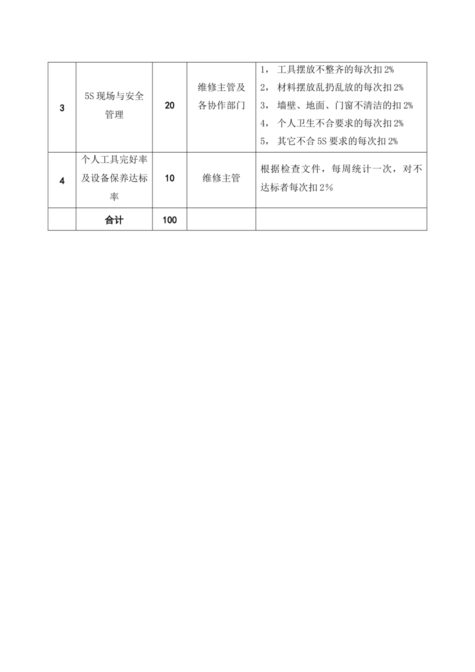
某粮油工业公司维修车间各岗位综合考核指标序号考核指标权重(%)数据提供指标说明1工时超额率25维修主管(超额总工时÷员工总出工工时)x100%25S现场与安全管理25维修主管使用部门1、公司对工作现场检查文件2、公司制度及部门操作规程3工作满意度20使用部门根据工作满意度调查及投诉4维修返工率10维修车间主管返工单数/维修总单数5物料消耗控制率10财务管理部(实际费用额÷计划额)x100%6工具设备完好率10维修主管随机检查和反馈合计100维修车间主管序号考核指标权重(%)数据提供指标说明1维修车间综合指标50行政内勤维修车间综合指标x50%2工作满意度20使用部门根据满意度问卷调查及投诉3下属员工管理成效20员工/本人/部门经理对下属员工的指导、教育、考核、投诉以及沟通等状况测评(取三方测评结果平均值)45S现场与安全管理10检查通报文件根据检查办法合计100维修管理员序号考核指标权重(%)数据提供指标说明1维修和设备文件资料管理30维修车间主管随机检查和反馈2日常事务管理30维修车间主管随机检查和反馈3ISO9000HACCP管理209000办随机检查和反馈4工作满意度20维修车间主管外部往来单位和公司各部门对本部门投诉次数。合计100维修班长/维修工/设备技术员序号考核指标权重(%)数据提供指标说明1日常管理达标率40维修主管以公司现场安全检查文件、员工规章制度以及部门操作规程为标准,对员工的工作态度、劳动纪律、工作质量及安全操作进行综合考评。每周统计一次,对不达标者每次扣2%,发生事故者扣10%。2指定任务完成率30维修主管及统计员实际验收维修单总数÷签发维修单总数x100%(验收维修单以维修申报单位的验收签字为准)未能按要求完成的每次扣5%35S现场与安全管理20维修主管及各协作部门1,工具摆放不整齐的每次扣2%2,材料摆放乱扔乱放的每次扣2%3,墙壁、地面、门窗不清洁的扣2%4,个人卫生不合要求的每次扣2%5,其它不合5S要求的每次扣2%4个人工具完好率及设备保养达标率10维修主管根据检查文件,每周统计一次,对不达标者每次扣2%合计100

1、当您付费下载文档后,您只拥有了使用权限,并不意味着购买了版权,文档只能用于自身使用,不得用于其他商业用途(如 [转卖]进行直接盈利或[编辑后售卖]进行间接盈利)。
2、本站所有内容均由合作方或网友上传,本站不对文档的完整性、权威性及其观点立场正确性做任何保证或承诺!文档内容仅供研究参考,付费前请自行鉴别。
3、如文档内容存在违规,或者侵犯商业秘密、侵犯著作权等,请点击“违规举报”。

碎片内容

维修车间各岗位综合考核指标

确认删除?
VIP
微信客服
  • 扫码咨询
会员Q群
  • 会员专属群点击这里加入QQ群
客服邮箱
回到顶部