电脑桌面
添加小米粒文库到电脑桌面
安装后可以在桌面快捷访问

生产管理作业题(刘)VIP免费

生产管理作业题(刘)_第1页
1/9
生产管理作业题(刘)_第2页
2/9
生产管理作业题(刘)_第3页
3/9
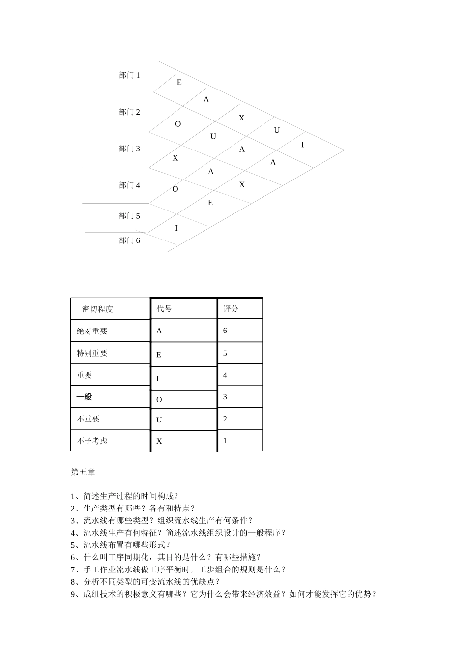
第一章1、简述生产与作业管理的概念2、生产与作业管理的目标3.生产与运作管理包括哪些内容?4.简述生产与运作管理的新特征?新趋势?第二章1、运作战略方案的主要内容?2、制定运作战略的基点是什么?3、企业生产营运战略类型有哪些?4、为什么说生产系统又是企业竞争之本?5、试论企业如何构筑生产系统竞争力?第三章1、新产品的概念与分类?2、新产品开发的意义?3、如何提高新产品开发成功率4、简述产品设计与开发流程?5、简述新产品开发的动力、关键、原则?6、并行工程的涵义与目的?7、产品的选择应考虑的影响因素有哪些?第四章1、厂址选择应考虑哪些因素?2、制造业通常的生产组织形式有哪些?试分析其优缺点?3、制造业中典型布置模式有哪些?4、生产系统布置要考虑哪些原则?5、相关图布置法的主要思路是什么?6、某公司拟建一仓库负责向四个工厂进行物料供应配送,各工厂的具体位置与年物料配送量于下表,请利用重心法确定物流公司的仓库位置,设拟建仓库对各工厂的单位运输成本相等。工厂及其位置坐标P1P2P3P4X1Y1X2Y2X3Y3X4Y42070606020205020年配送量20001200100025007、某公司有三个不同仓库建设方案,由于各场址有不同的征地费、建筑费,工资、原材料等成本费用也都不同,从而有不同仓储成本。三个选址的仓储成本见下表,试利用盈亏平衡发决定不同仓储规模下最优的选址。方案费用项目A方案B方案C方案固定费用/元600,0001200,0001800,000单件可变费用/(元/件)4020108、某家电制造公司现有两个分销配送中心F1及F2,供应四个城市销售区域市场S1、S2、S3、S4,由于销售量不断增加必须另设新一配送中心,现通过定性分析,可供选择的地点为F3及F4。各配送中心以千台为单位的产品储存费用及各个配送中心至各销售城市的运输费用如表1所示。至从运输费用(万元/千台)年配送量(单位:千台)仓储费用(万元/千台)S1S2S3S4F153230.71.5F26.553.51.50.551.8F31.50.51.76.51.252.0F43.8587.51.251.6年销售量单位:千台0.40.80.70.6试问在可供选择的地点F3及F4中,选择其中哪一个地址为好?9.一个工厂欲布置其生产与服务设施。该工厂共分成6个分厂,计划布置在一个2×3的区域内。已知这6个分厂间的业务关系密切程度,如图所示,请作出合理布置?部门6部门5部门4部门3部门2部门1IAAEEAXOXOIUXAU不予考虑不重要一般重要特别重要绝对重要密切程度XUOIEA代号123456评分第五章1、简述生产过程的时间构成?2、生产类型有哪些?各有和特点?3、流水线有哪些类型?组织流水线生产有何条件?4、流水线生产有何特征?简述流水线组织设计的一般程序?5、流水线布置有哪些形式?6、什么叫工序同期化,其目的是什么?有哪些措施?7、手工作业流水线做工序平衡时,工步组合的规则是什么?8、分析不同类型的可变流水线的优缺点?9、成组技术的积极意义有哪些?它为什么会带来经济效益?如何才能发挥它的优势?10、某混合流水线上生产120台A产品,60台B产品和40台C产品。试用生产比倒数法确定投产顺序。11、设某种可变流水线加工A、B、C三种零件,其计划日产量分别为100、150、200件;流水线上加工各零件的单件时间定额为10、12、15分钟。日制度工作时间8小时,时间利用系数为90%。按代表产品方法计算流水线生产A、B、C三种产品的节拍、设备数、负荷系数?12、计算节拍?确定最小工作地数目?13、用分支定界法进行流水线平衡?第六章1、工作设计的含义,任务,目的?2、什么是劳动定额?它有何作用?3、劳动定额形式有几种?别起什么作用?4、在制定劳动定额时为什么要考虑非定额时间?5、劳动定额的制定的方法有哪些?6、模特排时法(MODAPTS)的原理与作用是什么?7、编制定员方法有哪些?8、多机床看管原理意义是什么?可采取哪些措施实现多机床看管?第七章1、生产能力的概念与种类?2、生产能力柔性的涵义?有何意义?3、生产能力计算如何看待“水桶原理”与关键设备能力的矛盾?4、企业生产能力扩张与收缩可采取哪些措施?5、生产外包是否是平衡生产能力的有效措施?为什么?6、某厂生产A、B、C、D,4种产品,计划产量和各种产品在机械加工车间车床组的计划台时定额分别如下。车床组共有车...

1、当您付费下载文档后,您只拥有了使用权限,并不意味着购买了版权,文档只能用于自身使用,不得用于其他商业用途(如 [转卖]进行直接盈利或[编辑后售卖]进行间接盈利)。
2、本站所有内容均由合作方或网友上传,本站不对文档的完整性、权威性及其观点立场正确性做任何保证或承诺!文档内容仅供研究参考,付费前请自行鉴别。
3、如文档内容存在违规,或者侵犯商业秘密、侵犯著作权等,请点击“违规举报”。

碎片内容

生产管理作业题(刘)

黄金书屋+ 关注
实名认证
内容提供者

爱好英语教学和互联网行业,热爱教育事业,兢兢业业

确认删除?
VIP
微信客服
  • 扫码咨询
会员Q群
  • 会员专属群点击这里加入QQ群
客服邮箱
回到顶部