电脑桌面
添加小米粒文库到电脑桌面
安装后可以在桌面快捷访问

6、工业设备及管道绝热分部工程VIP免费

6、工业设备及管道绝热分部工程_第1页
1/9
6、工业设备及管道绝热分部工程_第2页
2/9
6、工业设备及管道绝热分部工程_第3页
3/9
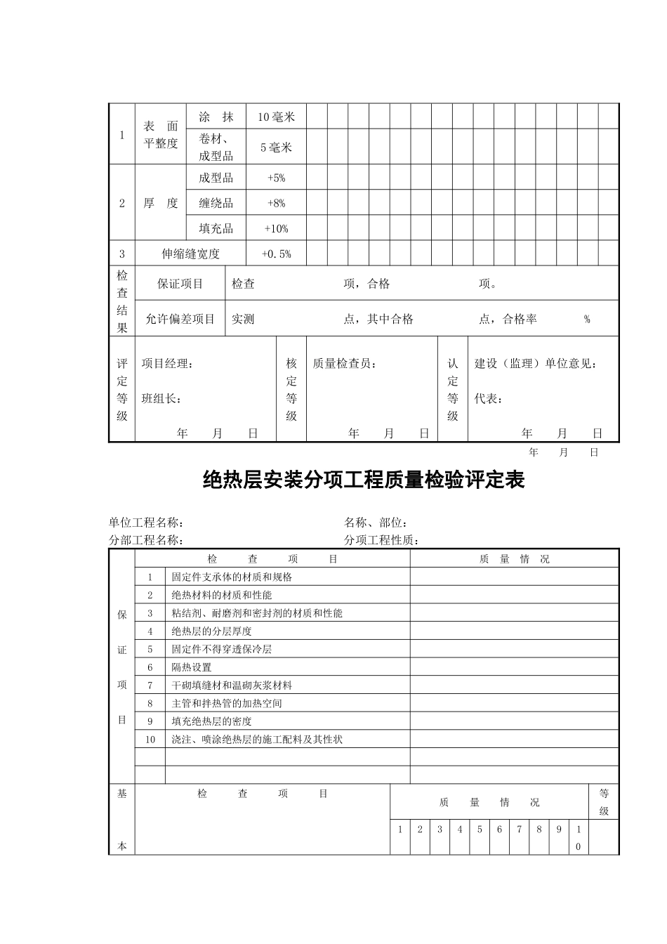
六、工业设备及管道绝热分部工程设备及管道隔热分项工程质量检验评定表单位工程名称:名称、部位:分部工程名称:分项工程性质:序号保证项目质量情况1隔热材料的强度、容重、导热系数、耐热性、含水率和品种规格,均应符合设计要求和规范规定。2隔热结构各层间粘贴应紧密,平整、压缝、圆弧均匀、无环形断裂,伸缩缝留置正确,采用成型制品和缠绕品者,接缝应错开,嵌缝要饱满,采用松散品和浇注品者,填充应密实、均匀,厚度一致。保护层采用卷材者,应紧贴表面,不应有皱折和开裂;采用抹面者,应平整、光滑,端部棱角整齐,不应有显著裂缝,铁皮包裸者,应压边起线搭线,搭缝应避开雨水冲刷方向。3阀门、法兰盘及其它可拆卸部件的两侧,在做隔热层时,应留出空隙,隔热层断面应封闭严密。支、托架处的隔热层不应影响活动面的自由伸缩。序号实测项目允许偏差各检查点(处、件)偏差值1234567891011121314151表面平整度涂抹10毫米卷材、成型品5毫米2厚度成型品+5%缠绕品+8%填充品+10%3伸缩缝宽度+0.5%检查结果保证项目检查项,合格项。允许偏差项目实测点,其中合格点,合格率%评定等级项目经理:班组长:年月日核定等级质量检查员:年月日认定等级建设(监理)单位意见:代表:年月日年月日绝热层安装分项工程质量检验评定表单位工程名称:名称、部位:分部工程名称:分项工程性质:保证项目检查项目质量情况1固定件支承体的材质和规格2绝热材料的材质和性能3粘结剂、耐磨剂和密封剂的材质和性能4绝热层的分层厚度5固定件不得穿透保冷层6隔热设置7干砌填缝材和温砌灰浆材料8主管和拌热管的加热空间9填充绝热层的密度10浇注、喷涂绝热层的施工配料及其性状基本检查项目质量情况等级12345678910项目1拌缝保温≤5mm,保冷≤2mm2支承件每平方≥6个,底部≥8个3每块保冷材料固定体4个,长度<保冷厚度10mm4捆扎间距≤400mm,半硬质≤300mm5封头硬质半硬质制品加工紧贴工件6绝热绳、带的缠绕应相互紧靠无松动,多层压缝7绝热层的填充密度8保冷层粘贴牢固9聚氨酯轻质颗粒绝热层浇喷涂允许偏差项目检查项目允许偏差(mm)实测偏差(mm)123456789101绝热制品厚度+10~52绝热制品密度+5%3充填绝热层的厚度>50≤50+10%+54充填绝热层的密度+10%5浇注喷涂绝热层厚度+10%6浇注喷涂绝热层密度(按设计要求)78检查结果保证项目检查项,合格项,基本项目检查项,其中优良项,优良率%允许偏差项目实测点,其中合格点,合格率%评定等级项目经理:班组长:年月日核定等级质量检查员:年月日认定等级建设(监理)单位意见:代表:年月日年月日附件绝热层安装分项工程质量检验评定表单位工程名称:名称、部位:分部工程名称:分项工程性质:保证检查项目质量情况1设备及管道上阀门、观察孔、检测点维修处应采用可拆卸机构工艺2保冷可拆卸结构与固定结构之间的绝热与密封3保冷附件端部、盲板的绝热层与密封项目4与入孔等盖式可拆卸结构相邻位置上的绝热层斜坡5设备铭牌覆盖6保冷设备或管道上裙座,支座,吊耳,仪表,管座,支架吊架等必须保冷基本项目检查项目质量情况等级123456789101软质棉毡制品安装平整挤实紧贴护壳,便于安装2可拆卸保冷结构合缝严密无空隙便于安装3靠近法兰连接处绝热层空隙留设4保冷设备或管道上裙座管座等长度允许偏差项目检查项目允许偏差(mm)实测偏差(mm)123456789101保温层硬质制品厚度+10~52保温层软质制品厚度10%~5%+103保冷层厚度5~0检查结果保证项目检查项,合格项,基本项目检查项,其中优良项,优良率%允许偏差项目实测点,其中合格点,合格率%评定等级项目经理:班组长:年月日核定等级质量检查员:年月日认定等级建设(监理)单位意见:代表:年月日年月日伸缩缝及膨胀间隙绝热安装分项工程质量检验评定表单位工程名称:名称、部位:分部工程名称:分项工程性质:保证项目检查项目质量情况1硬质制品绝热层伸缩缝的留设应符合设计要求或GB126-89规定2绝热层膨胀间隙的留设3保冷层伸缩外再保冷4保冷层和高温层的各层伸缩缝必须错开基本项目检查项目质量情况等级123456789101硬质制品绝热层伸缩缝设置正确,填料严密2伸缩缝内无杂质硬块,无漏填,捆扎牢固3高温设备...

1、当您付费下载文档后,您只拥有了使用权限,并不意味着购买了版权,文档只能用于自身使用,不得用于其他商业用途(如 [转卖]进行直接盈利或[编辑后售卖]进行间接盈利)。
2、本站所有内容均由合作方或网友上传,本站不对文档的完整性、权威性及其观点立场正确性做任何保证或承诺!文档内容仅供研究参考,付费前请自行鉴别。
3、如文档内容存在违规,或者侵犯商业秘密、侵犯著作权等,请点击“违规举报”。

碎片内容

6、工业设备及管道绝热分部工程

您可能关注的文档

确认删除?
VIP
微信客服
  • 扫码咨询
会员Q群
  • 会员专属群点击这里加入QQ群
客服邮箱
回到顶部