电脑桌面
添加小米粒文库到电脑桌面
安装后可以在桌面快捷访问

紫铜、黄铜管道安装工艺-建设工程教育网——建筑工程VIP免费

紫铜、黄铜管道安装工艺-建设工程教育网——建筑工程_第1页
1/37
紫铜、黄铜管道安装工艺-建设工程教育网——建筑工程_第2页
2/37
紫铜、黄铜管道安装工艺-建设工程教育网——建筑工程_第3页
3/37
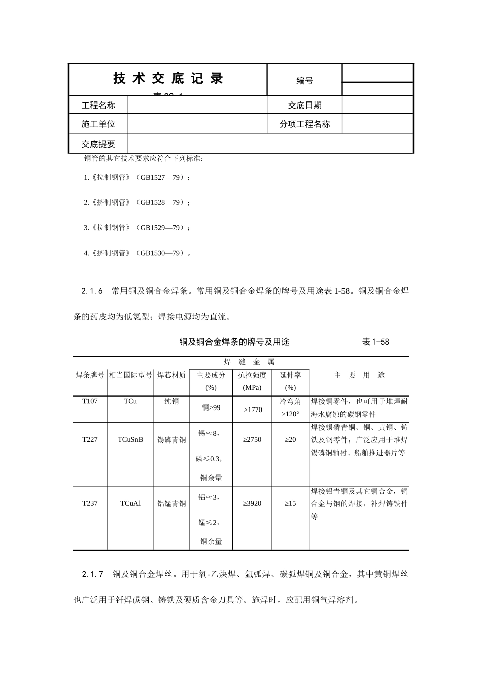
技术交底记录表C2-1编号工程名称交底日期施工单位分项工程名称交底提要交底内容:紫铜、黄铜管道安装1范围本工艺标准适用于工作压力为4MPa以下、温度为250~-196℃的紫铜管道和工作压力为22MPa以下、温度为120~-158℃的黄铜管道的安装工程。2施工准备。2.1常用材料:2.1.1管材:常用的有紫铜管(工业纯铜)及黄铜管(铜锌合金)按制造方法的不同分为拉制管、轧制管和挤制管,一般中、低压管道采用拉制管。紫铜管常用材料的牌号为:T2、T3、T4、TUP(脱氧铜);分为软质和硬质两种。黄铜管常用的材料牌号为:H62、H68、H85、HP659-1,分为软质、半硬质和硬质三种。2.1.2铜合金。为了改善黄铜的性能,在合金中添加锡、锰。铅、锌、磷等元素就成为特殊黄铜。添加元素的作用简述如下:2.1.2.1加锡能提高黄铜的强度,并能显著提高其对海水的耐蚀性能,故锡黄铜又称“海军黄铜”;2.1.2.2加锰能显著提高合金工艺性能、强度和耐腐蚀性;2.1.2.3加铅改善了切削加工性能和耐腐蚀能,但塑性稍有降低;2.1.2.4加锌能够提高合金的机械性能和流动性能;.2.1.2.5加磷能提高合金的韧性、硬度、耐磨性和流动性。技术交底记录表C2-1编号工程名称交底日期施工单位分项工程名称交底提要2.1.3铜管的应用。紫铜管与黄铜管大多数用在制造换热设备上;也常用在深冷装置和化工管道上,仪表的测压管线或传送有压液体管线方面也常采用。当温度大于250℃时,不宜在压力下使用。挤制铝青铜管用QAI10-3-1,5及QAI10-4-4牌号的青铜制成,用于机械和航空工业,制造耐磨、耐腐蚀和高强度的管件。锡青铜管系由QSn4-0.3等牌号锡青铜制成,适用于制造压力表的弹簧管及耐磨管件。2.1.4铜管的质量:供安装用的钢管及铜合金管,表面与内壁均应光洁,无疵孔、裂缝、结疤、尾裂或气孔。黄铜管不得有绿锈和严重脱锌。铜及铜合金管道的外表面缺陷允许度规定如下:纵向划痕深度如表1-57所示;偏横向的凹入深度或凸出高度不大于0.35mm;瘢疤碰伤、起泡及凹坑,其深度不超过0.03mm,其面积不超过管子表面积的30%。用作导管时其面积则不超过管子表面积的0.5%。2.1.5铜及铜合金管件。铜及铜合金管件尚无国家通用的标准管件,弯头、三通、异径管等均用管材加工制作。铜及铜合金管纵向划痕深度规定表1-57壁厚(mm)纵向划痕深度不大于(mm)壁厚(mm)纵向划痕深度不大于(mm)≤20.04>20.05注:用于作导管的铜及铜合金管道,不论壁厚大小,纵向划痕深度不应大于0.03mm。铜管的椭圆度和壁厚的不均匀度,不应超过外圆和壁厚的允许偏差。技术交底记录表C2-1编号工程名称交底日期施工单位分项工程名称交底提要铜管的其它技术要求应符合下列标准:1.《拉制钢管》(GB1527—79);2.《挤制钢管》(GB1528—79);3.《拉制钢管》(GB1529—79);4.《挤制钢管》(GB1530—79)。2.1.6常用铜及铜合金焊条。常用铜及铜合金焊条的牌号及用途表1-58。铜及铜合金焊条的药皮均为低氢型;焊接电源均为直流。铜及铜合金焊条的牌号及用途表1-58焊缝金属焊条牌号相当国际型号焊芯材质主要成分抗拉强度延伸率主要用途(%)(MPa)(%)T107TCu纯铜铜>99冷弯角≥120°焊接铜零件,也可用于堆焊耐海水腐蚀的碳钢零件T227TCuSnB锡磷青铜锡≈8,磷≤0.3,铜余量≥2750≥20焊接锡磷青铜、铜、黄铜、铸铁及钢零件;广泛应用于堆焊锡磷铜轴衬、船舶推进器片等T237TCuAl铝锰青铜铝≈3,锰≤2,铜余量≥3920≥15焊接铝青铜及其它铜合金,铜合金与钢的焊接,补焊铸铁件等2.1.7铜及铜合金焊丝。用于氧-乙炔焊、氩弧焊、碳弧焊铜及铜合金,其中黄铜焊丝也广泛用于钎焊碳钢、铸铁及硬质含金刀具等。施焊时,应配用铜气焊溶剂。≥1770技术交底记录表C2-1编号工程名称交底日期施工单位分项工程名称交底提要铜及铜合金焊丝代号:HS×××表示同一类型的不同代号表示铜及铜合金表示焊丝铜及铜合金焊丝主要成份、性能及用途见表l-59。2.1.8气焊用熔剂:2.1.8.1熔剂的作用:铜及铜合金焊丝主要成份、性能及用途表1-59焊丝牌号相当部标型号焊丝名称焊丝主要成份(%)焊接接头抗拉强度焊丝熔点母材(MPa)()℃HS201SCu-2特制紫铜焊丝锡1.1,硅0.4,锰0.4,铜余量紫铜≥19601050HS202SCu-1低磷...

1、当您付费下载文档后,您只拥有了使用权限,并不意味着购买了版权,文档只能用于自身使用,不得用于其他商业用途(如 [转卖]进行直接盈利或[编辑后售卖]进行间接盈利)。
2、本站所有内容均由合作方或网友上传,本站不对文档的完整性、权威性及其观点立场正确性做任何保证或承诺!文档内容仅供研究参考,付费前请自行鉴别。
3、如文档内容存在违规,或者侵犯商业秘密、侵犯著作权等,请点击“违规举报”。

碎片内容

紫铜、黄铜管道安装工艺-建设工程教育网——建筑工程

确认删除?
VIP
微信客服
  • 扫码咨询
会员Q群
  • 会员专属群点击这里加入QQ群
客服邮箱
回到顶部