电脑桌面
添加小米粒文库到电脑桌面
安装后可以在桌面快捷访问

安全生产方针、目标VIP免费

安全生产方针、目标_第1页
1/4
安全生产方针、目标_第2页
2/4
安全生产方针、目标_第3页
3/4
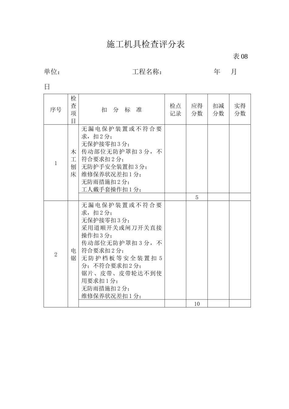
施工机具检查评分表表08单位:工程名称:年月日序号检查项目扣分标准检点记录应得分数扣减分数实得分数1木工刨床无漏电保护装置或不符合要求,扣2分;无保护接零扣3分;传动部位无防护罩扣3分,不符合要求扣2分;无防护手安全装置扣3分;维修保养状况差扣1分;无防雨措施扣2分;工人戴手套操作扣1分;52电锯无漏电保护装置或不符合要求,扣2分;无保护接零扣3分;采用道顺开关或闸刀开关直接操作扣3分;传动部位无防护罩扣3分,不符合要求扣2分;无防护档板等安全装置扣5分;不符合要求扣2分;锯片、皮带、皮带轮达不到使用要求扣1分;无防雨措施扣2分;维修保养状况差扣1分;103手持电工工具不按规定装设漏电保护装置扣2分;不按规定加装保护接零扣3分电缆破损,拖地过长每处扣2分;使用多面插座每处扣2分;104钢筋机械无漏电保护装置或不符合要求,扣2分;无保护接零扣3分;传动部位无防护罩扣5分;不按规定使用按钮开关扣2分;无防雨措施扣2分;维修保养状况差扣1分;105气瓶乙炔瓶、氧气瓶存放使用未按规定距离分开放置扣5分乙炔瓶、氧气瓶无明显标志扣5分;无防震胶圈、防爆、防晒措施各扣2分;使用时距离明火距离不符合要求各扣2分;气瓶倒放扣2分,皮管老化扣2分;5序号检查项目扣分标准检点记录应得分数扣减分数实得分数6搅拌机与砂浆机无漏电保护装置或不符合要求,扣2分;无保护接零扣3分;安装不平,不稳固扣2分;离合器、制动器、钢丝绳不符合要求各扣2分无保险挂钩扣2分,不挂挂钩扣1分;料斗行程限位器失灵扣2分;传动部位无防护罩扣3分,不符合要求扣2分;无防雨措施扣2分;维修保养状况差扣1分;107电焊机无漏电保护装置或不符合要求,扣2分;无保护接零扣3分;未使用焊机专用电缆扣3分;一次线长度超过5m,二次线长度超过30m扣3分;隔层作业或随地拖拉扣3分;接线端子板损坏或无完好隔离罩扣2分;配线乱拉搭扣4分;无防雨措施扣2分;158潜水泵无漏电保护装置或不符合要求,扣2分;无保护接零扣3分;带电移动扣10分;操作者离潜水泵的距离不符合要求扣10分;109场内机械制动装置失灵扣5分;司机不持证上岗驾车扣2分;行车载人或违章行车扣3分;1010砂轮切割机无漏电保护装置或不符合要求,扣2分;无保护接零扣3分;手把绝缘差扣4分;不采用按钮开关操作扣3分;砂轮片损坏扣2分;10检查项目100注:1、每项最多扣减分数不大于应得分数;2、该表换算到表01后得分=10×该表检查项目实得分数合计100

1、当您付费下载文档后,您只拥有了使用权限,并不意味着购买了版权,文档只能用于自身使用,不得用于其他商业用途(如 [转卖]进行直接盈利或[编辑后售卖]进行间接盈利)。
2、本站所有内容均由合作方或网友上传,本站不对文档的完整性、权威性及其观点立场正确性做任何保证或承诺!文档内容仅供研究参考,付费前请自行鉴别。
3、如文档内容存在违规,或者侵犯商业秘密、侵犯著作权等,请点击“违规举报”。

碎片内容

安全生产方针、目标

您可能关注的文档

黄金书屋+ 关注
实名认证
内容提供者

爱好英语教学和互联网行业,热爱教育事业,兢兢业业

确认删除?
VIP
微信客服
  • 扫码咨询
会员Q群
  • 会员专属群点击这里加入QQ群
客服邮箱
回到顶部