电脑桌面
添加小米粒文库到电脑桌面
安装后可以在桌面快捷访问

印染废水处理工艺进展VIP免费

印染废水处理工艺进展_第1页
1/7
印染废水处理工艺进展_第2页
2/7
印染废水处理工艺进展_第3页
3/7
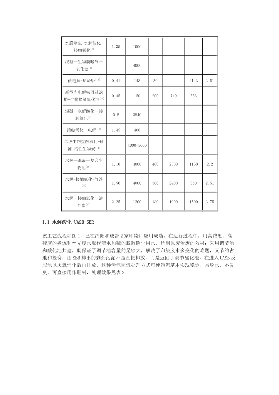
印染废水处理工艺进展摘要:印染废水是一种有机物含量高,色度高,生化性能差的难降解废水。介绍了近几年来经工程实践证明较成熟、处理效果相对较理想的典型的印染废水处理工艺,给出了各工艺的流程图及处理效果,并对其进行了初步的经济比较。我国日排放印染废水量为(300~400)×104t,是各行业中的排污大户之一。印染废水主要由退浆废水、煮炼废水、漂白废水、丝光废水、染色废水和印花废水组成,具有以下特征:水量大、有机污染物含量高、碱度和pH值变化大、水质变化大;可生化性能差,废水BOD5/COD值一般在20%左右;色度高,有时可达4000倍以上;印染行业中,PVA浆料和新型助剂的使用,使难生化降解的有机物在废水中的含量大大增加。1印染废水处理工艺方案从我国染料行业废水治理技术的现状来看,经过多年努力,已有一系列处理效果好的工艺应用到实际工程中(如表1)。现把近几年来较成熟、处理效果相对较理想的处理工艺作一些介绍。表1各工艺运行情况组合工艺处理费用(元/m3)处理水量(m3/d)工程总投资(万元)占地面积m2工程单位造价(元/m2)单位总处理费用(元/m2)水解酸化—UASB—SBR[1]0.6-0.820002401500-250012001.9水解酸化—生物接触氧化[2]0.454800活性污泥—接触氧化[3]0.79700-1000推流式曝气增氧活性污泥[4]0.95120011002.05涡凹气浮(CAF)-A/O工艺[5]1.935007151517.63.43缺氧-好氧-压滤-富氧生物炭处理[6]0.72200改良厌氧—生物接触氧化[7]1.85400水膜除尘-水解酸化-接触氧化[8]1.351000混凝—生物膜曝气—氧化塘[9]4000微电解-炉渣吸[10]0.411483021432.51新型内电解铁屑过滤塔-生物接触氧化池[11]0.451502007495561混凝—水解酸化—接触氧化[12]0.83840接触氧化—电解[13]1.45400二级生物接触氧化-砂滤-活性生物炭[14]4000-5000水解—混凝—复合生物池[15]1.104000460250011502.2水解-接触氧化-气浮[16]1.56400038024009502.51水解—接触氧化—活性炭[17]2.251200180100015003.751.1水解酸化-UASB-SBR该工艺流程如图1,已在绵阳和成都2家印染厂应用成功,在运行过程中,用高浓度、高碱度的煮炼和丝光废水取代清水加碱的脱硫除尘用水,达到以废治废的效果;采用调节池和酸化池共建,既保证了调节池容量的足够大,解决了印染废水多变化的难题,又节约占地和投资;由SBR排出的剩余污泥不是直接排放,而是返回了调节酸化池,在进入UASB反应池以厌氧消化后再排放,这种污泥回流处理方式可使污泥基本实现稳定,易脱水,不发臭,可直接用作肥料,处理效果见表2。表2水解酸化—UASB—SBR工艺处理效果指标COD(mg/l)BOD(mg/l)SS(mg/l)色度(倍)进水2500-4500600-1000400-600100-600出水80-15030-4020-7050-601.2水解—混凝—复合生物池海城市中新印染厂采用该工艺处理印染废水是成功的,水解、混凝处理可以降低废水的pH值,提高废水的可生化性,有利于后续的生物处理;混凝气浮脱色使色度去除率达76.6%;复合生物池生物量大,运行稳定,抗冲击负荷强,对于可生化性较差的废水有较好的去除效果:COD去除率90.5%,BOD去除率96.6%,工艺流程见图2。1.3涡凹气浮(CAF)—A/O宁波某纺织有限公司采用的CAF系统是美国HydroCal环保公司专门为去除污水中的油脂与胶状物和固体悬浮物而设计的系统,其原理是通过独特的涡旋曝气机将微泡注入废水中,工艺流程见图3。实际使用证明:该系统非常适合于洗毛染色废水的处理,其处理效果:COD:70%;BOD:46%;SS:90%以上。1.4新型内电解铁屑过滤塔—生物接触氧化池长沙毛巾集团公司采用内电解铁屑过滤塔作为印染废水的预处理单元,铁屑过滤塔的填料有铁屑与辅料按1.5:1的比例组成,辅料的加入可以防止铁屑板结和塔内沟流并提高脱色效果。其工艺流程如图4,处理结果见表3。表3新型内电解铁屑过滤塔—生物接触氧化池处理效果指标COD(mg/l)BOD(mg/l)色度(倍)进水545.2-395127-34.4256-32出水274.8-9486.3-26.441.5推流式曝气增氧活性污泥浙江某集团公司采用的该工艺将水解酸化池前置于系统中,能将不易降解的染料、印染助剂等大分子有机物分解成小分子有机物,提高了废水的可生化性,为后续的好氧处理起铺垫作用;在活性污泥前设置了生物选择器,二沉...

1、当您付费下载文档后,您只拥有了使用权限,并不意味着购买了版权,文档只能用于自身使用,不得用于其他商业用途(如 [转卖]进行直接盈利或[编辑后售卖]进行间接盈利)。
2、本站所有内容均由合作方或网友上传,本站不对文档的完整性、权威性及其观点立场正确性做任何保证或承诺!文档内容仅供研究参考,付费前请自行鉴别。
3、如文档内容存在违规,或者侵犯商业秘密、侵犯著作权等,请点击“违规举报”。

碎片内容

印染废水处理工艺进展

您可能关注的文档

确认删除?
VIP
微信客服
  • 扫码咨询
会员Q群
  • 会员专属群点击这里加入QQ群
客服邮箱
回到顶部