电脑桌面
添加小米粒文库到电脑桌面
安装后可以在桌面快捷访问

安全生产责任制管理制度(53页)VIP免费

安全生产责任制管理制度(53页)_第1页
1/32
安全生产责任制管理制度(53页)_第2页
2/32
安全生产责任制管理制度(53页)_第3页
3/32
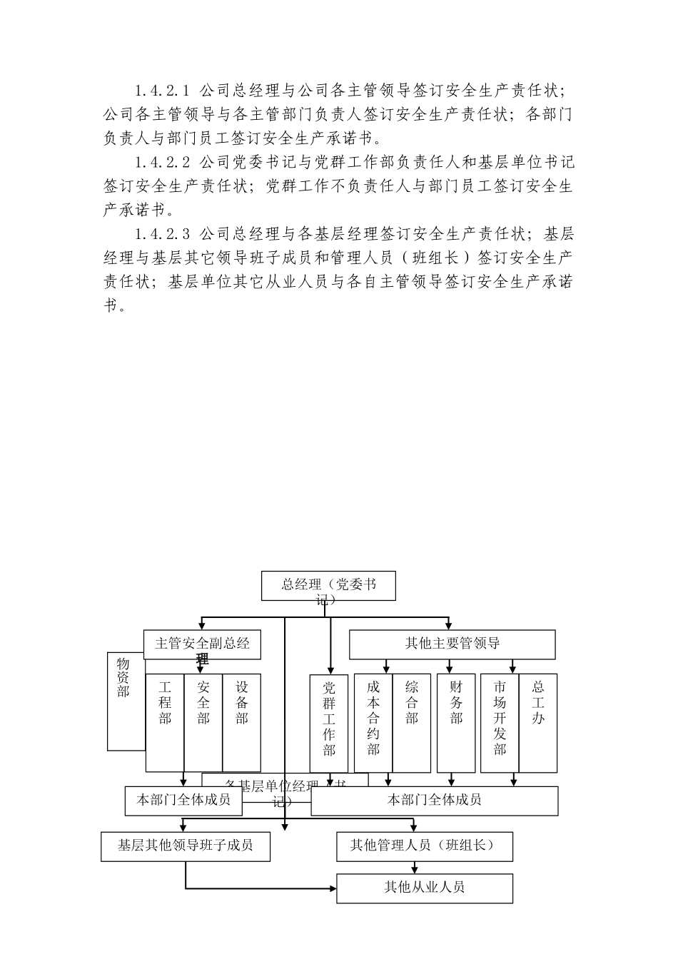
安全生产责任制管理制度第一章总则1.1目的为加强公司安全生产管理工作,明确各级领导、各职能部门、各单位和各类人员在生产活动中责任明确,全员参与,协调配合,使其在各自职责范围内对安全生产工作负责,确保安全生产目标的实现。特制定本制度。1.2范围适用于公司各级领导、各职能部门、各基层单位和各类人员的安全生产管理。1.3引用文件1.3.1《中华人民共和国安全生产法》;1.3.2《建设工程安全生产管理条例》。1.4管理规定1.4.1成立安全生产委员会(领导小组)1.4.1.1公司成立以总经理为第一责任人的安全生产委员会,下设安全生产委员会办公室(安全部)。1.4.1.2安全生产委员会负责公司安全生产的领导,并制定、落实、检查、监督、考核安全生产责任制,实施和推进公司环境保护、职业健康安全管理体系和施工现场安全生产保证体系标准的贯彻执行。1.4.1.3各基层单位成立以项目经理为第一责任人的安全生产领导小组(名单由基层单位自定,报公司安全生产委员会备案)。1.4.1.4各基层单位安全生产领导小组落实、检查、考核安全生产责任制,充分履行管理职能,增强全员安全意识,提高自我防范的能力,有效控制危险源和不利环境因素,确保施工全过程人的不安全行为和物的不安全状态处于受控状态,以保证安全管理目标的实现。1.4.2安全生产责任体系安全生产责任体系按照安全生产责任状(承诺书)的签订程序进行划分:1.4.2.1公司总经理与公司各主管领导签订安全生产责任状;公司各主管领导与各主管部门负责人签订安全生产责任状;各部门负责人与部门员工签订安全生产承诺书。1.4.2.2公司党委书记与党群工作部负责任人和基层单位书记签订安全生产责任状;党群工作不负责任人与部门员工签订安全生产承诺书。1.4.2.3公司总经理与各基层经理签订安全生产责任状;基层经理与基层其它领导班子成员和管理人员(班组长)签订安全生产责任状;基层单位其它从业人员与各自主管领导签订安全生产承诺书。物资部其他管理人员(班组长)基层其他领导班子成员各基层单位经理(书记)其他从业人员工程部安全部设备部市场开发部总工办成本合约部综合部财务部党群工作部其他主要管领导主管安全副总经理总经理(党委书记)本部门全体成员本部门全体成员安全生产责任体系流程图1.4.3责任制落实原则1.4.3.1基本原则(1)安全生产第一位原则:“安全第一,预防为主、综合治理”是党的安全生产方针,安全生产工作是各级领导第一位的工作、第一位的责任、第一位的标准;(2)党政同责、一岗双责、齐抓共管”原则:各级党组织、行政和各部门、各基层单位党政领导班子要全面建立本部门、本单位的安全生产工作制度。必须承担相应的安全管理责任;(3)“管生产必须管安全、管经营必须管安全、管业务必须管安全”的原则:公司各专业主管领导,在“计划、布置、检查、总结、评比”主管范围内工作的同时,必须“计划、布置、检查、总结、评比”安全生产工作,对主管范围内的安全生产工作负领导责任;(4)“谁主管、谁负责;谁审批、谁负责;谁检查、谁负责”原则:各级领导按照工作分工对所管理的部门和单位安全生产工作负总责;其他各级管理人员和职工按照岗位职责确定的责任分工对所管理的工作负安全生产责任;(5)属地化管理原则:属地化管理是指对行政辖区内生产经营单位,以实际生产经营地为对象进行的管理。公司属各基层单位在各自辖区内进行工程施工或经营的,其安全生产工作由各基层单位负总责,并承担相应管理责任。1.4.3.2分级管理原则:(1)安全生产责任制贯彻“一级抓一级、一级对一级负责”的原则,责任到人,形成安全管理网络体系,安全生产责任制必须以书面形式签订安全生产责任状(承诺书),经责任人签字确认后予以实施;(2)公司按总经理(党委书记)→分管副总经理→部门→人员;基层单位按总经理(党委书记)→基层单位经理(书记)→基层单位副经理→管理人员(或班组长)→其他从业人员签字确认程序予以落实;(3)公司内部机构和人员的责任状(承诺书)由安全部负责收集汇总;项目部内部管理人员、管理人员(或班组长)和其他从业人员的确认资料由基层单位资料员收集装订成册;(4)安全...

1、当您付费下载文档后,您只拥有了使用权限,并不意味着购买了版权,文档只能用于自身使用,不得用于其他商业用途(如 [转卖]进行直接盈利或[编辑后售卖]进行间接盈利)。
2、本站所有内容均由合作方或网友上传,本站不对文档的完整性、权威性及其观点立场正确性做任何保证或承诺!文档内容仅供研究参考,付费前请自行鉴别。
3、如文档内容存在违规,或者侵犯商业秘密、侵犯著作权等,请点击“违规举报”。

碎片内容

安全生产责任制管理制度(53页)

您可能关注的文档

确认删除?
VIP
微信客服
  • 扫码咨询
会员Q群
  • 会员专属群点击这里加入QQ群
客服邮箱
回到顶部