电脑桌面
添加小米粒文库到电脑桌面
安装后可以在桌面快捷访问

北京市特种设备检验检测收费标准VIP专享VIP免费

北京市特种设备检验检测收费标准_第1页
1/22
北京市特种设备检验检测收费标准_第2页
2/22
北京市特种设备检验检测收费标准_第3页
3/22
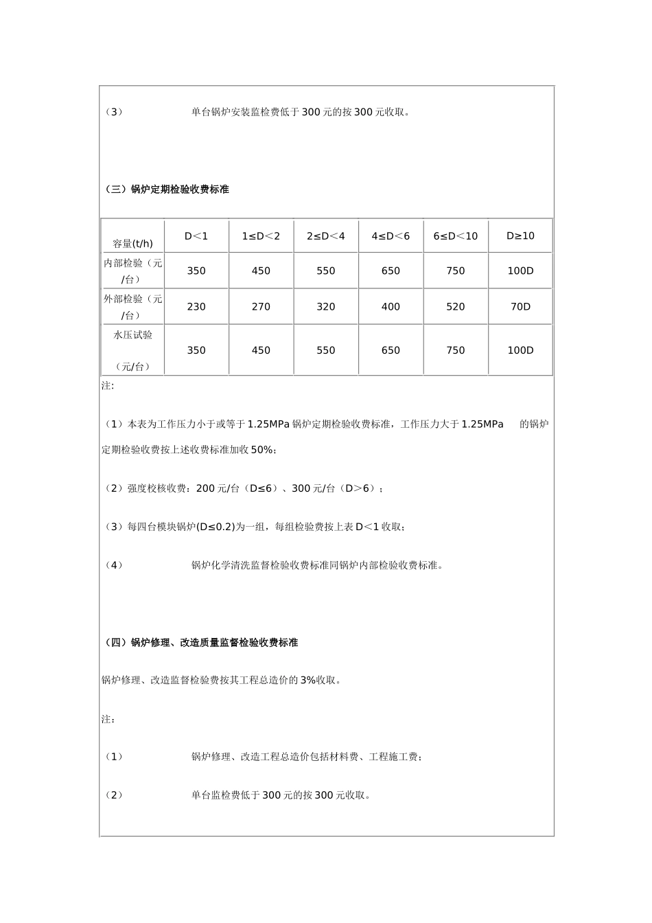
附件二北京市特种设备检验检测收费标准(试行)一.锅炉检验收费标准(一)锅炉产品制造质量监督检验收费标准容量(t/h)D≤11<D≤6D>6收费标准(元/台)(按产品出厂价)1.0%0.9%0.7%注:(1)表中D为锅炉容量(t/h);(2)热水锅炉按0.7MW相当于1t/h计算;(3)单台锅炉监检费低于260元的按260元收取;(4)散装及组装锅炉应扣除送引风机、烟囱、水处理设备、炉排、平台扶梯、钢架等部件的价格。(二)锅炉安装质量监督检验收费标准容量(t/h)D≤11<D≤66<D≤1515<D≤20D>20收费标准(元/台)(按其工程总造价)1.0%0.9%0.8%0.7%0.6%注:(1)锅炉安装工程总造价包括锅炉本体设备销售价、安装工程施工费;(2)散装锅炉安装监检收费按上表收费标准加收30%;(3)单台锅炉安装监检费低于300元的按300元收取。(三)锅炉定期检验收费标准容量(t/h)D<11≤D<22≤D<44≤D<66≤D<10D≥10内部检验(元/台)350450550650750100D外部检验(元/台)23027032040052070D水压试验(元/台)350450550650750100D注:(1)本表为工作压力小于或等于1.25MPa锅炉定期检验收费标准,工作压力大于1.25MPa的锅炉定期检验收费按上述收费标准加收50%;(2)强度校核收费:200元/台(D≤6)、300元/台(D>6);(3)每四台模块锅炉(D≤0.2)为一组,每组检验费按上表D<1收取;(4)锅炉化学清洗监督检验收费标准同锅炉内部检验收费标准。(四)锅炉修理、改造质量监督检验收费标准锅炉修理、改造监督检验费按其工程总造价的3%收取。注:(1)锅炉修理、改造工程总造价包括材料费、工程施工费;(2)单台监检费低于300元的按300元收取。(五)电站锅炉产品制造质量监督检验收费标准容量(t/h)D≤3535<D≤130130<D≤410D>410收费标准(元/台)(按锅炉本体出厂价格)0.4%0.3%0.2%0.1%注:(1)电站锅炉本体出厂价格应扣除随锅炉供应的鼓、引风机、烟囱、除尘器、水泵、水处理设备、炉排、平台扶梯、钢架等附属设施;(2)新产品试制及按国外标准制造在国内使用的电站锅炉,按上述收费标准加收10%。(六)电站锅炉安装质量监督检验收费标准容量(t/h)D≤3535<D≤130130<D≤410D>410收费标准(元/台)(按其工程总造价)0.8%0.6%0.4%0.2%注:电站锅炉安装工程总造价为工程施工费。(七)电站锅炉定期检验收费标准容量(t/h)D≤3535<D≤130130<D≤410D>410内部检验(元/台)230D200D150D120D外部检验(元/台)50D40D40D30D水压试验(元/台)80D70D60D55D注:强度校核收费按外部检验的50%收取。(八)电站锅炉修理、改造质量监督检验收费标准电站锅炉修理、改造监督检验费按其工程总造价的1%收取。注:(1)电站锅炉修理、改造工程总造价为工程施工费;(2)单台监检费低于500元的按500元收取。(九)进出口锅炉安全质量监督检验收费标准容量(t/h)D≤2020<D≤130130<D≤410D>410收费标准(元/台)(按锅炉销售价)1.0%0.8%0.6%0.4%注:(1)单台监检费低于260元的按260元收取;(2)锅炉销售价为锅炉本体价格,不包括运费等其他费用。(十)锅炉水质分析项目收费标准项目收费标准(元/样)项目收费标准(元/样)PH值(电极法)20亚硫酸盐20硬度20磷酸盐20氯化物40溶解氧90碱度20化学耗氧量30钙离子20含油量40悬浮物40铁离子30镁离子20相对碱度20溶解固型物50浊度90电导率30水垢定性分析200注:锅炉水质分析项目及内容按照国家相关标准的规定执行。二.压力容器检验收费标准(一)压力容器1、压力容器制造质量监督检验收费标准收费标准(元/台)(按压力容器出厂价)V≤5m35m3<V≤50m3V>50m3一、二类1.0%0.9%0.8%三类1.1%1.0%0.9%注:(1)压力容器出厂价为容器本体价格;(2)单台监检费低于50元的按50元收取。2、压力容器现场安装、组装、移装质量监督检验收费标准压力容器现场安装、组装、移装监督检验收费按其工程总造价的1.0%收取。注:(1)单台收费低于200元的按200元收取;(2)工程总造价包括设备销售价和安装工程施工费。3、压力容器定期检验收费标准容积(m3)外部检验(元)内、外部检验(元)耐压试验(元)气密/气压试验(元)V≤1m31502502503501m3<V≤5m32503503505005m3<V≤10m330040...

1、当您付费下载文档后,您只拥有了使用权限,并不意味着购买了版权,文档只能用于自身使用,不得用于其他商业用途(如 [转卖]进行直接盈利或[编辑后售卖]进行间接盈利)。
2、本站所有内容均由合作方或网友上传,本站不对文档的完整性、权威性及其观点立场正确性做任何保证或承诺!文档内容仅供研究参考,付费前请自行鉴别。
3、如文档内容存在违规,或者侵犯商业秘密、侵犯著作权等,请点击“违规举报”。

碎片内容

北京市特种设备检验检测收费标准

确认删除?
VIP
微信客服
  • 扫码咨询
会员Q群
  • 会员专属群点击这里加入QQ群
客服邮箱
回到顶部