电脑桌面
添加小米粒文库到电脑桌面
安装后可以在桌面快捷访问

职工三级安全教育登记卡(24页)VIP免费

职工三级安全教育登记卡(24页)_第1页
1/27
职工三级安全教育登记卡(24页)_第2页
2/27
职工三级安全教育登记卡(24页)_第3页
3/27
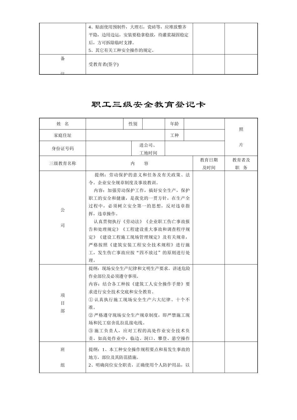
职工三级安全教育登记卡姓名性别年龄照片家庭住址工种身份证号码进公司、工地时间三级教育名称内容教育日期及时间教育者及职务公司提纲:劳动保护的意义和任务及有关政策、法令。企业安全规章制度及事故教训。内容:加强劳动保护工作,搞好安全生产,保护职工的安全和健康,是我党的一贯方针,在生产全过程中,必须树立安全第一的思想,反对违章指挥,违章操作。认真贯彻执行《劳动法》《企业职工伤亡事故报告和处理规定》《工程建设重大事故和调查程序规定》《建设工程施工现场管理规定》及有关规章,严格按照《建筑安装工项目部采购食品用的车辆、容器要清洁卫生,做到生熟分开,防尘、防蝇、防雨、防晒、不得采购制售腐败变质、霉变、生虫、有异味或《食品卫生法》规定禁止生产经营的食品,盛放酱油、盐等副食调料要做到容器物见本色、加盖存放、清洁卫生。制作食品的原料要新鲜卫生,各种食品要烧熟煮透,以免食物中毒的发生,制做过程及刀、墩、案板、盆、筐、水池子、抹布和冰箱等工具要严格做到生熟分开,售饭时,要用工具销售直接入口食品,饭票要消毒。炊事人员每年进行一次健康检查,持有健康合格证及卫生知识培训证后,方可上岗。操作时必须穿戴好工作服、白帽,并保持清洁整齐,做到文明生产,不赤背、不光脚,禁止随地吐痰,做好个人卫生,要坚持做到四勤,并要搞好食堂卫生,要经常打扫,打药。施工现场应供应开水,贮水器具要卫生,夏季要确保施工现场凉开水的供应。备注受教育者(签字)职工三级安全教育登记卡姓名性别年龄照片家庭住址工种身份证号码进公司、工地时间三级教育名称内容教育日期及时间教育者及职务公司提纲:劳动保护的意义和任务及有关政策、法令。企业安全规章制度及事故教训。内容:加强劳动保护工作,搞好安全生产,保护职工的安全和健康,是我党的一贯方针,在生产全过程中,必须树立安全第一的思想,反对违章指挥,违章操作。认真贯彻执行《劳动法》《企业职工伤亡事故报告和处理规定》《工程建设重大事故和调查程序规定》《建设工程施工现场管理规定》及有关规章,严格按照《建筑安装工程安全技术规程》进行施工,发生伤亡事故应按“四不放过”的原则进行处理。项目部提纲:现场安全生产纪律和文明生产要求。讲述危险作业部痊及必须遵守事项。内容:结合各工种按《建筑工人安全操作手册》要求进行安全技术交底和安全教育。①认真执行施工现场安全生产六大纪律、十个不准。②严格遵守现场安全生产规章制度,即严禁施工现场和民工宿舍乱拉乱接电线。③施工负责人,应对工程的高处作业安全技术负责。如高处作业中,临边、洞口、攀登、悬空操作班组提纲:1、本工种安全操作规程要点和易发生事故的地方、部位及其防范措施。2、明确岗位安全职责,正确使用个人防护用品,以及有关防护装置、设施的使用和维护。内容:抹灰工安全技术操作规程。1、严格执行本工程安全技术操作和施工现场各项规章、规定。2、室内抹灰使用的木凳、金属支架应搭设平稳牢固,脚手板跨度不得大于2米,架上堆放材料不得过于集中,在同一跨度内不应超过两人。3、不准在门窗、暖气片,洗脸池等器物上搭设脚手板。阳台部位粉刷,外侧必须挂设安全网。严禁踏脚手架的护身杆和阳台栏杆板上进行操作。4、贴面使用预制件,大理石,瓷砖等,应堆放整齐平隐,边用边运,安装要稳拿稳放,待灌浆凝固稳定后,方可拆除临时支撑。5、其它有关工种安全操作的规定。备注受教育者(签字)职工三级安全教育登记卡姓名性别年龄照片家庭住址工种身份证号码进公司、工地时间三级教育名称内容教育日期及时间教育者及职务公司提纲:劳动保护的意义和任务及有关政策、法令。企业安全规章制度及事故教训。内容:加强劳动保护工作,搞好安全生产,保护职工的安全和健康,是我党的一贯方针,在生产全过程中,必须树立安全第一的思想,反对违章指挥,违章操作。认真贯彻执行《劳动法》《企业职工伤亡事故报告和处理规定》《工程建设重大事故和调查程序规定》《建设工程施工现场管理规定》及有关规章,严格按照《建筑安装工程安全技术规程》进行施工,发生伤亡事故应按“四不放过”的原则进行处理。项目部提...

1、当您付费下载文档后,您只拥有了使用权限,并不意味着购买了版权,文档只能用于自身使用,不得用于其他商业用途(如 [转卖]进行直接盈利或[编辑后售卖]进行间接盈利)。
2、本站所有内容均由合作方或网友上传,本站不对文档的完整性、权威性及其观点立场正确性做任何保证或承诺!文档内容仅供研究参考,付费前请自行鉴别。
3、如文档内容存在违规,或者侵犯商业秘密、侵犯著作权等,请点击“违规举报”。

碎片内容

职工三级安全教育登记卡(24页)

您可能关注的文档

确认删除?
VIP
微信客服
  • 扫码咨询
会员Q群
  • 会员专属群点击这里加入QQ群
客服邮箱
回到顶部