电脑桌面
添加小米粒文库到电脑桌面
安装后可以在桌面快捷访问

数据库安全检查报告VIP专享VIP免费

数据库安全检查报告_第1页
1/7
数据库安全检查报告_第2页
2/7
数据库安全检查报告_第3页
3/7
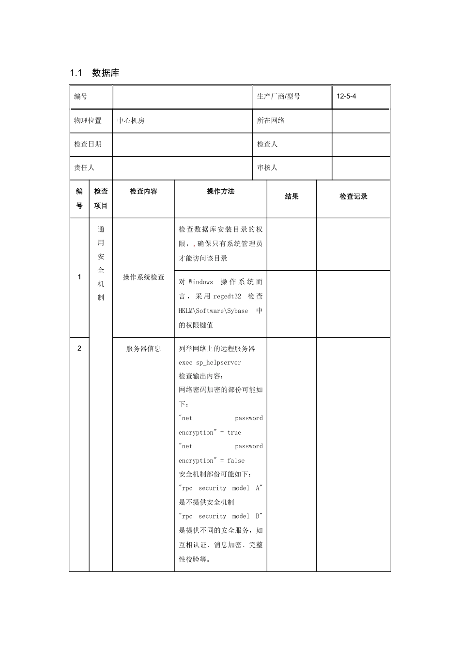
1.1数据库编号生产厂商/型号12-5-4物理位置中心机房所在网络检查日期检查人责任人审核人编号检查项目检查内容操作方法结果检查记录1通用安全机制操作系统检查检查数据库安装目录的权限,,确保只有系统管理员才能访问该目录对Windows操作系统而言,采用regedt32检查HKLM\Software\Sybase中的权限键值2服务器信息列举网络上的远程服务器execsp_helpserver检查输出内容:网络密码加密的部份可能如下:"netpasswordencryption"=true"netpasswordencryption"=false安全机制部份可能如下:"rpcsecuritymodelA"是不提供安全机制"rpcsecuritymodelB"是提供不同的安全服务,如互相认证、消息加密、完整性校验等。列举特定服务器的信息execsp_helpdb3登陆配置检查认证模式是否开启execsp_loginconfig"loginmode"检查默认登陆execsp_loginconfig"defaultaccount"在集成认证模式中,确认默认登陆角色不是sa,设置为NULL或者一个低权限的用户。4补丁查看服务器版本信息select@@VERSION5数据库配置通用数据库参数获得当前Server的配置execsp_configure6检查输出'allowupdatestosystemtables'如果是“on”状态,DBA可以通过存储过程修改系统表。建议sso将其设置为“off”状态。因为已经建立的存储过程可以被执行,建议审计数据库的存储过程列表。execsp_configure"allowupdatestosystemtables"7检查并保证'allowresourcelimit'的值设为“1”execsp_configure"allowresourcelimit"8保证系统表'syscomments'已经被保护该系统表非常重要,但默认情况下被设置为"1",确认该值被设置为"0"。execsp_configure"selectonsyscomments.text"9错误日志配置检查是否设置失败登陆日志,确认该值设置为"0"execsp_configure"logauditlogonfailure"10检查是否设置成功登陆日志,确认该数值设为"0"execsp_configure"logauditlogonsuccess"11用户级安全组列举某数据库的所有组:useDBNameexecsp_helpgroup12列举某组内的用户:useDBNameexecsp_helpgroupGroupName13角色检查服务器角色和用户定义的角色:selectname,password,pwdate,statusfromsyssrvroles14检查每个角色的详细信息:execsp_displayroles"RoleName",expand_up15检查每个用户的详细信息:execsp_displayrolesUserName,expand_down16检查角色中空口令用户:selectnamefromsyssrvroleswherepassword=NULL17用户检查某数据库的所有用户:execsp_helpuser18检查散列用户口令:selectname,passwordfromsyslogins19检查每个数据库的用户权限:useDBNameexecsp_helprotect20口令安全参数检查口令过期时间,建议设置为14天execsp_configure"passwordexpirationinterval"'0'–密码从不过期'n'–天数.21检查口令是否至少包含一位数字execsp_configure"checkpasswordfordigit"'0'-强制用户口令中至少包含一个数字22检查最小密码长度,建议为8位以上execsp_configure"minimumpasswordlength"23数据级安全权限检查关键表、过程、触发器的权限,检查赋予public组权限的对象:useDBNameexecsp_helprotectObjectName输出:1.用户权限列表2.所有对象的权限类型3.是否设置WITHGRANT权限24存储过程列出数据库中所有扩展存储过程:usesybsystemprocsselectnamefromsysobjectswheretype='XP'25删除扩展存储过程xp_cmdshell,并删除sybsyesp.dllexecsp_dropextendedprocxp_cmdshell如果一定需要使用xp_cmdshell,则审核其权限分配:usesybsystemprocsexecsp_helprotect“xp_cmdshell”26检查其它存储过程如sendmail,freemail,readmail,deletemail,startmail,stopmail,删除无用的存储过程,并删除mail帐号'sybmail'.27网络层安全远端服务器信息检查远端服务器是否允许访问usemasterexecsp_configure"allowremoteaccess"'1'-允许远程访问'0'-不允许远程访问检查信任用户的存在情况execsp_helpremoteserver28远程连接机制检查安全机制和其提供的安全服务select*fromsyssecmechsSyssecmech表默认并不存在,仅在查询的时候创建,它由以下的列组成:sec_mech_name服务器提供的安全机制名available_service安全机制提供的安全服务举例,Windows网络管理员,其内容将为:sec_mech_name=NTLANMANAGERavailable_service=unifiedlogin29检查libctl.cfg文件内部包含了网络驱动的信息,安全,目录磁盘和其他初始化信息。1.如果LDAP密码加密。2.安全机制:"dce"DCE安全机制。"csfkrb5"CyberSAFEKerberos安全机制。"LIBSMSSP"WindowsNT或Windows95(仅客户端)上的Windows网络管理员。注意:libtcl.cfg的位置:UNIX模式:$SYBASE/config/桌面模式:SYBASE_home\ini\30检查统一登陆需要的参数execsp_configure"unifiedloginrequired"如果网络安全被设置为启用,则保证其设置为"1"。设置为"0",将会允许传统的用户密码方式登陆到ASE,这样跟信任连接一样会对网络的安全性造成影响。

1、当您付费下载文档后,您只拥有了使用权限,并不意味着购买了版权,文档只能用于自身使用,不得用于其他商业用途(如 [转卖]进行直接盈利或[编辑后售卖]进行间接盈利)。
2、本站所有内容均由合作方或网友上传,本站不对文档的完整性、权威性及其观点立场正确性做任何保证或承诺!文档内容仅供研究参考,付费前请自行鉴别。
3、如文档内容存在违规,或者侵犯商业秘密、侵犯著作权等,请点击“违规举报”。

碎片内容

数据库安全检查报告

确认删除?
VIP
微信客服
  • 扫码咨询
会员Q群
  • 会员专属群点击这里加入QQ群
客服邮箱
回到顶部