电脑桌面
添加小米粒文库到电脑桌面
安装后可以在桌面快捷访问

有机硅项目评价报告VIP免费

有机硅项目评价报告_第1页
1/94
有机硅项目评价报告_第2页
2/94
有机硅项目评价报告_第3页
3/94
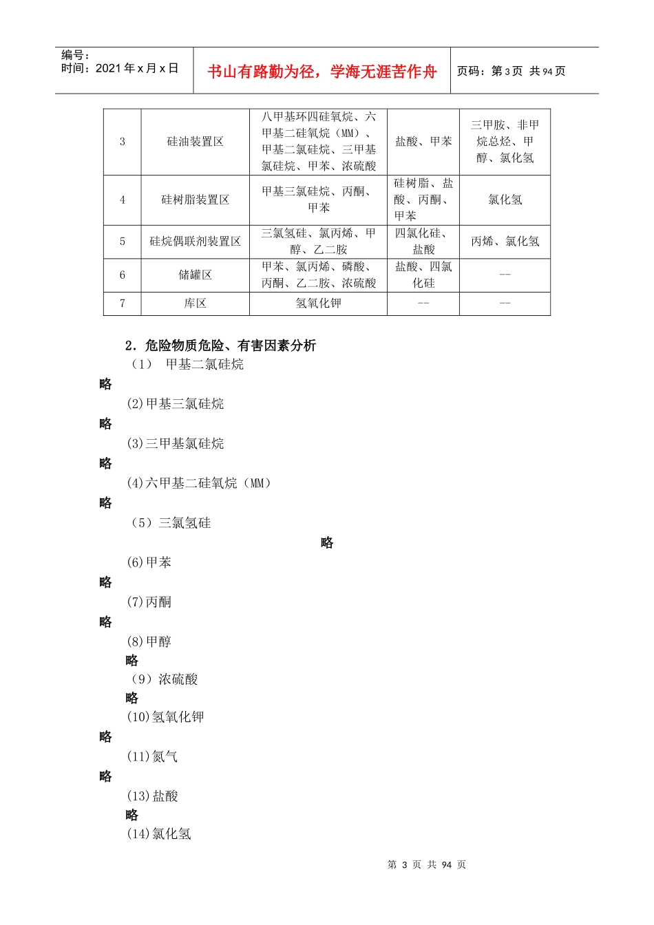
第1页共94页编号:时间:2021年x月x日书山有路勤为径,学海无涯苦作舟页码:第1页共94页附件一安全评价依据根据——项目安全设立评价的工作需要,本次评价工作所依据的文件包括法律、法规;部门规章;规范、标准;工程相关资料等。本次评价工作所依据的文件包括法律、法规;部门规章;规范、标准;工程相关资料等。一、法律、法规略附件二主要危险有害因素辨识危险和有害因素是指可能造成人员伤害、职业病、财产损失、作业环境破坏等的根源或状态。能量、有害物质的存在是危险、有害因素产生的根源,能量、有害物质的失控是危险、有害因素产生的条件,失控主要体现在工艺技术有缺陷、设备故障、人为失误、管理缺陷、环境因素等几个方面。对该项目中存在的主要危险因素进行分析,即根据项目可行性研究报告中提出的生产工艺流程、采用的原料、产生的中间品及产品、使用的设备和作业场所进行分析,识别系统内存在的危险、有害因素的种类及其可能产生的危险、危害方式和途径,确定出该项目工程的主要危险因素和有害因素。一、危险有害因素辨识依据在对该项目危险、有害因素进行辨识时,首先选定危险、有害因素的分类方法,其次结合其工艺生产中有关物料的危险性,近而分析各危险因素的伤害后果,并由此确定出该项目的主要危险、有害因素。1.按照国家标准《生产过程危险和有害因素分类与代码》(GB/T13861-92)提出的方法进行分类。该标准将生产劳动过程中的危险和有害因素划分为物理性、化学性、生物性、心理生理性、行为性和其他6大类,每大类又分为若干中类和小类。这种分类方法比较全面细致、科学合理,包括了对劳动安全和劳动卫生各个方面的危险和有害因素的考虑。但是这种方法较为繁杂,使用不便。2.按照国家标准《企业职工伤亡事故分类标准》(GB6441-86)对职工伤亡事故的分类方法,将建设项目生产劳动过程中的危险因素与职工伤亡事故的种类相对应,进行危险因素的分类,共分为20类。这种方法简便易行,与安全生产实际工作较为吻合。3.按照《常见危险化学品的分类和方法》(GB13690-1992),将常用的危险化学品分为爆炸品、压缩气体和液化气体、易燃液体、易燃固体(含自燃品)和遇湿易燃物品、氧化剂和有机过氧化物、有毒品、放射性物品、腐蚀品第2页共94页第1页共94页编号:时间:2021年x月x日书山有路勤为径,学海无涯苦作舟页码:第2页共94页等8类。根据对该项目劳动安全卫生状况的调查以及本评价组专家的经验,我们选择:(1)对该项目的危险、有害因素分析,依据《企业职工伤亡事故分类标准》(GB6441-86)进行辨识。(2)对该项目所涉及的危险物质,依据《常见危险化学品的分类和方法》(GB13690-1992)、《危险化学品名录》(2002版)进行辨识。(3)重大危险源辨识依据《重大危险源辨识》(GB18218-2000)进行辨识。(4)防爆区域划分依据《爆炸和火灾危险环境电力装置设计规范》(GB50058-1992)进行划分。二、物质的危险有害因素辨识在有机硅系列产品生产过程中接触的原料、中间产物、产品多为易燃、易爆、有毒、有害等物质,这些物质可造成火灾爆炸、中毒等安全事故。1.工艺生产过程涉及的危险物质依据《——项目可行性研究报告》,该工程项目工艺生产过程使用的原料为:八甲基环四硅氧烷(D4)、甲基二氯硅烷、甲基三氯硅烷、三甲基氯硅烷、白炭黑、六甲基二硅氧烷(MM)、三氯氢硅、氯丙烯、甲苯、氢氧化钾、磷酸、丙酮、乙二胺、浓硫酸、甲醇、碳酸钙、氧化铁、氧化锌、硅酸脂(交联剂)、硅氧烷(助剂)、铂催化剂、活性炭、甲基乙烯基环硅氧烷(VMC)、四甲基氢氧化铵(催化剂)、低聚硅氧烷(结构化控制剂)、双2,5硫化剂、离子交换树脂(催化剂)、氮气、压缩空气、蒸汽、去离子水、冷冻水。产品、中间产品及副产品为:室温硫化硅橡胶基础胶、室温硫化硅橡胶、热硫化硅橡胶、混炼胶、硅油、硅树脂、硅烷偶联剂、四氯化硅、盐酸。副产物:氯化氢、丙烯、三甲胺、甲醇、非甲烷总烃、乙二胺盐等。依据《危险化学品名录》(2002年版),上述物质属危险化学品的有:八甲基环四硅氧烷(D4)、甲基二氯硅烷、甲基三氯硅烷、三甲基氯硅烷、六甲基二硅氧烷(MM)...

1、当您付费下载文档后,您只拥有了使用权限,并不意味着购买了版权,文档只能用于自身使用,不得用于其他商业用途(如 [转卖]进行直接盈利或[编辑后售卖]进行间接盈利)。
2、本站所有内容均由合作方或网友上传,本站不对文档的完整性、权威性及其观点立场正确性做任何保证或承诺!文档内容仅供研究参考,付费前请自行鉴别。
3、如文档内容存在违规,或者侵犯商业秘密、侵犯著作权等,请点击“违规举报”。

碎片内容

有机硅项目评价报告

您可能关注的文档

确认删除?
VIP
微信客服
  • 扫码咨询
会员Q群
  • 会员专属群点击这里加入QQ群
客服邮箱
回到顶部