电脑桌面
添加小米粒文库到电脑桌面
安装后可以在桌面快捷访问

人力资源-9-交工试验071-074(天然气管道安装交工资料)VIP免费

人力资源-9-交工试验071-074(天然气管道安装交工资料)_第1页
1/6
人力资源-9-交工试验071-074(天然气管道安装交工资料)_第2页
2/6
人力资源-9-交工试验071-074(天然气管道安装交工资料)_第3页
3/6
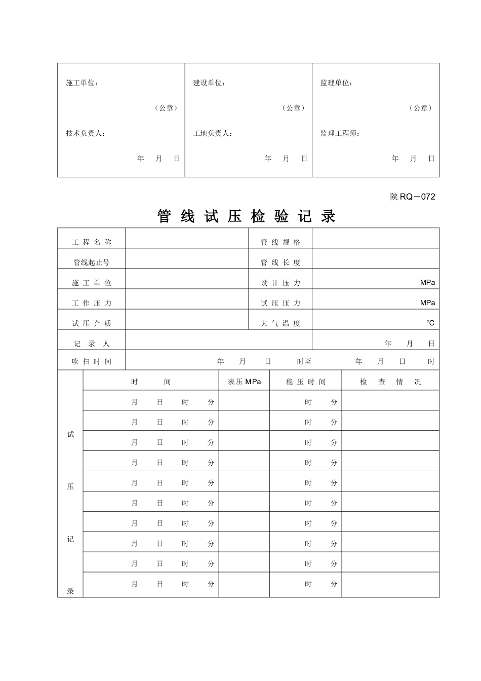
目录陕RQ-071设备管道吹(洗)扫记录陕RQ-072管线试压检验记录陕RQ-073工艺装置系统试压记录陕RQ-074户内管道强度/严密性试验记录陕RQ-071设备管道吹(洗)扫记录工程名称项目名称安装地点设备位号工作介质工作温度℃吹扫(洗)介质检查方法吹(洗)扫检验结果:记录人年月日施工单位:(公章)技术负责人:年月日建设单位:(公章)工地负责人:年月日监理单位:(公章)监理工程师:年月日陕RQ-072管线试压检验记录工程名称管线规格管线起止号管线长度施工单位设计压力MPa工作压力试压压力MPa试压介质大气温度℃记录人年月日吹扫时间年月日时至年月日时试压记录时间表压MPa稳压时间检查情况月日时分时分月日时分时分月日时分时分月日时分时分月日时分时分月日时分时分月日时分时分月日时分时分月日时分时分月日时分时分结果施工单位:(公章)技术负责人:年月日建设单位:(公章)工地负责人:年月日监理单位:(公章)监理工程师:年月日陕RQ-073工艺装置试压检验记录工程名称装置名称图纸档案号设备位号(管号)规格长度(m)设计压力MPa操作温度℃工作介质强度试验严密性试验试验介质试验压力试验介质试验压力稳压时间压力降稳压时间压力降记录人年月日试压系统示意图试压方法及情况结论施工单位:(公章)技术负责人:年月日建设单位:(公章)工地负责人:年月日监理单位:(公章)监理工程师:年月日陕RQ-074户内管道强度/严密性试验记录工程名称工程编号设计压力(KPa)试验介质试验压力(KPa)试验时间(min)试验楼号立管号试验压力(KPa)试验时间(min)压力降(Pa)记录试验结论施工单位:(公章)技术负责人:年月日建设单位:(公章)工地负责人:年月日监理单位:(公章)监理工程师:年月日

1、当您付费下载文档后,您只拥有了使用权限,并不意味着购买了版权,文档只能用于自身使用,不得用于其他商业用途(如 [转卖]进行直接盈利或[编辑后售卖]进行间接盈利)。
2、本站所有内容均由合作方或网友上传,本站不对文档的完整性、权威性及其观点立场正确性做任何保证或承诺!文档内容仅供研究参考,付费前请自行鉴别。
3、如文档内容存在违规,或者侵犯商业秘密、侵犯著作权等,请点击“违规举报”。

碎片内容

人力资源-9-交工试验071-074(天然气管道安装交工资料)

您可能关注的文档

确认删除?
VIP
微信客服
  • 扫码咨询
会员Q群
  • 会员专属群点击这里加入QQ群
客服邮箱
回到顶部