电脑桌面
添加小米粒文库到电脑桌面
安装后可以在桌面快捷访问

四季度考核评分汇总表VIP免费

四季度考核评分汇总表_第1页
1/27
四季度考核评分汇总表_第2页
2/27
四季度考核评分汇总表_第3页
3/27
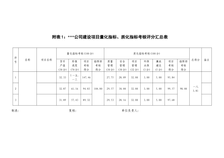
附表1:***公司建设项目量化指标、质化指标考核评分汇总表序号名称项目名称量化指标考核(100分)质化指标考核(100分)总得分备注货币产值(30分)形象进度(70分)项目考核得分指挥部考核得分质量管理(30分)安全管理(30分)项目管理(32分)环保水保(3分)廉政建设(5分)项目考核得分指挥部考核得分132.331一五.一三147.46104.8027.7528.0932.003.005.0095.8498.00一八3.81232.8761.1694.0329.5730.0032.003.005.0099.57331.8957.4389.3229.5328.1632.003.005.0097.68制表:复核:单位负责人:附表2:***公司20一三年第四季度劳动竞赛建设项目货币产值评分表单位:万元序号名称项目名称项目总投资2012年底累计完成本年度情况四季度货币产值情况货币产值目标得分(30分)备注20一三年计划投资1~9月份累计完成四季度投资计划实际完成占确保目标比例项目计算得分项目群权重综合得分确保力争确保力争126952637851789198221051434274853077629616107.75%32.3323.39%32.392461074一八80034848669202490099484202010900109.57%32.8740.01%3421680一八700700008000044620253803538026980106.30%31.8936.60%合计75351一八3767229一三0120954628一三10817667496附表3-22***公司20一三年第四季度劳动竞赛建设项目形象进度评分表项目名称:序号工程名称单位季度计划截止下季度末季度完成形象进度评分情况数量占总数量百分比累计计划完成占总数量百分比数量占总数量百分比权值检查项目得分一土石方工程万方2一五21.06%7一五70%362168.37%0.648376.41二桥梁工程1基础桩基根38027%126890.00%661173.95%0.225527.462下构墩柱根120一五%39450.00%一五3127.5%0.126211.26塔身个3上构梁板预制片梁板安装片现浇节段节节段拼装节现浇箱梁孔三隧道工程1洞身掘进开挖初支米二次衬砌米四路面工程1基层千平方米2面层千平方米五交安设施公里六绿化环保公里七房建工程平方米八机电工程公里主要形象进度目标得分1一五.一三附表3-25***公司20一三年第四季度劳动竞赛建设项目形象进度评分表项目名称:序号工作内容名称季度计划季度完成工作内容计划文字描述占总数量百分比工作内容计划文字描述一全部完成100%施工图已通过专家评审二12全部完成100%全部完成3全部完成100%征地完成,拆迁正在进行中4全部完成100%三杆迁移施工中三1一期土建全部完成100%全部完成2一期土建全部完成100%全部完成四1全部完成100%完成2全部完成100%二标驻地建设已完成,三标正在收尾39月底完成90%90%三场建设正在进行中49月底完成70%70%主便道施工中五9月份路基、桥梁桩基、隧道开工,9月底完成2%,年底完成10%10%完成路基土石方1.8万方,开工桩基40根,开工涵洞5道,完成隧道洞口仰坡开挖及防护主要形象进度目标得分附表3-26***公司20一三年第四季度劳动竞赛建设项目形象进度评分表项目名称:岳阳至宜昌高速公路宜昌段序号工作内容名称季度计划季度完成工作内容计划文字描述占总数量百分比工作内容计划文字描述一二12全部完成100%全部完成3全部完成100%征地全部完成,拆迁全面展开412月底完成50%100%三杆迁移正在进行中三1一期土建全部完成100%全部完成2一期土建全部完成100%全部完成四1全部完成100%全部完成2全部完成100%全部完成3全部完成100%三场标准化建设中4基本完成100%建设中五路基土石方完成30%,桥梁桩基完成20%,小构完成20%。20%路基土石方、桥梁桩基、小构开始施工主要形象进度目标得分***公司20一三年第三季度劳动竞赛建设项目质化指标考核评分表项目名称考评单位质量安全得分权重加权得分系数本次考核得分得分权重加权得分970.192.500.327.751000.193.63920.25940.25920.6592.50.65980.198.550.329.571000.1100.00950.251000.251000.651000.65980.198.430.329.531000.193.8594.50.25910.251000.65940.65***公司高速公路建设总监办工程质量管理工作考评表项目名称:总监办:湖北交投宜张高速公路总监办类别考核内容及分值扣分标准不满足要求情况1组织机构(20分)机构设置(5分)缺一个部门,扣1分;缺一个岗位职责,扣1分齐全,满足要求主要管理人员资格(5分)不少于管理人员总数65%,不足按比例扣分专业技术人员资格(5分)高、中级以...

1、当您付费下载文档后,您只拥有了使用权限,并不意味着购买了版权,文档只能用于自身使用,不得用于其他商业用途(如 [转卖]进行直接盈利或[编辑后售卖]进行间接盈利)。
2、本站所有内容均由合作方或网友上传,本站不对文档的完整性、权威性及其观点立场正确性做任何保证或承诺!文档内容仅供研究参考,付费前请自行鉴别。
3、如文档内容存在违规,或者侵犯商业秘密、侵犯著作权等,请点击“违规举报”。

碎片内容

四季度考核评分汇总表

您可能关注的文档

确认删除?
VIP
微信客服
  • 扫码咨询
会员Q群
  • 会员专属群点击这里加入QQ群
客服邮箱
回到顶部