电脑桌面
添加小米粒文库到电脑桌面
安装后可以在桌面快捷访问

压力管道设计常用标准规范目录VIP免费

压力管道设计常用标准规范目录_第1页
1/6
压力管道设计常用标准规范目录_第2页
2/6
压力管道设计常用标准规范目录_第3页
3/6
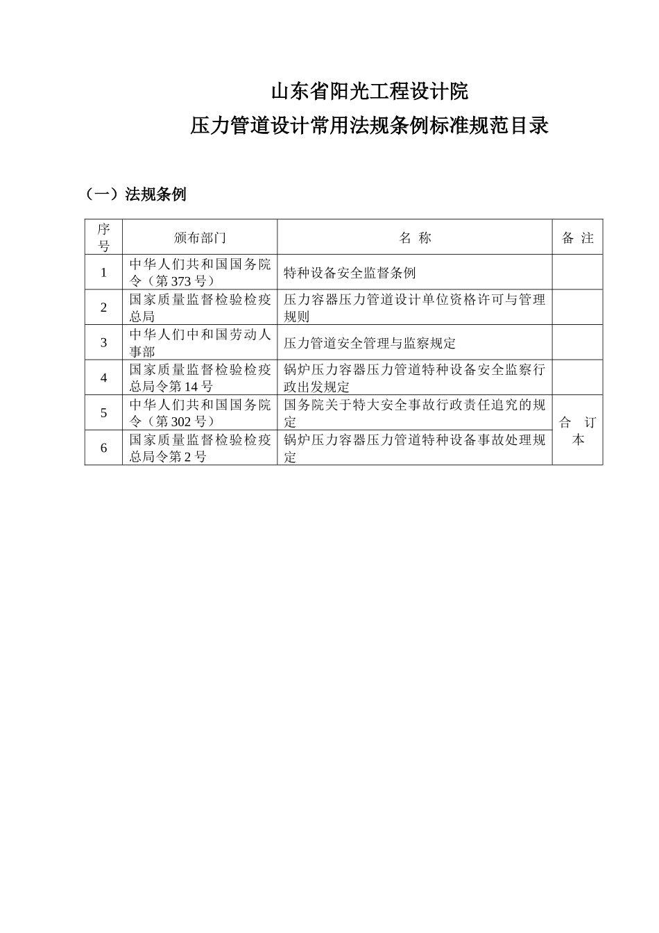
山东省阳光工程设计院压力管道设计常用法规条例标准规范目录(一)法规条例序号颁布部门名称备注1中华人们共和国国务院令(第373号)特种设备安全监督条例2国家质量监督检验检疫总局压力容器压力管道设计单位资格许可与管理规则3中华人们中和国劳动人事部压力管道安全管理与监察规定4国家质量监督检验检疫总局令第14号锅炉压力容器压力管道特种设备安全监察行政出发规定5中华人们共和国国务院令(第302号)国务院关于特大安全事故行政责任追究的规定合订本6国家质量监督检验检疫总局令第2号锅炉压力容器压力管道特种设备事故处理规定(二)设计标准序号标准编号标准规范名称备注1GB50016-2006建筑设计防火规范2GB50316-2000工业金属管道设计规范3GB50264-97工业设备及管道绝热工程设计规范4GB50032-2003室外给水排水和燃气热力工程抗震设计规范5GB50029-2003压缩空气站设计规范6GB50028-2006城镇燃气设计规范7GB50041-92锅炉房设计规范8GB50265-97泵站设计规范9GB/T20801-2006压力管道规范工业管道10DL5000-2000火力发电厂设计技术规程11DL/T5054-96火力发电厂汽水管道设计技术规定12DL/T5182-2004火力发电厂热工自动化设计技术规定13DL/T561-95火力发电厂水汽化学监督导则14DL612-1996电站工业锅炉压力容器监督规程15DL/T709-1999压力钢管安全检测技术规程16DL/T712-2000火力发电厂凝汽器管选材导则17DL/T715-2000火力发电厂金属材料选用导则18DL/T716-2000电站隔膜阀选用导则19DL/T776-2000火力发电厂保温材料技术条件20DL/T850-2004电站配管21DL/T5072-1997火力发电厂保温油漆设计规程22CJJ34-2002城市热力网设计规范23CJJ/T88-2000城镇供热系统安全运行技术规程24CJJ/T81-98城镇直埋供热管道工程技术规范25GB/T4272-92设备及管道保温技术通则26GB/T9174-88设备及管道保温效果的测试与评价27GB/T8175-87设备及管道保温设计导则28GB/T11790-1996设备及管道保冷技术通则(三)施工标准序号标准编号标准规范名称备注1GB50231-98机械设备安装工程施工及验收通用规范2GB50235-97工业金属管道工程施工及验收规范3GB50236-98现场设备、工业管道焊接工程施工及验收规范4CJJ28-2004城市供热管网工程施工及验收规范5CJJ33-2005城镇燃气输配工程施工及验收规范6GB50273-98工业锅炉安装工程施工及验收规范7GB50184-93工业金属管道工程质量检验评定标准8DL5011-92电力建设施工及验收技术规范(汽轮机机组篇)9DL/T820-2002电力建设施工及验收技术规范(管道焊接接头超声波检验篇)10DL/T869-2004火力发电厂焊接技术规程11DL/T709-2001火力发电厂异种钢焊接技术规程12JGJ82-91钢结构高强度螺栓连接的设计、施工及验收规程13GB3323-2005钢熔化焊对接接头射线照相和质量分级14GB/T5777-96无缝钢管超声波探伤方法15GB/T7735-2004钢管涡流探伤检验方法16GB/T12606-1999钢管漏磁探伤方法17GB50185-93工业设备及管道绝热工程质量检验评定标准18GB8923-88涂装前钢材表面锈蚀等级和除锈等级(四)管道器材标准序号标准编号标准规范名称备注1GB150-1998钢制压力容器2GB/T699-1999优质碳素结构钢3GB/T700-2006碳素结构钢4GB/T1220-2007不锈钢棒5GB/T1221-2007耐热钢棒6GB/T1591-94低合金高强度结构钢7GB/T3077-1999合金结构钢(2000年第1号修改单)8GB/T17395-1998无缝钢管尺寸、外形、重量及允许偏差9GB3087-1999低中压锅炉用无缝钢管10GB/T3091-2001低压流体输送用焊接钢管11GB5310-1995高压锅炉用无缝钢管12GB/T9711.1-97石油天然气工业输送钢管交货技术条件-A级钢管13GB/T12771-2000流体输送用不锈钢焊接钢管14GB13296-2007锅炉、热交换器用不锈钢无缝钢管15GB/T13793-92直缝电焊钢管16GB/T14976-2002流体输送用不锈钢无缝钢管17GB/T12459-2005钢制对焊无缝管件18GB/T13401-2005钢板制对焊管件19GB/T14626-93锻钢制螺纹管件20GB/T17185-1997钢制法兰管件21GB/T9112-2000钢制管法兰类型与参数22GB/T17241.3-1998带颈螺纹铸铁管法兰23HG20592-20635-97钢制管法兰、垫片、紧固件(2001年第1号修改通知单)24GB4622.1-2003缠绕式垫片分类(1996年第1号修改单)25GB4622.2-2003钢制管法兰用缠绕式垫片尺寸...

1、当您付费下载文档后,您只拥有了使用权限,并不意味着购买了版权,文档只能用于自身使用,不得用于其他商业用途(如 [转卖]进行直接盈利或[编辑后售卖]进行间接盈利)。
2、本站所有内容均由合作方或网友上传,本站不对文档的完整性、权威性及其观点立场正确性做任何保证或承诺!文档内容仅供研究参考,付费前请自行鉴别。
3、如文档内容存在违规,或者侵犯商业秘密、侵犯著作权等,请点击“违规举报”。

碎片内容

压力管道设计常用标准规范目录

确认删除?
VIP
微信客服
  • 扫码咨询
会员Q群
  • 会员专属群点击这里加入QQ群
客服邮箱
回到顶部