电脑桌面
添加小米粒文库到电脑桌面
安装后可以在桌面快捷访问

人力资源-10月份施工汇报材料VIP免费

人力资源-10月份施工汇报材料_第1页
1/10
人力资源-10月份施工汇报材料_第2页
2/10
人力资源-10月份施工汇报材料_第3页
3/10
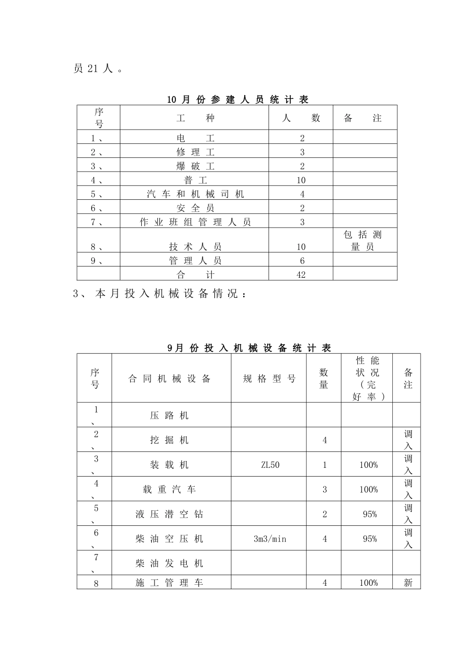
西汉高速公路佛坪连接线永久性改线工程A合同段9月份生产情况汇报二○一一年九月三十日9月份施工生产情况汇报施工单位:A标编号:2011-02日期:2011年9月1日—9月30日止一、工程概况:A合同段位于佛坪大河坝镇,起迄里程桩号:K0+000-K3+800。由西汉高速公路匝道开始,沿子午河东岸而上,与K1+119处跨越子午河,经蒲家沟、田坝梁,合同段全长9.8Km,主要工程数量:路基土石方挖方591540立方米,填方69302立方米,大桥323.05米/2座,中桥154米/2座,涵洞301.4延米/11道,防护3.4万立方。二、本月施工情况:(一)、本月气候以及人员、机械投入情况:1、气候:本月雨天为17天,阴天以及晴天13天,平均气温为21℃。2、人员投入情况:本月投入人员42人,其中管理人员21人。10月份参建人员统计表序号工种人数备注1、电工22、修理工33、爆破工24、普工105、汽车和机械司机46、安全员27、作业班组管理人员38、技术人员10包括测量员9、管理人员6合计423、本月投入机械设备情况:9月份投入机械设备统计表序号合同机械设备规格型号数量性能状况(完好率)备注1、压路机2、挖掘机4调入3、装载机ZL501100%调入4、载重汽车3100%调入5、液压潜空钻295%调入6、柴油空压机3m3/min495%调入7、柴油发电机8施工管理车4100%新、购(二)、完成工程形象进度:9月份完成的工程主要有:1、完成主要实物工程:(1)施工便道:完成蒲家沟号便道的修整,便道长度310米。完成蒲家沟两侧场内纵向便道合计450米。目前路基挖方作业面K1+720-K2+360段,共计540米作业面已经全部展开。(2)主线工程:完成K1+780~K1+980段路基挖方11000立方米,完成K2+090~K2+320段挖方49000m3。完成K0+111-K0+270段挡墙部分基础开挖。实物工程折合完成产值198万元。本月合计完成总产值165万元(9月份计划产值252万元)。占9月份计划的77%.(三)、本月质量、安全情况1、质量情况:本月施工主要属于开工前的前期工作。以及石方开挖、施工便道等施工。没有启动内部的质量控制体系以及质量体系的运行。在后期的施工中,将严格按照项目部和总监办的规定以及监理管理程序启动质量管理体系,并且有效运行。2、安全情况:本月安全工作已经逐步走上正轨,我部建立了安全生产管理机构和管理体系,并且有效地运行,目前我合同段的安全工作已经展开并进入正常运行,本月安全事故率为0%。(四)队伍和履约情况本月按照业主的统一要求,完善了各作业班组的用工劳务合同,强化了队伍内部管理和队伍的内部建制,队伍目前已经入稳定状态。目前,路基土石方、爆破,防护,桥梁4个队伍的设备和人员已经全部到位,路基、防护和爆破队伍已经开始正常施工。桥梁队伍正在进行拌合站的建设以及开工前的设备调遣和相关的准备工作,争取在10月份达到开钻条件。三、9月份施工中存在的问题和原因分析(1)工程进度与计划任务比较,相对滞后,没有达到预期的计划,主要有以下几个原因:①因为群众纠纷问题是影响本月施工的重要原因。地方村民阻扰施工现象严重。特别是宁陕段路基不能开工,对我段的计划任务完成影响很大。②作业面受到地形和道路的严重影响,作业面目前开辟少。作业不能完全展开,作业班组因作业面狭窄,相互制约和干扰,对工程进度带来影响。随着下一步作业面的不断开辟,和具备作业的线路长度增加,将有效地解决班组之间的协作问题。③天气因素的影响,本月雨天合计17天,严重影响正常施工进度。④火工用品的问题,也是影响本月施工进度的一个因素,目前,我合同段的炸药库房已经通过了验收,相关手续已经完善,在下个月将投入施工。(2)施工安全隐患和不安全因素仍然存在。我合同段一直把安全工作放在首位,目前工地上安全隐患任然存在,下一月施工中,安全工作的重点为继续排查安全隐患,寻找和发现现场不安全因素的安全源,并针对发现的安全源,制定切实、可行、有效的安全预防和管理措施,把安全隐患消灭在萌芽状态中。针对重点防范的安全问题健全安全紧急预案,并对预案进行演练和完善。四、10月份的施工安排:10月份我队将开展班组劳动竞赛活动,干好既有工作面,努力开辟新作业面,具体进度安排如下:(一)大临:完成拌合站的建设。电力...

1、当您付费下载文档后,您只拥有了使用权限,并不意味着购买了版权,文档只能用于自身使用,不得用于其他商业用途(如 [转卖]进行直接盈利或[编辑后售卖]进行间接盈利)。
2、本站所有内容均由合作方或网友上传,本站不对文档的完整性、权威性及其观点立场正确性做任何保证或承诺!文档内容仅供研究参考,付费前请自行鉴别。
3、如文档内容存在违规,或者侵犯商业秘密、侵犯著作权等,请点击“违规举报”。

碎片内容

人力资源-10月份施工汇报材料

您可能关注的文档

确认删除?
VIP
微信客服
  • 扫码咨询
会员Q群
  • 会员专属群点击这里加入QQ群
客服邮箱
回到顶部