电脑桌面
添加小米粒文库到电脑桌面
安装后可以在桌面快捷访问

中兴接入网培训VIP免费

中兴接入网培训_第1页
1/32
中兴接入网培训_第2页
2/32
中兴接入网培训_第3页
3/32
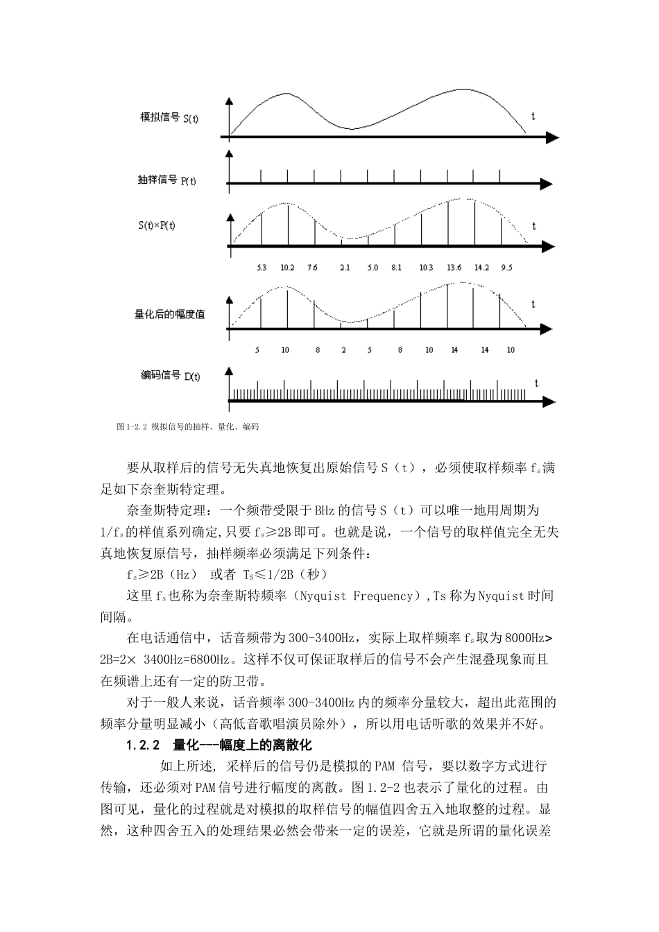
ZXA10光纤接入网系统培训教材第一章通信基础知识1.1数字信号与模拟信号什么是数字信号?什么是模拟信号?一般来说,数字信号必须满足在时间和信号幅值上是离散的,相反模拟信号在幅值上是连续的。图1.1-1模拟信号和数字信号波形示意图1.2数字化模型图1.2-1是一个数字通信系统方框图.图1.2-1PCM数字通信系统方框图模拟信号要变换成二进制数字信号一般必须经过取样、量化和编码三个处理过程。脉冲编码调制(PCM)也是如此。取样(Sampling)是将时间和幅度都连续的模拟信号变换成时间离散的幅度连续的另一种模拟信号,这种模拟信号也称为脉冲幅度调制(PAM)信号。为了使取样后的PAM信号能在接收端完全无失真地恢复为原始信号,取样周期应该满足奈奎斯特定理。量化(Quantization)是将幅度连续的样值进行幅度的离散化(又叫分层),使幅度连续的模拟PAM信号的变换成为多进制的数字信号。由于通常的数字通信系统和计算机中都采用二进制信号,所以对多进制的数字信号再进行二进制编码,使之最终成为二进制数字信号。1.2.1取样---时间上的离散化图1.2-2是取样脉冲序列P(t)对模拟信号S(t)进行采样、量化的原理框图及有关部分波形。图1-2.2模拟信号的抽样、量化、编码要从取样后的信号无失真地恢复出原始信号S(t),必须使取样频率fs满足如下奈奎斯特定理。奈奎斯特定理:一个频带受限于BHz的信号S(t)可以唯一地用周期为1/fs的样值系列确定,只要fs≥2B即可。也就是说,一个信号的取样值完全无失真地恢复原信号,抽样频率必须满足下列条件:fs≥2B(Hz)或者TS≤1/2B(秒)这里fs也称为奈奎斯特频率(NyquistFrequency),Ts称为Nyquist时间间隔。在电话通信中,话音频带为300-3400Hz,实际上取样频率fs取为8000Hz2B=23400Hz=6800Hz。这样不仅可保证取样后的信号不会产生混叠现象而且在频谱上还有一定的防卫带。对于一般人来说,话音频率300-3400Hz内的频率分量较大,超出此范围的频率分量明显减小(高低音歌唱演员除外),所以用电话听歌的效果并不好。1.2.2量化---幅度上的离散化如上所述,采样后的信号仍是模拟的PAM信号,要以数字方式进行传输,还必须对PAM信号进行幅度的离散。图1.2-2也表示了量化的过程。由图可见,量化的过程就是对模拟的取样信号的幅值四舍五入地取整的过程。显然,这种四舍五入的处理结果必然会带来一定的误差,它就是所谓的量化误差(QuantizationError)。这种量化误差在人耳中产生的影响也是一种的噪声。这种噪声通常称之为量化噪声(QuantizationNoise)Nq(t)。一般量化有均匀和非均匀量化两类。均匀量化就是均匀地划分量化范围的量化。由于对量化范围内的大小信号均采用相等的量化阶距进行量化,造成大信号的SNR信噪比有富俗,而小信号的SNR又嫌不足,而我们的话音多为小信号,SNR越大音质越好。为了提高小信号的SNR,在实际电话话音取样值的量化过程中,都采用非均匀量化,即对大小信号分别采用不等大小的量化阶距,对小信号采用小的量化阶距,对大信号采用大的量化阶距,从而使大小信号具有基本相同的SNR。采用非均匀量化后,小信号时的量化噪声小,而大信号时的量化噪声大。这对于人耳收听来说,并没有什么影响,因为SNR并没有变小。实现非均匀量化过程的原理示意图如图1.2-3所示。图1.2-3压扩PCM传输系统在这里,非均匀量化的实现是使信号S(t)经过一个具有非线性特性的压缩器进行变换,使其小信号扩张,而大信号被压缩,从而得到压缩了的信号,再通过一个均匀量化器量化,这就等效于对取样后的信号进行非均匀量化。在收端,量化后的信号经过具有与压缩器相反特性的扩张器,使得小信号得以压缩而大信号则被扩张,从而还原出原来的PAM信号。需要指出的是,量化过程是一种不可逆过程,也就是说,在量化过程中不仅会不可避免地引入上述的量化误差,而且这种误差不可能通过一种逆变换得以消除。常用的压缩特性有A律(A=87.6)(欧洲和中国采用)和律(=255)(北美和日本采用),它们都是对数压缩律。当前国际上选A=87.6。1.2.3A律折线法编码/译码实现上述连续压扩特性需无穷多个量化级,实际上无法加以实现,为此通常采用数字电路分段进行压扩。...

1、当您付费下载文档后,您只拥有了使用权限,并不意味着购买了版权,文档只能用于自身使用,不得用于其他商业用途(如 [转卖]进行直接盈利或[编辑后售卖]进行间接盈利)。
2、本站所有内容均由合作方或网友上传,本站不对文档的完整性、权威性及其观点立场正确性做任何保证或承诺!文档内容仅供研究参考,付费前请自行鉴别。
3、如文档内容存在违规,或者侵犯商业秘密、侵犯著作权等,请点击“违规举报”。

碎片内容

中兴接入网培训

您可能关注的文档

确认删除?
VIP
微信客服
  • 扫码咨询
会员Q群
  • 会员专属群点击这里加入QQ群
客服邮箱
回到顶部