电脑桌面
添加小米粒文库到电脑桌面
安装后可以在桌面快捷访问

人力资源-G307施工总结VIP免费

人力资源-G307施工总结_第1页
1/21
人力资源-G307施工总结_第2页
2/21
人力资源-G307施工总结_第3页
3/21
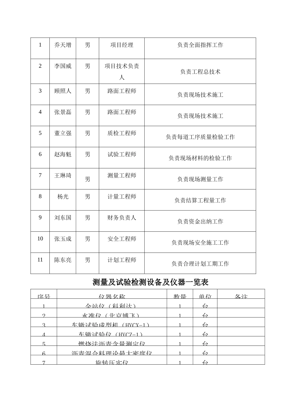
目录1、施工概况2、机构组成3、质量管理控制4、施工进度控制5、施工安全与文明施工情况6、环境保护与节约用地情况7、工程支付款情况8、施工体会及心得沿海高速沧州歧口至海丰段G307改线路面工程施工总结一、施工概况G307国道与沿海高速沧州歧口之海丰段在青丰农场枢纽互通范围内交叉,原路上下行分别依傍在石黄高速南北两侧,现状路面宽度南侧为6m北侧为8m。本次工程以平交型式与G307国道合流,改造标准按二级公路标准改造,路基宽度为15m。路基的基本走向为由西向东。本合同段施工工期为243天。A线长0.216km,B线长0.218km,N线长6.886km,路线全长合计7.320km。设计主线路宽12m,A线为8m,B线为6m。路面结构层为石灰粉煤灰稳定土底基层,30cm/2层,基层为水泥稳定级配碎石厚度为18cm,下面层为中粒式AC-16C沥青混凝土厚度为5cm,上面层为细粒式AC-13C沥青混凝土厚度4cm。路面两侧采用现浇混凝土路缘石,宽度25cm。二、机构组成(1)主要人员序号姓名性别任职具体负责职责1乔天增男项目经理负责全面指挥工作2李国威男项目技术负责人负责工程总技术3顾照人男路面工程师负责现场技术施工4张景磊男路面工程师负责现场技术施工5董立强男质检工程师负责每道工序质量检验工作6赵海魁男试验工程师负责现场材料的检验工作7王琳琦男测量工程师负责现场测量工作8杨光男计量工程师负责结算工程量工作9刘东国男财务负责人负责资金出纳工作10张玉成男安全工程师负责现场安全施工工作11陈东亮男计划工程师负责合理计划工期工作测量及试验检测设备及仪器一览表序号仪器名称数量单位备注1全站仪(科利达)1台2水准仪(北京博飞)1台3车辙试验成型机(HYCX-1)1台4车辙试验仪(HYCZ-1)1台5燃烧法沥青含量测定仪1台6沥青混合料理论最大密度仪1台7旋转压实仪1台8细集料棱角性测定仪1台9粗集料标准筛(方孔)1套10压碎值仪1套11游标卡尺1把12细集料标准筛1套13砂当量仪1台14静水天平1架15李式比重瓶2个16针入度仪1台17延度仪1台18软化点仪1台19薄膜烘箱1台20温度计(200℃)10个21温度计(100℃)8个22温度计(50℃)10个23多功能电炉2台24马歇尔击实仪(ZWJ2型)1套25渗水仪1台26抽提仪1台27沥青混合料拌和机1台28压力机1台29万能材料机1台30脱模机1台31沥青溶剂回收仪(LRH-Ⅱ型)1台职能组织管理机构框图(3)管理机构设置三、质量管理情况现场质量检查控制的方法主要是:测量、试验、观察、分析、监督、总结提高。(1)开工前首先审核与分析有关技术文件、报告或报表,对技术文件、报告、报表的审核与分析是对工程质量进行全面质量控制的重要手段,在项目项目经理的领导下,各相关部门应恪守各自的职责做好本项工作,确保控制有效。质量控制组织措施保证有效运行。具体组织结构图如下:G307改线路面工程项目部施工质量控制组织机构图说明:本标段人员配备:项目经理1人,总工程师1人,公路工程技术人员2人,质量检验技术人员1人,机械工程师1人,材料试验工程师1人,计量项目经理项目总工工程质检部工程材料部工地试验室工程技术部施工工区工程设备部工程师1人,计划统计工程师1人,财务会计师1人,安全负责人1人,其他管理服务人员6人。项目部下设二个专业施工队:每队配置30人,为加快施工进度分别施工(2)项目部现场质量检查控制措施1)开工前检查:具体细分至每个分项工程,检查是否具备开工条件,开工后能否连续正常施工,能否保证工程质量。单位工程、分部工程开工前检查由项目经理、项目总工负责检查并逐步落实到各部门、各工区。分项工程开工前检查由项目总工负责检查落实。2)工序交接检查与工序检查:工序交接检查由各工区负责,在质检部门的监督下进行,质检部门每天应及时向项目经理、项目总工汇报并作好总结工作。对于关键工序或对工程质量有重大影响的工序,在自检、互检的基础上,由总工或质检部长进行工组交接检查,以确保工序合格,使下道工序能顺利展开。3)隐蔽工程检查:凡是隐蔽工程均应经质检科、监理认可后方可掩盖。4)停工后复工前的检查:因处理质量问题或某种原因停工后再复工时,均应由项目经理或总工认可、监理同意后方可复工。5)分项、分部工程完工后的检查:应按规定的程序...

1、当您付费下载文档后,您只拥有了使用权限,并不意味着购买了版权,文档只能用于自身使用,不得用于其他商业用途(如 [转卖]进行直接盈利或[编辑后售卖]进行间接盈利)。
2、本站所有内容均由合作方或网友上传,本站不对文档的完整性、权威性及其观点立场正确性做任何保证或承诺!文档内容仅供研究参考,付费前请自行鉴别。
3、如文档内容存在违规,或者侵犯商业秘密、侵犯著作权等,请点击“违规举报”。

碎片内容

人力资源-G307施工总结

您可能关注的文档

确认删除?
VIP
微信客服
  • 扫码咨询
会员Q群
  • 会员专属群点击这里加入QQ群
客服邮箱
回到顶部