电脑桌面
添加小米粒文库到电脑桌面
安装后可以在桌面快捷访问

原料分析岗位说明书VIP免费

原料分析岗位说明书_第1页
1/4
原料分析岗位说明书_第2页
2/4
原料分析岗位说明书_第3页
3/4
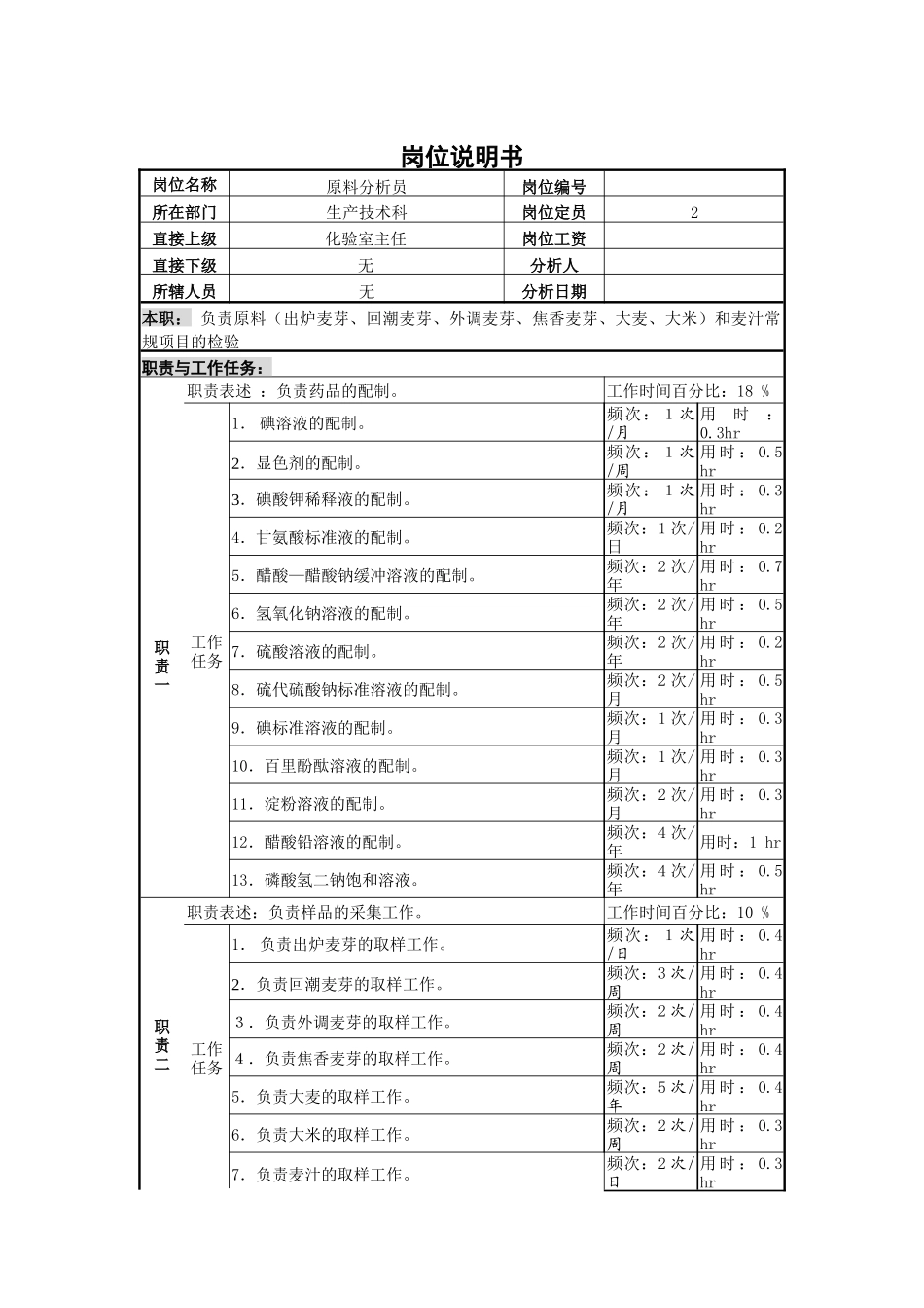
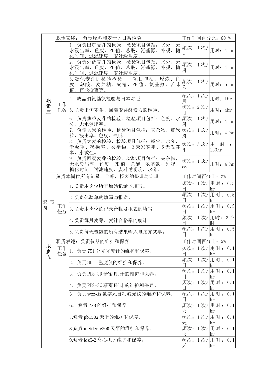
岗位说明书岗位名称原料分析员岗位编号所在部门生产技术科岗位定员2直接上级化验室主任岗位工资直接下级无分析人所辖人员无分析日期本职:负责原料(出炉麦芽、回潮麦芽、外调麦芽、焦香麦芽、大麦、大米)和麦汁常规项目的检验职责与工作任务:职责一职责表述:负责药品的配制。工作时间百分比:18%工作任务1.碘溶液的配制。频次:1次/月用时:0.3hr2.显色剂的配制。频次:1次/周用时:0.5hr3.碘酸钾稀释液的配制。频次:1次/月用时:0.3hr4.甘氨酸标准液的配制。频次:1次/日用时:0.2hr5.醋酸—醋酸钠缓冲溶液的配制。频次:2次/年用时:0.7hr6.氢氧化钠溶液的配制。频次:2次/年用时:0.5hr7.硫酸溶液的配制。频次:2次/年用时:0.2hr8.硫代硫酸钠标准溶液的配制。频次:2次/月用时:0.5hr9.碘标准溶液的配制。频次:1次/月用时:0.3hr10.百里酚酞溶液的配制。频次:1次/月用时:0.3hr11.淀粉溶液的配制。频次:2次/月用时:0.3hr12.醋酸铅溶液的配制。频次:4次/年用时:1hr13.磷酸氢二钠饱和溶液。频次:4次/年用时:0.5hr职责二职责表述:负责样品的采集工作。工作时间百分比:10%工作任务1.负责出炉麦芽的取样工作。频次:1次/日用时:0.4hr2.负责回潮麦芽的取样工作。频次:3次/周用时:0.4hr3.负责外调麦芽的取样工作。频次:2次/周用时:0.4hr4.负责焦香麦芽的取样工作。频次:2次/周用时:0.4hr5.负责大麦的取样工作。频次:5次/年用时:0.4hr6.负责大米的取样工作。频次:2次/周用时:0.3hr7.负责麦汁的取样工作。频次:2次/日用时:0.3hr职责三职责表述:负责原料和麦汁的日常检验工作时间百分比:60%工作任务1.负责出炉麦芽的检验,检验项目包括:水分、无水浸出率、色度、PH值、总酸、氨基氮、外观、糖化时间、过滤速度、麦汁透明度。频次:1次/日用时:4hr2.负责外调麦芽的检验,检验项目包括:水分、无水浸出率、色度、PH值、总酸、氨基氮、外观、糖化时间、过滤速度、麦汁透明度。频次:1次/周用时:4hr3.糖化麦汁的检验检验项目包括:原浓、色度、总酸、麦芽糖、糊精、PH值、氨基氮、苦味值、官能检查等。频次:1次/天用时:5hr4.成品酒氨基氮检验与日本对照频次:1次/月用时:1hr5.负责出炉麦芽、回潮麦芽酵素力的检验。频次:2次/月用时:4hr6.负责焦香麦芽的检验,检验项目包括:色度、水分、无水浸出率。频次:1次/周用时:4hr7.负责大米的检验,检验项目包括:夹杂物、黄米粒、浸出率、色度、气味。频次:1次/周用时:4hr8.负责大麦的检验,检验项目包括:感官、水分、千粒重、破损率、夹杂物、3天发芽率、5天发芽率、水敏性。频次:5次/年用时:120hr9.负责回潮麦芽的检验,检验项目包括:夹杂物、无水浸出率、色度、PH值、总酸、氨基氮、外观、糖化时间、过滤速度、麦汁透明度、水分。频次:1次/批用时:4hr职责四负责本岗位所有记录、台帐、报表的整理与管理工作时间百分比:2%工作任务1.负责本岗位所有原始记录的填写。频次:1次/日用时:0.5hr2.负责化验单的填写与报送。频次:1次/日用时:0.5hr3.负责本岗位的记录台帐及报表的填写频次:1次/日用时:0.5hr4.负责每月麦芽,麦汁合格率的统计。频次:1次/月用时:2小时5.负责每天检验的所有结果输入电脑并共享。频次:1次/日用时:0.5hr职责五职责表述:负责仪器的维护和保养工作时间百分比:5%工作任务1.负责751分光光度计的维护和保养。频次:1次/日用时:0.1hr2.负责SD-1色度仪的维护和保养。频次:1次/日用时:0.1hr3.负责PHS-3B精密PH计的维护和保养。频次:1次/日用时:0.1hr4.负责PHS-3C精密PH计的维护和保养。频次:1次/日用时:0.1hr5.负责wzz-1s数字式自动旋光仪的维护和保养。频次:1次/日用时:0.1hr6..负责723的维护和保养。频次:1次/天用时:0.1hr7.负责pb1502天平的维护和保养。频次:1次/天用时:0.1hr8.负责mettlerae200天平的维护和保养。频次:1次/天用时:0.1hr9.负责ldz5-2离心机的维护和保养。频次:1次/天用时:0.1hr10.负责zd-4调速多用振荡器的维护和保养。频次:1次/天用时:5分钟11.负责yq-pj-8b型自动糖化器的维护和保养。频次...

1、当您付费下载文档后,您只拥有了使用权限,并不意味着购买了版权,文档只能用于自身使用,不得用于其他商业用途(如 [转卖]进行直接盈利或[编辑后售卖]进行间接盈利)。
2、本站所有内容均由合作方或网友上传,本站不对文档的完整性、权威性及其观点立场正确性做任何保证或承诺!文档内容仅供研究参考,付费前请自行鉴别。
3、如文档内容存在违规,或者侵犯商业秘密、侵犯著作权等,请点击“违规举报”。

碎片内容

原料分析岗位说明书

确认删除?
VIP
微信客服
  • 扫码咨询
会员Q群
  • 会员专属群点击这里加入QQ群
客服邮箱
回到顶部