电脑桌面
添加小米粒文库到电脑桌面
安装后可以在桌面快捷访问

专家论证挖孔桩专项施工方案培训资料VIP专享VIP免费

专家论证挖孔桩专项施工方案培训资料_第1页
1/50
专家论证挖孔桩专项施工方案培训资料_第2页
2/50
专家论证挖孔桩专项施工方案培训资料_第3页
3/50
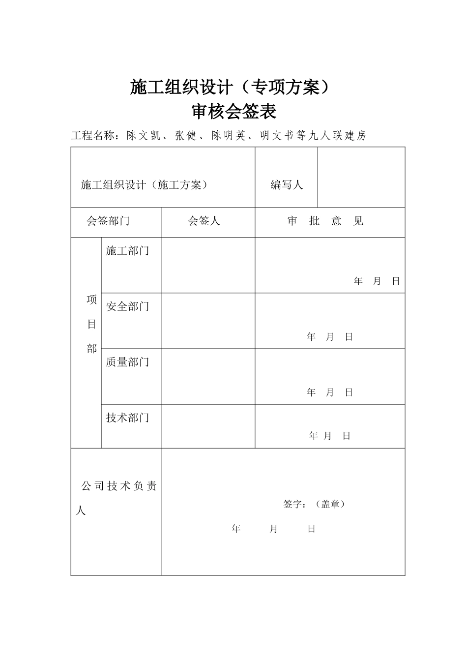
陈文凯、张健、陈明英、明文书等九人联建房人工挖孔桩方案重庆璧山区丹凤建筑有限公司专项方案报审表工程名称:陈文凯、张健、陈明英、明文书等九人联建房致:江阳建设集团有限公司(监理单位)我方已完成了人工挖孔桩方案的编制,并经公司技术负责人批准,请予以审查。附:专项方案承包单位:项目经理:日期:专业监理工程师审查意见:专业监理工程师:日期:总监理工程师审核意见:项目监理机构:总监理工程师:日期:建设单位审核意见:建设单位:建设单位代表:日期:施工组织设计(专项方案)审核会签表工程名称:陈文凯、张健、陈明英、明文书等九人联建房施工组织设计(施工方案)编写人会签部门会签人审批意见项目部施工部门年月日安全部门年月日质量部门年月日技术部门年月日公司技术负责人签字:(盖章)年月日目录第一章编制依据及说明........................................................................11.1编制说明..........................................................................................................11.2编制依据..........................................................................................................1第二章工程概况....................................................................................22.1工程概况.....................................................22.2拟建场地地形条件............................................32.3水文地质条件................................................32.4工程地质条件................................................32.5气候条件....................................................42.6边坡情况.....................................................42.7施工平面布置.................................................42.8施工要求和技术保证条件.......................................42.9施工危险源识别...............................................7第三章施工计划....................................................................................83.1施工进度计划................................................83.2材料计划....................................................83.3设备计划....................................................8第四章施工技术......................................................................................94.1技术参数...........................................................................................................94.2工艺流程...........................................................................................................94.3施工方法.........................................................................................................104.4检查验收.........................................................................................................16第五章施工安全保障措施....................................................................185.1组织保障....................................................185.2技术措施...................................................205.3应急预案....................................................315.4监测监控...................................................37第六章劳动力计划..............................................................................43第七章计算书及相关图纸..............................................................447.1计算书......................................................44第一章编制依据及说明1.1编制说明本工程为多层公共建筑,总建筑面积8224.13㎡,使用功能为商业、住宅及设备用房。地面六层,地下一层,总高度23.5米。主要结构类型为底部为框架结构,上部为砌体结构...

1、当您付费下载文档后,您只拥有了使用权限,并不意味着购买了版权,文档只能用于自身使用,不得用于其他商业用途(如 [转卖]进行直接盈利或[编辑后售卖]进行间接盈利)。
2、本站所有内容均由合作方或网友上传,本站不对文档的完整性、权威性及其观点立场正确性做任何保证或承诺!文档内容仅供研究参考,付费前请自行鉴别。
3、如文档内容存在违规,或者侵犯商业秘密、侵犯著作权等,请点击“违规举报”。

碎片内容

专家论证挖孔桩专项施工方案培训资料

确认删除?
VIP
微信客服
  • 扫码咨询
会员Q群
  • 会员专属群点击这里加入QQ群
客服邮箱
回到顶部