电脑桌面
添加小米粒文库到电脑桌面
安装后可以在桌面快捷访问

中央热水工程系统培训课件VIP免费

中央热水工程系统培训课件_第1页
1/42
中央热水工程系统培训课件_第2页
2/42
中央热水工程系统培训课件_第3页
3/42
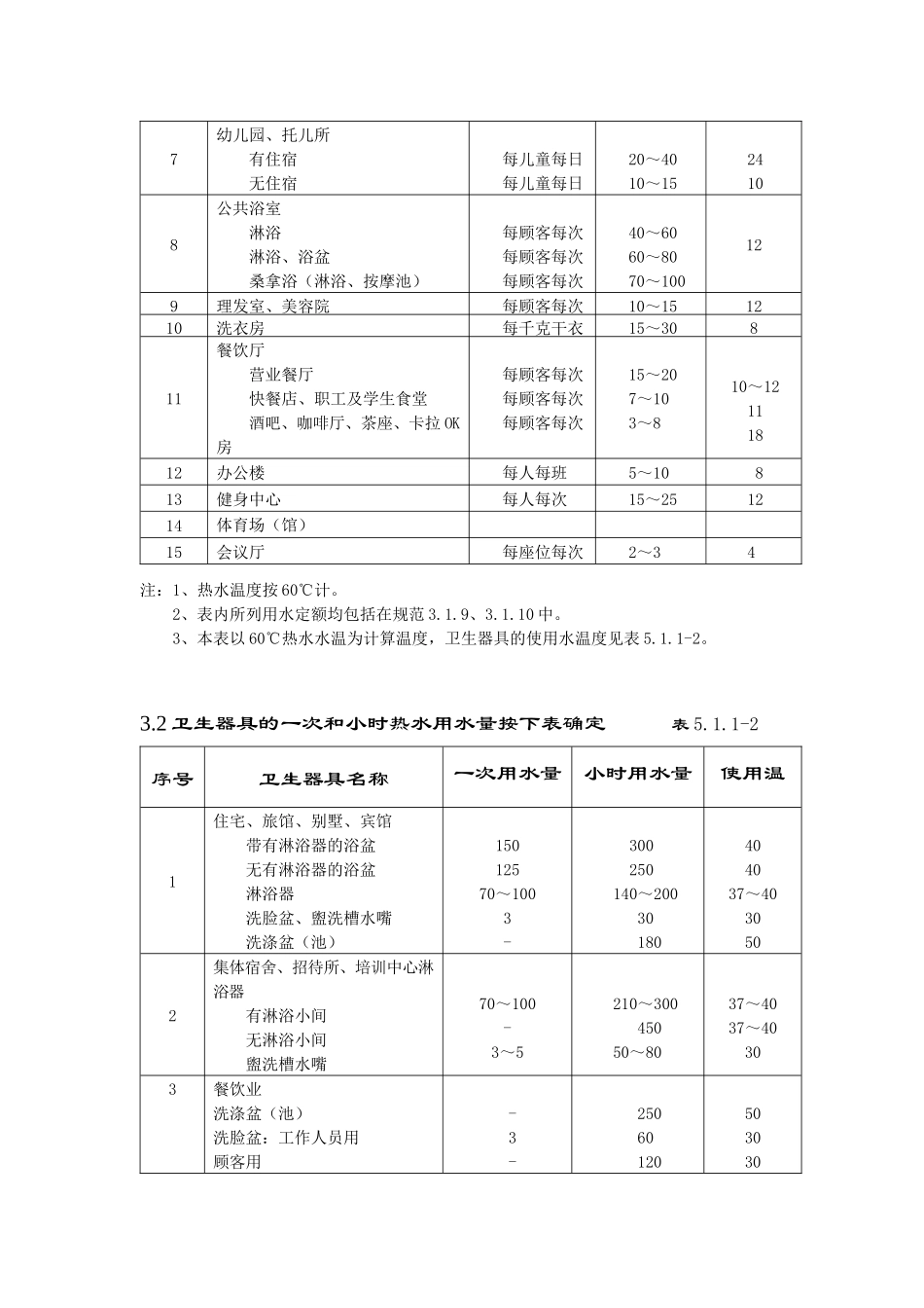
中央热水工程系统培训1、设计报价前应向工程用户了解的信息有哪些?1.1用途:生活热水(沐浴、盥洗)供应;采暖;空气调节(热风、烘干等);用在什么地方、哪个方面(建筑类别:宿舍、住宅、公共建筑),具体的需求是干什么;1.2供热方式特点:生活热水:供水方式:定时、分时段、24小时;用水方式(配套卫生器具或设备):水龙头、花洒、浴缸、洗衣机等;水质:冷水温度、要求水温、冷水硬度、碱度等其它热水:泳池、采暖、工业、农业、畜牧业相关应用泳池种类(训练、跳水等)、面积、容量;采暖方式(地板、暖气片等);具体需求:用水人数、用水量标准;采暖供暖标准;其它工艺等要求;原水供应情况(水质、水压、水量);1.3建筑结构特点:建筑结构:框架、现浇、专混、其它;屋面:平顶、斜屋面、其它;建筑类别:公共建筑、居住建筑、其它;图纸:预安装地点的建筑各层平面图、标准层平面图、天面平面图,立面图;给排水平面图、系统图等;1.4当地能源配套情况、原有系统配置或配套情况燃料(柴油、重油、燃气)价格、天然气配套到位情况(居住建筑)、煤、电等价格及供应情况;当地消费习惯等;2、设计前的热水工程现场查勘项目内容2.1了解和测量热水系统安装点有关资料:屋面尺寸(包括天面水池,楼梯间等其他构筑物的平面和高度),承重的墙、承重梁的分布情况,消防管及其它管的分布和高度尺寸。2.2屋面或安装点的负载能否满足热水系统的安装条件,同时用指南针测量屋面或安装点的方位。2.3集热器与前面遮阳物的距离:测量可能对集热器产生阴影的建(构)筑物的高度。2.、水源:从天面水池接入时,要测量水池的最高水位和最低水位;从市政管网接入时,应了解在用水高峰季节和用水高峰时段的水压情况。2.5电源:对热水系统配有用电设备的,需了解电压、输电线路可供容量及接驳位置和控制箱的安装位置,特别是加热装置为电热管时,应了解用户的供电容量和安装点的供电线路是否满足要求,如果用户是自己发电,还应了解频率、相电压、线电压情况。2.6热泵系统及太阳能热泵配套系统,主电源要包括所有水泵及其它动力设备用电负荷,明确电源交接位置,供电容量是否满足需求,谷峰用电限制或优惠等。通常我们只负责天面主电控箱以后的控制及配电线路,客户需将主电源接至天面主电控箱指定位置。2.7燃油(气)的供给:对已确认的使用燃油(气)作加热装置或辅助加热装置的要了解燃油(气)接驳位置和燃气的种类、压力能否满足要求;对于已有地下储油设施的,或只设地面油泵的;自活动油车将油从地面抽入天面热水炉的日用油箱时,应与客户协商好天面油箱、地面油泵的位置及大小(日用油箱与燃油热水锅炉应有7米以上的安全距离)。2.8冷热水交接位置:要了解冷水从哪里接驳,哪些位置需要供热水(开)水,与供水点的管网安装有关的建筑物平面及立面尺寸要测量准确。2.9周边环境、安全隐患:有无有害、有毒物质排放,有无易燃、易爆危险品或类似材料物质堆放等,交通、运输条件是否便利、食宿条件等(施工项目);3、中央热水工程的基本配置计算方法;热水设计定额《GB50015-2003》3.1热水用水定额根据卫生器具完善程度和地区条件,按下表确定表5.1.1-1序号建筑物名称单位最高日用水定额(L)使用时间(h)1住宅有自备热水供应和沐浴设备有集中热水供应和沐浴设备每人每人40~8060~100242别墅每人每日70~110243单身职工宿舍、学生宿舍、招待所、培训中心、普通旅馆设公用盥洗室设公用盥洗室、淋浴室设公用盥洗室、淋浴室、洗衣室设单独卫生间、公用洗衣室每人每日每人每日每人每日每人每日25~4040~6050~8060~10024或定时供应4宾馆客房旅客员工每床位每日每人每日120~16040~50245医院住院部设公用盥洗室设公用盥洗室、淋浴室设单独卫生间医务人员门诊部、诊疗所疗养院、修养所住房部每床位每日每床位每日每床位每日每人每班每病人每次每床位每日60~10070~130110~20070~1307~13100~160248246养老院每床位每日50~70247幼儿园、托儿所有住宿无住宿每儿童每日每儿童每日20~4010~1524108公共浴室淋浴淋浴、浴盆桑拿浴(淋浴、按摩池)每顾客每次每顾客每次每顾客每次40~...

1、当您付费下载文档后,您只拥有了使用权限,并不意味着购买了版权,文档只能用于自身使用,不得用于其他商业用途(如 [转卖]进行直接盈利或[编辑后售卖]进行间接盈利)。
2、本站所有内容均由合作方或网友上传,本站不对文档的完整性、权威性及其观点立场正确性做任何保证或承诺!文档内容仅供研究参考,付费前请自行鉴别。
3、如文档内容存在违规,或者侵犯商业秘密、侵犯著作权等,请点击“违规举报”。

碎片内容

中央热水工程系统培训课件

海纳百川+ 关注
实名认证
内容提供者

热爱教学事业,对互联网知识分享很感兴趣

确认删除?
VIP
微信客服
  • 扫码咨询
会员Q群
  • 会员专属群点击这里加入QQ群
客服邮箱
回到顶部