电脑桌面
添加小米粒文库到电脑桌面
安装后可以在桌面快捷访问

人力资源-013环境影响评估与鉴定管理程序VIP专享VIP免费

人力资源-013环境影响评估与鉴定管理程序_第1页
1/6
人力资源-013环境影响评估与鉴定管理程序_第2页
2/6
人力资源-013环境影响评估与鉴定管理程序_第3页
3/6
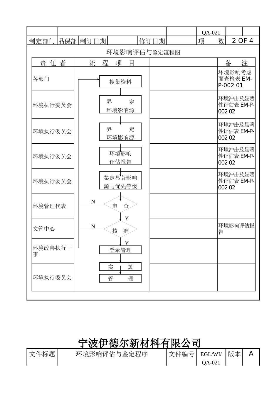
宁波伊德尔新材料有限公司环境影响评估与鉴定管理程序文件编号:EGL/WI/QA-021版本:A制订日期:年月日修订日期:年月日批准审核制订分发单位(数量)总经理()生产部()品保部()业务()总经办()采购()计划部()机修科()备份()宁波伊德尔新材料有限公司文件标题环境影响评估与鉴定程序文件编号EGL/WI/QA-021版本A制定部门品保部制订日期修订日期页数1OF41目的:为了解公司各阶段活动及服务对环境之影响,应以有效之方式鉴定显著环境影响源与订定改善行动之优先级,以设定环境政策及对外展示本厂之环境改善绩效。2范围:公司活动、服务及事务部门之过去、现在及未来发展计划,对环境可能造成之影响或卫击。3权责:品保部:环境影响评估与鉴定。4定义:无5作业内容:5.1环境影响评估与鉴定流程图宁波伊德尔新材料有限公司文件标题环境影响评估与鉴定程序文件编号EGL/WI/版本AQA-021制定部门品保部制订日期修订日期项数2OF4环境影响评估与鉴定流程图责任者流程项目备注各部门环境影响考虑面查检表EM-P-00201环境执行委员会环境冲击及显著性评估表EM-P-00202环境执行委员会环境冲击及显著性评估表EM-P-00202环境执行委员会环境冲击及显著性评估表EM-P-00202环境执行委员会环境冲击及显著性评估表EM-P-00202环境管理代表文管中心环境影响评估报告环境改善执行干事环境执行委员会宁波伊德尔新材料有限公司文件标题环境影响评估与鉴定程序文件编号EGL/WI/QA-021版本ANYNY界定环境影响源界定环境影响源环境影响评估报告鉴定显著影响源与优先等级实篱登录管理管理审查搜集资料核准制定部门品保部制订日期修订日期页数3OF45.2环境影响评估报告之制定5.2.1各部门依据据环境影响考虑面查核表,收集部门与环境影响之数据,提供品保部汇整,以做为环境影响源之依据。5.2.2环境执行委员会各委员根据各部门提供之数据,考虑各制程所产生之污染性质及污染量,来界定环境影响源。5.2.3各委员依据上述之考虑,将资料填入环境冲击及显著性评估表。5.3EMS执行总干事依据环境冲击及显著性评估表,拟定环境影响评估报告,格式包括(目的、范围、期间、评估人员),内容包括(A.法规规定及管理规定;B.环境影响之辅导训练、服务;C.环境管理实务;D.过支意外不良事件之摘要;E加上需要之附件、佐证数据及图表)。5.4显著影响源之鉴定5.4.1环境执行委员会依据环境冲击及显著性评估表内之数据,考虑下列事项,以鉴定出显著影响源:(1)环境影响源之编号。(2)环境影响源产生、排放、造成之频率。(3)环境影响源产生、排放、造成之范围。(4)环境影响源产生、排放、造成之数量。(5)环境影响源产生、排放、造成之严重性。5.4.2环境执行委员会依据「环境冲击及显著性评估表」上之优先行动等级并考虑下列事项,以订定优先行动排序。(1)环境影响源改善技术之取得。(2)环境影响源改善设备技术之投资。(3)有关团体对环境绩效之关心度。(4)符合法规性。5.4.3若无法以上述方式鉴定之影响源,则由环境执行委员会讨论环境影响及商务考虑,以决定其显著性及优先行动等级。5.5EMS执行总干事拟定之环境影响评估报告,呈环境管理代表核准。6.6环境执行单位拟定之环境冲击及显著性评估表,呈送环境执行委员审查。5.7环境执行委员会审查定案后,呈管理代表核准。5.8核准后之环境影响评估报告及环境冲击及显著性评估表,交由文管中心登录管理.再分发各部门。宁波伊德尔新材料有限公司文件标题环境影响评估与鉴定程序文件编号EGL/WI/QA-021版本A制定部门品保部制订日期修订日期页数4OF45.9环境影响评估结果之实施鉴定出之优先行动显著环境影响源管理,作为环境政策拟定、环境目标、标的及环境管理系统运作之依据。5.10环境影响评估报告之管理5.10.1环境影响评估报告由文管中心保存3年。5.10.2环境影响评估遇环境管理审查、制程重大改变、扩建、新建、撤厂、直接相关法规重大改变时,需要重新评估。每三年至少需重新评估一资。5.11环境执行委员会之组成人员资格,依员工教育训练程序办理6附件6.1环境影响考虑面查核表6.2环境冲击及显著性评估表宁波伊德尔新材料有限公司环境影响考虑面查核表项目编号范围/地区/活动时间操作情形环境考虑面(请以阿拉伯数字表示项目次数)空气(A)水(H)废...

1、当您付费下载文档后,您只拥有了使用权限,并不意味着购买了版权,文档只能用于自身使用,不得用于其他商业用途(如 [转卖]进行直接盈利或[编辑后售卖]进行间接盈利)。
2、本站所有内容均由合作方或网友上传,本站不对文档的完整性、权威性及其观点立场正确性做任何保证或承诺!文档内容仅供研究参考,付费前请自行鉴别。
3、如文档内容存在违规,或者侵犯商业秘密、侵犯著作权等,请点击“违规举报”。

碎片内容

人力资源-013环境影响评估与鉴定管理程序

海纳百川+ 关注
实名认证
内容提供者

热爱教学事业,对互联网知识分享很感兴趣

确认删除?
VIP
微信客服
  • 扫码咨询
会员Q群
  • 会员专属群点击这里加入QQ群
客服邮箱
回到顶部