电脑桌面
添加小米粒文库到电脑桌面
安装后可以在桌面快捷访问

制鞋企业质量管理部质量分析与统计员岗位说明书VIP免费

制鞋企业质量管理部质量分析与统计员岗位说明书_第1页
1/4
制鞋企业质量管理部质量分析与统计员岗位说明书_第2页
2/4
制鞋企业质量管理部质量分析与统计员岗位说明书_第3页
3/4
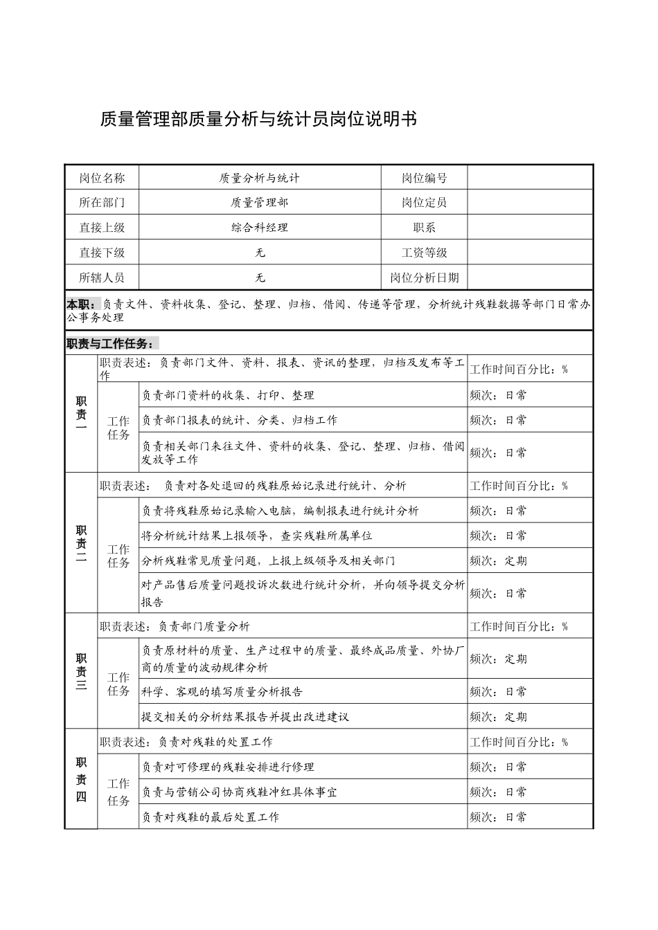
质量管理部质量分析与统计员岗位说明书岗位名称质量分析与统计岗位编号所在部门质量管理部岗位定员直接上级综合科经理职系直接下级无工资等级所辖人员无岗位分析日期本职:负责文件、资料收集、登记、整理、归档、借阅、传递等管理,分析统计残鞋数据等部门日常办公事务处理职责与工作任务:职责一职责表述:负责部门文件、资料、报表、资讯的整理,归档及发布等工作工作时间百分比:%工作任务负责部门资料的收集、打印、整理频次:日常负责部门报表的统计、分类、归档工作频次:日常负责相关部门来往文件、资料的收集、登记、整理、归档、借阅发放等工作频次:日常职责二职责表述:负责对各处退回的残鞋原始记录进行统计、分析工作时间百分比:%工作任务负责将残鞋原始记录输入电脑,编制报表进行统计分析频次:日常将分析统计结果上报领导,查实残鞋所属单位频次:日常分析残鞋常见质量问题,上报上级领导及相关部门频次:定期对产品售后质量问题投诉次数进行统计分析,并向领导提交分析报告频次:日常职责三职责表述:负责部门质量分析工作时间百分比:%工作任务负责原材料的质量、生产过程中的质量、最终成品质量、外协厂商的质量的波动规律分析频次:定期科学、客观的填写质量分析报告频次:日常提交相关的分析结果报告并提出改进建议频次:定期职责四职责表述:负责对残鞋的处置工作工作时间百分比:%工作任务负责对可修理的残鞋安排进行修理频次:日常负责与营销公司协商残鞋冲红具体事宜频次:日常负责对残鞋的最后处置工作频次:日常职责五职责表述:负责部门日常办公事务处理工作时间百分比:%工作任务负责办公用品的领取、发放、管理工作频次:日常负责维护办公场所整洁频次:日常负责封样鞋的收发登记频次:日常负责ISO内审员工作的开展频次:日常其它办公日常事务的处理频次:日常职责六职责表述:完成上级交给的其它任务工作时间百分比:%权力:对部门文件资料、办公用品的管理权对相关分析结果有提出改进的建议权有相关分析资料的索取权对文件资料的使用、借阅、归档、发送、传递等工作有监督实施权工作协作关系:内部协调关系采购物控科、原材料仓库、营销公司、各分厂、生产部各科室外部协调关系任职资格:教育水平高中及以上学历专业文秘等相关专业培训经历办公软件、网络知识、管理技能及数据分析技能经验具有一年以上相关工作经验知识了解制鞋方面、质量管理方法知识技能技巧熟练电脑办公软件、具有一定统计分析、沟通、协调、写作能力其它:使用工具设备一般办公设备工作环境一般办公环境工作时间特征正常工作时间,需要加班所需记录文档品质异常动态表、品质异常总结报告、月份残鞋统计分析表、常见质量问题分析表备注:

1、当您付费下载文档后,您只拥有了使用权限,并不意味着购买了版权,文档只能用于自身使用,不得用于其他商业用途(如 [转卖]进行直接盈利或[编辑后售卖]进行间接盈利)。
2、本站所有内容均由合作方或网友上传,本站不对文档的完整性、权威性及其观点立场正确性做任何保证或承诺!文档内容仅供研究参考,付费前请自行鉴别。
3、如文档内容存在违规,或者侵犯商业秘密、侵犯著作权等,请点击“违规举报”。

碎片内容

制鞋企业质量管理部质量分析与统计员岗位说明书

海纳百川+ 关注
实名认证
内容提供者

热爱教学事业,对互联网知识分享很感兴趣

确认删除?
VIP
微信客服
  • 扫码咨询
会员Q群
  • 会员专属群点击这里加入QQ群
客服邮箱
回到顶部