电脑桌面
添加小米粒文库到电脑桌面
安装后可以在桌面快捷访问

压力容器制造产品质量检查表VIP免费

压力容器制造产品质量检查表_第1页
1/7
压力容器制造产品质量检查表_第2页
2/7
压力容器制造产品质量检查表_第3页
3/7
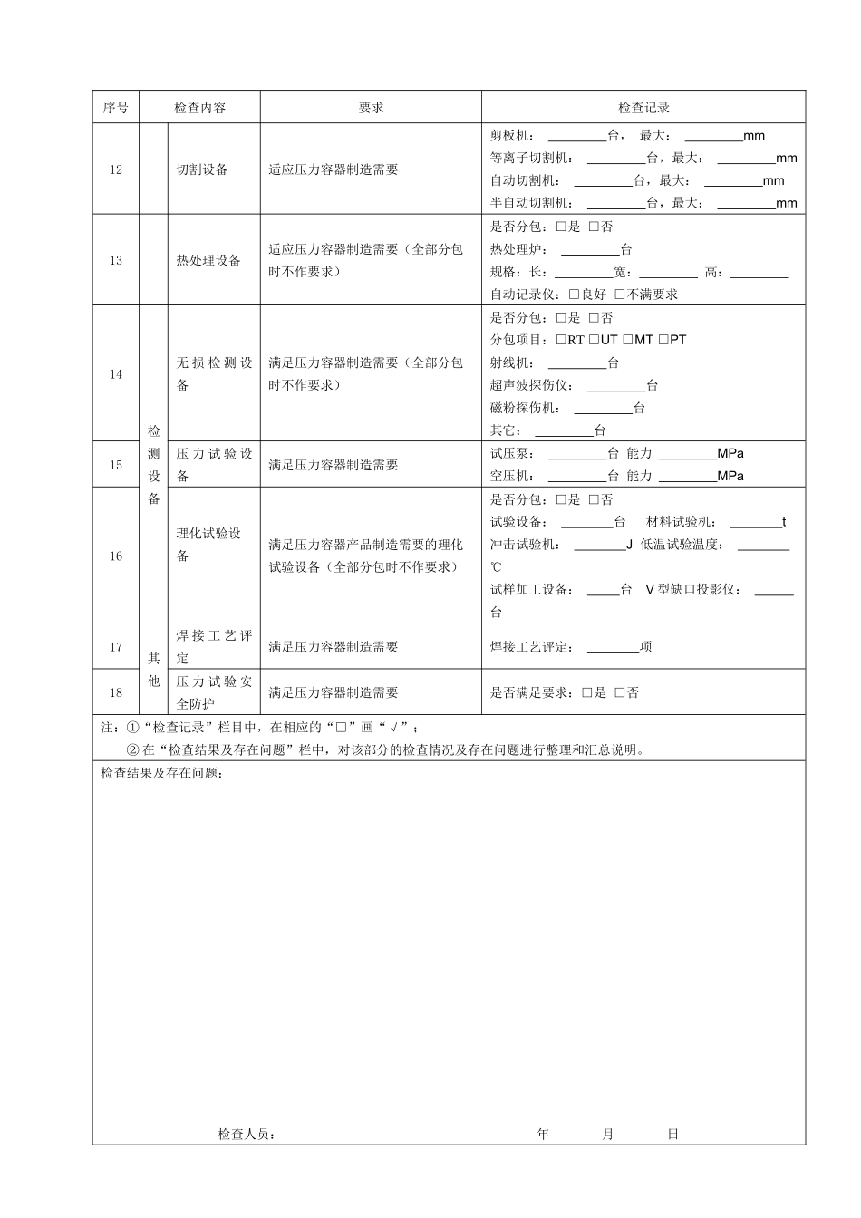
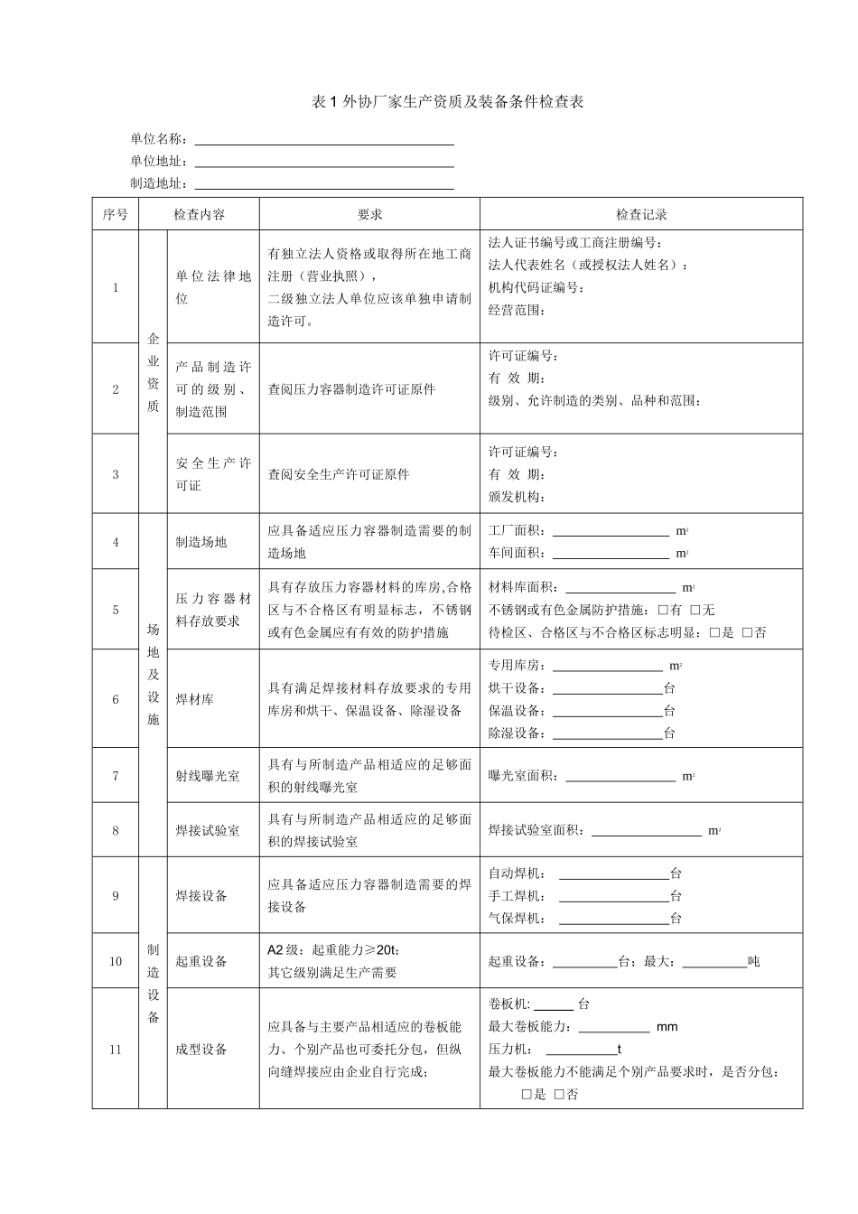
表1外协厂家生产资质及装备条件检查表单位名称:单位地址:制造地址:序号检查内容要求检查记录1企业资质单位法律地位有独立法人资格或取得所在地工商注册(营业执照),二级独立法人单位应该单独申请制造许可。法人证书编号或工商注册编号:法人代表姓名(或授权法人姓名):机构代码证编号:经营范围:2产品制造许可的级别、制造范围查阅压力容器制造许可证原件许可证编号:有效期:级别、允许制造的类别、品种和范围:3安全生产许可证查阅安全生产许可证原件许可证编号:有效期:颁发机构:4场地及设施制造场地应具备适应压力容器制造需要的制造场地工厂面积:m2车间面积:m25压力容器材料存放要求具有存放压力容器材料的库房,合格区与不合格区有明显标志,不锈钢或有色金属应有有效的防护措施材料库面积:m2不锈钢或有色金属防护措施:□有□无待检区、合格区与不合格区标志明显:□是□否6焊材库具有满足焊接材料存放要求的专用库房和烘干、保温设备、除湿设备专用库房:m2烘干设备:台保温设备:台除湿设备:台7射线曝光室具有与所制造产品相适应的足够面积的射线曝光室曝光室面积:m28焊接试验室具有与所制造产品相适应的足够面积的焊接试验室焊接试验室面积:m29制造设备焊接设备应具备适应压力容器制造需要的焊接设备自动焊机:台手工焊机:台气保焊机:台10起重设备A2级:起重能力≥20t;其它级别满足生产需要起重设备:台;最大:吨11成型设备应具备与主要产品相适应的卷板能力、个别产品也可委托分包,但纵向缝焊接应由企业自行完成;卷板机:台最大卷板能力:mm压力机:t最大卷板能力不能满足个别产品要求时,是否分包:□是□否序号检查内容要求检查记录12切割设备适应压力容器制造需要剪板机:台,最大:mm等离子切割机:台,最大:mm自动切割机:台,最大:mm半自动切割机:台,最大:mm13热处理设备适应压力容器制造需要(全部分包时不作要求)是否分包:□是□否热处理炉:台规格:长:宽:高:自动记录仪:□良好□不满要求14检测设备无损检测设备满足压力容器制造需要(全部分包时不作要求)是否分包:□是□否分包项目:□RT□UT□MT□PT射线机:台超声波探伤仪:台磁粉探伤机:台其它:台15压力试验设备满足压力容器制造需要试压泵:台能力MPa空压机:台能力MPa16理化试验设备满足压力容器产品制造需要的理化试验设备(全部分包时不作要求)是否分包:□是□否试验设备:台材料试验机:t冲击试验机:J低温试验温度:℃试样加工设备:台V型缺口投影仪:台17其他焊接工艺评定满足压力容器制造需要焊接工艺评定:项18压力试验安全防护满足压力容器制造需要是否满足要求:□是□否注:①“检查记录”栏目中,在相应的“□”画“√”;②在“检查结果及存在问题”栏中,对该部分的检查情况及存在问题进行整理和汇总说明。检查结果及存在问题:检查人员:年月日受检单位:年月日表2产品质量检查表单位名称:产品名称:序号检查内容方法检查记录1设计设计文件是否进行了审查?查阅审图记录2设计更改是否有原设计单位同意修改的书面证明文件?查阅设计变更见证材料3工艺工艺文件的编制、发放、更改、审批是否按质量管理体系文件的规定执行?查阅工艺文件的编制、发放、更改、审批记录记录所查的工艺文件的名称或编号及文件控制程序(规定)的编号)4工艺流程卡编制是否合理、齐全?是否包含了质量管理体系文件中规定的质量控制点标记?查阅工艺流程卡记录所查的主要受压元件的工艺流程卡的编号5工艺流程卡流转过程中各级操作人员、检验人员、责任人员签字是否齐全?责任人员是否到岗?查阅工艺流程卡记录所查的主要受压元件的工艺流程卡的编号6材料主要受压元件所用材料是否有采购文件?是否有质量证明书且各项指标满足规范要求?无有效的钢材质量证明书是否按有关规定处理?所用材料是否符合设计要求?查阅合格供方名录,材料采购文件、质量证明书等记录抽查的主要受压元件的名称或件号、材料的牌号、质量证明书编号7钢板和锻件复验过程是否符合规定?复验结果是否符合设计要求?查阅材料复验报告记录抽查的材料名称、牌号及复验报告的编号8材料代用过程是否符合文件...

1、当您付费下载文档后,您只拥有了使用权限,并不意味着购买了版权,文档只能用于自身使用,不得用于其他商业用途(如 [转卖]进行直接盈利或[编辑后售卖]进行间接盈利)。
2、本站所有内容均由合作方或网友上传,本站不对文档的完整性、权威性及其观点立场正确性做任何保证或承诺!文档内容仅供研究参考,付费前请自行鉴别。
3、如文档内容存在违规,或者侵犯商业秘密、侵犯著作权等,请点击“违规举报”。

碎片内容

压力容器制造产品质量检查表

您可能关注的文档

确认删除?
VIP
微信客服
  • 扫码咨询
会员Q群
  • 会员专属群点击这里加入QQ群
客服邮箱
回到顶部