电脑桌面
添加小米粒文库到电脑桌面
安装后可以在桌面快捷访问

如何进行员工关系维护VIP免费

如何进行员工关系维护_第1页
1/92
如何进行员工关系维护_第2页
2/92
如何进行员工关系维护_第3页
3/92
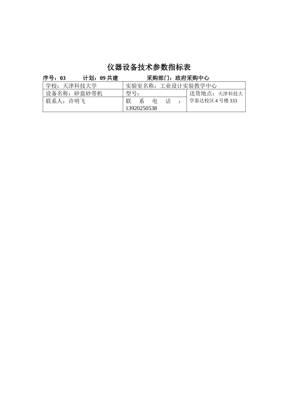
仪器设备技术参数指标表序号:01计划:09共建采购部门:政府采购中心学校:天津科技大学实验室名称:工业设计实验教学中心设备名称:石膏车模机型号:送货地点:天津科技大学泰达校区4号楼333联系人:许明飞联系电话:13920250538详细技术参数:车模尺寸:Φ500×800mm速比0~800转/分无级调速功率750瓦主轴带离合刀具配件仪器设备技术参数指标表序号:02计划:09共建采购部门:政府采购中心学校:天津科技大学实验室名称:工业设计实验教学中心设备名称:电圆锯型号:送货地点:天津科技大学泰达校区4号楼333联系人:许明飞联系电话:13920250538详细技术参数:锯片尺寸:185mm功率:1150W空载转速:5000rpm锯割速度:65(m/min)90度切割深度:65mm45度切割深度:45mm锯孔直径:20mm标准附件:扳手仪器设备技术参数指标表序号:03计划:09共建采购部门:政府采购中心学校:天津科技大学实验室名称:工业设计实验教学中心设备名称:砂盘砂带机型号:送货地点:天津科技大学泰达校区4号楼333联系人:许明飞联系电话:13920250538详细技术参数:砂盘尺寸:ф152mm砂带尺寸:100×914mm砂带速度:7.6m/s砂盘速度:2400min-1电机:230V-50Hz500W仪器设备技术参数指标表序号:04计划:09共建采购部门:政府采购中心学校:天津科技大学实验室名称:工业设计实验教学中心设备名称:修边机型号:送货地点:天津科技大学泰达校区4号楼333联系人:许明飞联系电话:13920250538详细技术参数:电源电压:220V额定输入功率:350W高度:209mm(8-1/4″)底板:82mm×90mm(3-1/4″×3-1/2″)回转数:30000rpm能力:夹筒1/4"标准附件修整导座,样规导板,直线导件,平直刀头,扳手2仪器设备技术参数指标表序号:05计划:09共建采购部门:政府采购中心学校:天津科技大学实验室名称:工业设计实验教学中心设备名称:除尘砂轮机型号:送货地点:天津科技大学泰达校区4号楼333联系人:许明飞联系电话:13920250538详细技术参数:电源电压:380V功率:1.5KW砂轮尺寸:300*40*75转速:1420r/min仪器设备技术参数指标表序号:06计划:09共建采购部门:政府采购中心学校:天津科技大学实验室名称:工业设计实验教学中心设备名称:多用机床型号:送货地点:天津科技大学泰达校区4号楼333联系人:许明飞联系电话:13920250538详细技术参数:主轴转速3580r/min最大刨削宽度150mm最大刨削深度3mm最大锯料厚度80mm榫槽范围10-16mm最大榫槽深度120mm最大车削长度300mm刨刀片150×3×23mm圆锯片250×1.2×18-Nmm磨刀砂轮B50×32×13mm磨锯砂轮PDX1125×10×18mm三角胶带A-710电机功率1.1/220KW/V仪器设备技术参数指标表序号:07计划:09共建采购部门:政府采购中心学校:天津科技大学实验室名称:工业设计实验教学中心设备名称:线锯机型号:送货地点:天津科技大学泰达校区4号楼333联系人:许明飞联系电话:13920250538详细技术参数:锯条往复次数0-1000最大锯料厚度100mm工作台倾斜0-45°电机功率0.37/380KW/V仪器设备技术参数指标表序号:08计划:09共建采购部门:政府采购中心学校:天津科技大学实验室名称:工业设计实验教学中心设备名称:精雕机型号:送货地点:天津科技大学泰达校区4号楼333联系人:许明飞联系电话:13920250538详细技术参数:X、Y、Z轴运动定位精度:0.02/300mmX、Y、Z轴重复定位精度:0.012mmX、Y、Z轴工作行程:600×600×110mm工作台尺寸:640×640mm最大工作负重:30Kg主轴转速:10000-24000rpm(Φ62)卡头/刀柄规格:ER11快速移动速度:6m/min最高切削进给速度:4.5m/min数控系统:JD45B工作电压:单相220V/50Hz雕刻机主要配置:1、雕刻机主机1台2、精雕控制系统(控制柜和PCI控制卡等)1套3、雕刻控制软件---EN3D1套4、对刀仪1套5、电主轴冷却机1台配件:工控机、制冷机、JDPaint雕刻软件、主轴油、辅助工具服务:设备安装和调试,培训,质量保障和售后服务仪器设备技术参数指标表序号:09计划:09共建采购部门:政府采购中心学校:天津科技大学实验室名称:工业设计实验教学中心设备名称:小型快速成型机型号:送货地点:天津科技大学泰达校区4号楼333联系人:许明飞联系电话:1392025053...

1、当您付费下载文档后,您只拥有了使用权限,并不意味着购买了版权,文档只能用于自身使用,不得用于其他商业用途(如 [转卖]进行直接盈利或[编辑后售卖]进行间接盈利)。
2、本站所有内容均由合作方或网友上传,本站不对文档的完整性、权威性及其观点立场正确性做任何保证或承诺!文档内容仅供研究参考,付费前请自行鉴别。
3、如文档内容存在违规,或者侵犯商业秘密、侵犯著作权等,请点击“违规举报”。

碎片内容

如何进行员工关系维护

海纳百川+ 关注
实名认证
内容提供者

热爱教学事业,对互联网知识分享很感兴趣

确认删除?
VIP
微信客服
  • 扫码咨询
会员Q群
  • 会员专属群点击这里加入QQ群
客服邮箱
回到顶部