电脑桌面
添加小米粒文库到电脑桌面
安装后可以在桌面快捷访问

人力资源-GST海湾维修手册消防分册VIP免费

人力资源-GST海湾维修手册消防分册_第1页
1/49
人力资源-GST海湾维修手册消防分册_第2页
2/49
人力资源-GST海湾维修手册消防分册_第3页
3/49
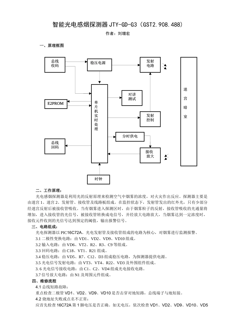
目录智能光电感烟探测器JTY-GD-G3(GST2.908.488)--------------------------------------------------------------1智能电子差定温感温探测器JTW-ZCD-G3N(GST2.908.490)------------------------------------------------3气体灭火控制盘LD-QKP06(GST2.908.291、GST2.908.292、GST2.908.372)--------------------------5火灾显示盘ZF-101(GST2.908.018、GST2.908.019)-----------------------------------------------------------8火灾显示盘ZF-500(GST2.908.116)-------------------------------------------------------------------------------10智能电源箱DY-100A系列(GST2.908.270、GST2.908.269、GST2.908.373)-------------------------------12编码输入模块LD-8300(GST2.908.184)------------------------------------------------------------------------------15编码输入/输出模块LD-8301(GST2.908.183)-----------------------------------------------------------------------17编码双输入/输出模块LD-8303(GST2.908.185)--------------------------------------------------------------------19总线隔离器LD-8313(GST2.908.223)---------------------------------------------------------------------------------21家用可燃气体报警器BT/R-VA001(GST2.908.982、GST2.908.983)-------------------------------------------22火灾报警控制器(贴片)主板JB-QB-GST500(GST2.908.367)------------------------------------------------24智能电源盘LD-D02(GST2.908.395,GST2.908.015)---------------------------------------------------------------26手动报警按钮J-SAP-8401(GST2.908.190)---------------------------------------------------------------------------28火灾报警控制器JB-QB-GST200(贴片)(GST2.908.138、GST2.908.354)---------------------------------------30电话分机TS-100A(GST2.908.058)------------------------------------------------------------------------------------35消防通讯电话主机TS-Z01A(GST2.908.057、GST2.098.056)-----------------------------------------------37火灾报警控制器JB-QB-GST32(GST2.908.405、GST2.908.406)-----------------------------------------------39烟温复合探测器JTF-GOM-GST601(GST2.908.353)--------------------------------------------------------------42智能线型红外光束感烟探测器JTY-HS-G2K、JTY-HS-G2(GST2.908.419、GST2.908.412、GST2.908.411)-------------------------------------------------------------44LD-8321总线中继器(GST2.908.380、GST2.908.379)---------------------------------------------------------47HX-F8501非编码火灾声警报器、HX-F8502非编码火灾声光警报器(GST2.908.520、GST2.908.517)-----------------------------------------------------------------------------------48总线收码E2PROM总线回码稳压电源单片机实时处理发射电路对讲测试发射控制接收放大迷宫暗室时钟分时供电总线收码E2PROM总线回码稳压电源单片机实时处理发射电路对讲测试发射控制接收放大迷宫暗室时钟分时供电智能光电感烟探测器JTY-GD-G3(GST2.908.488)作者:刘增宏一、原理框图二、工作原理:光电感烟探测器是利用光的反射原理来检测空气中烟雾的浓度,对火灾作出反应。探测器主要是由迷宫1、迷宫2、发射管、接收管及线路板组成。在监控状态下,发射管发出的红外光,只有少部分经迷宫反射后被接收管吸收。当有烟雾进入探测区时,由于烟雾粒子的反射,接收管吸收的光通量将增加,进入接收管的光信号,被接收管转换成电信号,并经放大电路放大,当烟雾达到一定浓度时,接收元件收到的光信号达到预定的阈值,输出报警信号。三、电路组成:光电探测器以PIC16C72A、光电发射管及接收管组成的电路为核心,对烟雾进行监测报警。3.1二极性变换电路:由VD1、VD2、VD9、VD10组成。3.2输入电路:由VD6、VT2、R2、R3、C9等组成。3.3回码电路:由C18、VT1、R21组...

1、当您付费下载文档后,您只拥有了使用权限,并不意味着购买了版权,文档只能用于自身使用,不得用于其他商业用途(如 [转卖]进行直接盈利或[编辑后售卖]进行间接盈利)。
2、本站所有内容均由合作方或网友上传,本站不对文档的完整性、权威性及其观点立场正确性做任何保证或承诺!文档内容仅供研究参考,付费前请自行鉴别。
3、如文档内容存在违规,或者侵犯商业秘密、侵犯著作权等,请点击“违规举报”。

碎片内容

人力资源-GST海湾维修手册消防分册

您可能关注的文档

确认删除?
VIP
微信客服
  • 扫码咨询
会员Q群
  • 会员专属群点击这里加入QQ群
客服邮箱
回到顶部