电脑桌面
添加小米粒文库到电脑桌面
安装后可以在桌面快捷访问

一厂生产技术副厂长岗岗位说明书VIP免费

一厂生产技术副厂长岗岗位说明书_第1页
1/4
一厂生产技术副厂长岗岗位说明书_第2页
2/4
一厂生产技术副厂长岗岗位说明书_第3页
3/4
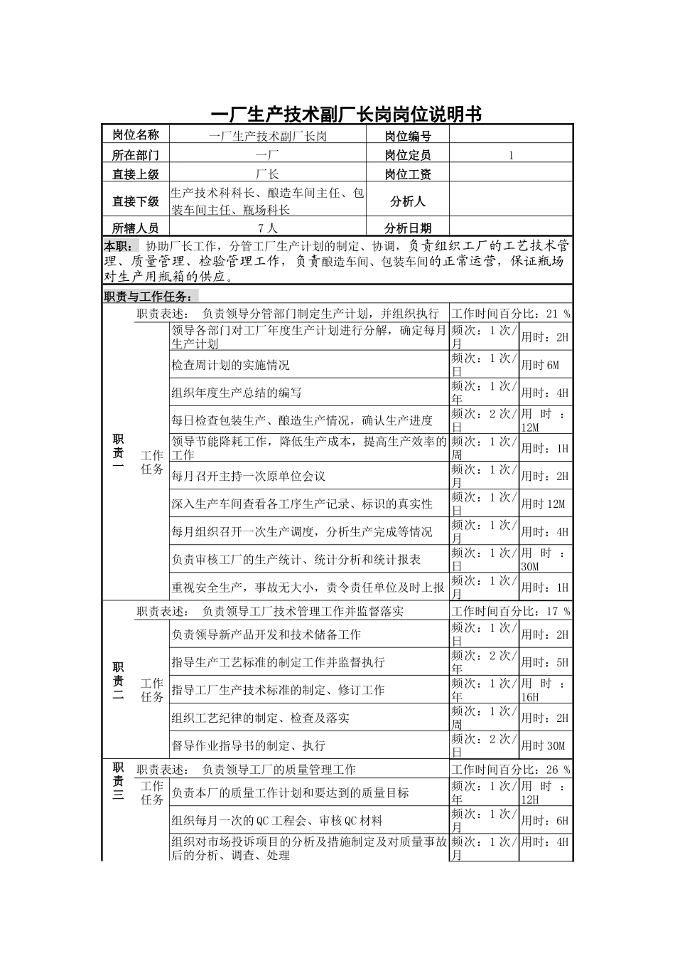
一厂生产技术副厂长岗岗位说明书岗位名称一厂生产技术副厂长岗岗位编号所在部门一厂岗位定员1直接上级厂长岗位工资直接下级生产技术科科长、酿造车间主任、包装车间主任、瓶场科长分析人所辖人员7人分析日期本职:协助厂长工作,分管工厂生产计划的制定、协调,负责组织工厂的工艺技术管理、质量管理、检验管理工作,负责酿造车间、包装车间的正常运营,保证瓶场对生产用瓶箱的供应。职责与工作任务:职责一职责表述:负责领导分管部门制定生产计划,并组织执行工作时间百分比:21%工作任务领导各部门对工厂年度生产计划进行分解,确定每月生产计划频次:1次/月用时:2H检查周计划的实施情况频次:1次/日用时6M组织年度生产总结的编写频次:1次/年用时:4H每日检查包装生产、酿造生产情况,确认生产进度频次:2次/日用时:12M领导节能降耗工作,降低生产成本,提高生产效率的工作频次:1次/周用时:1H每月召开主持一次原单位会议频次:1次/月用时:2H深入生产车间查看各工序生产记录、标识的真实性频次:1次/日用时12M每月组织召开一次生产调度,分析生产完成等情况频次:1次/月用时:4H负责审核工厂的生产统计、统计分析和统计报表频次:1次/日用时:30M重视安全生产,事故无大小,责令责任单位及时上报频次:1次/月用时:1H职责二职责表述:负责领导工厂技术管理工作并监督落实工作时间百分比:17%工作任务负责领导新产品开发和技术储备工作频次:1次/日用时:2H指导生产工艺标准的制定工作并监督执行频次:2次/年用时:5H指导工厂生产技术标准的制定、修订工作频次:1次/年用时:16H组织工艺纪律的制定、检查及落实频次:1次/周用时:2H督导作业指导书的制定、执行频次:2次/日用时30M职责三职责表述:负责领导工厂的质量管理工作工作时间百分比:26%工作任务负责本厂的质量工作计划和要达到的质量目标频次:1次/年用时:12H组织每月一次的QC工程会、审核QC材料频次:1次/月用时:6H组织对市场投诉项目的分析及措施制定及对质量事故后的分析、调查、处理频次:1次/月用时:4H组织年度质量分析报告的编写频次:1次/年用时:14H指导质量认证工作,负责质量认证内部审核工作频次:1次/年用时:15H负责制定工厂的质量工作计划、目标,并监督执行频次:1次/年用时:10H负责半成品到成品质量的监督、检查、控制频次:2次/日用时30M查阅化验分析报表,了解工序产品质量状态,对产品质量判定予以认可频次:1次/日用时:20M职责四职责表述:参与工厂重大问题的决策工作时间百分比:1%工作任务参与制定分管的工厂年度大事、工厂生产经营计划频次:1次/年用时:8H负责制定工厂经济责任制工作频次:1次/年用时:8H参与重大人事调整的决策频次:1次/月用时:2H组织落实影响全局的管理措施落实工作频次:1次/月用时:4H职责五职责表述:工作时间百分比:6%工作任务频次:1次/周用时:30M频次:1次/月用时:2H频次:1次/周用时:1H频次:1次/月用时:1H频次:1次/周用时:30M频次:1次/年用时:2H职责六职责表述:负责生产前物资准备工作和协助科长管理车间各项工作工作时间百分比:7%工作任务负责生产物资准备工作频次:4次/年用时:4H成品库旧塑料箱回收工作频次:1次/周用时:1H外租洗瓶点管理工作频次:1次/月用时:3H负责工厂瓶场管理工作频次:1次/月用时:2H频次:4次/周用时:1H职责七工作时间百分比:5%工作任务频次:1次/周用时:1H频次:1次/周用时:1H频次:1次/周用时:30M职责八职责表述:负责厂内5S工作工作时间百分比:7%工作任务负责组织厂内5S工作的检查标准频次:1次/周用时:1H负责生产现场符合5S工作要求,提出改善意见频次:2次/日用时:12M负责组织工厂内的5S工作检查频次:1次/周用时:1H职责九职责表述:工作时间百分比:7%工作任务频次:1次/日用时:6M频次:1次/日用时:12M频次:1次/日用时:6M频次:1次/周用时:12M职责十职责表述:完成上级交办的其他工作工作时间百分比:2%权力:1、对生产技术管理工作有指导权、考核权、奖罚权、评价权2、对质量管理工作有执行权、裁决权、检查权、监督权3、对直接下级有调配、奖惩建议权、经济责任制的考核权4、对职工奖惩的...

1、当您付费下载文档后,您只拥有了使用权限,并不意味着购买了版权,文档只能用于自身使用,不得用于其他商业用途(如 [转卖]进行直接盈利或[编辑后售卖]进行间接盈利)。
2、本站所有内容均由合作方或网友上传,本站不对文档的完整性、权威性及其观点立场正确性做任何保证或承诺!文档内容仅供研究参考,付费前请自行鉴别。
3、如文档内容存在违规,或者侵犯商业秘密、侵犯著作权等,请点击“违规举报”。

碎片内容

一厂生产技术副厂长岗岗位说明书

您可能关注的文档

确认删除?
VIP
微信客服
  • 扫码咨询
会员Q群
  • 会员专属群点击这里加入QQ群
客服邮箱
回到顶部