电脑桌面
添加小米粒文库到电脑桌面
安装后可以在桌面快捷访问

乳化液泵工岗位描述VIP免费

乳化液泵工岗位描述_第1页
1/12
乳化液泵工岗位描述_第2页
2/12
乳化液泵工岗位描述_第3页
3/12
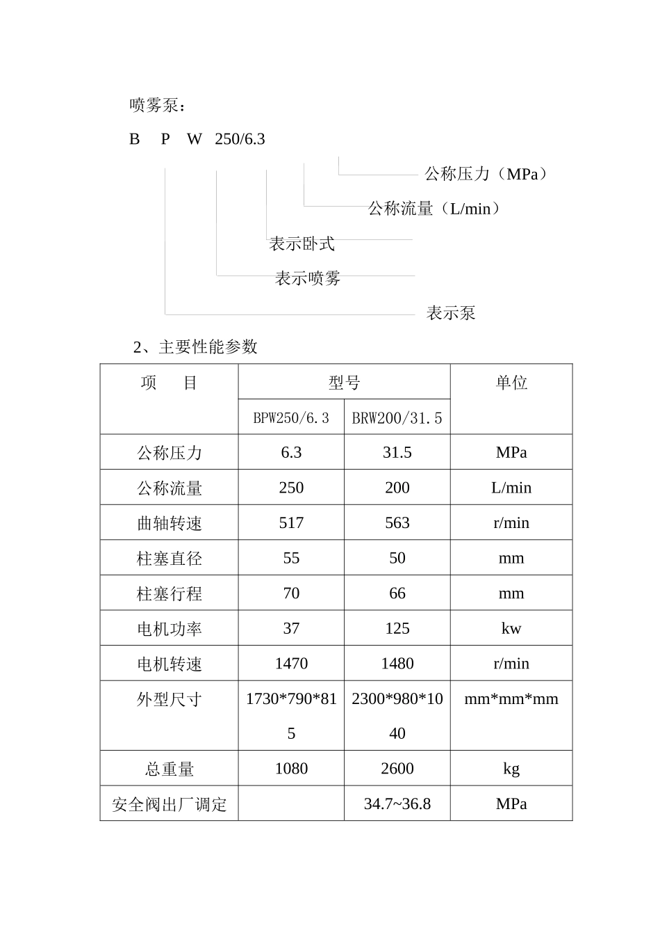
乳化液泵工岗位描述一、岗位名称乳化液泵司机二、直接上级班长三、岗位工作理念服从指挥、认真负责四、上岗条件(一)具有初中以上文化水平,须经泵工专业知识培训。(二)经培训,取得上岗资格证。(三)需要熟练掌握泵的各种性能,熟练掌握各泵站的操作方法懂得维护、保养,能处理一般性故障。(四)掌握一般事故处理方法及伤害急救常识。(五)没有妨碍本职工作的病症。五、岗位职责(一)岗位作业的责任、任务1、负责工作面液压单体和支架的液压供给工作。2、负责检查液压泵站的电气控制设备。3、检查油箱、管路、泵站压力是否达到标准,炮采不小于18MPa,综采不小于30MPa,并按照检修标准检查各部件的运转情况。4、对乳化液浓度随时检查,其标准浓度配比为:炮采2%—3%,综采3%—5%,乳化液箱液面达到2/3高度位置。5、巡视、倾听电机声音,掌握油泵温度,如果出现问题及时处理,确保班上生产正常。(二)岗位作业与相邻岗位之间相互联动关系1、工作中要注意各泵站的压力情况,随时与工作面液压支架工、煤机司机保持联系,随时调整泵站压力,适应工作面的压力和流量需求。2、对泵站出现的异常情况和部件损坏情况及时和维修工及技术员联系,积极配合进行检查维修。六、岗位设备介绍:(一)岗位设备型号、性能参数及含义、结构特点、主要部件1、岗位设备型号乳化液泵:BRW200/31.5公称压力(MPa)公称流量(L/min)表示卧式表示乳表示泵喷雾泵:BPW250/6.3公称压力(MPa)公称流量(L/min)表示卧式表示喷雾表示泵2、主要性能参数项目型号单位BPW250/6.3BRW200/31.5公称压力6.331.5MPa公称流量250200L/min曲轴转速517563r/min柱塞直径5550mm柱塞行程7066mm电机功率37125kw电机转速14701480r/min外型尺寸1730*790*8152300*980*1040mm*mm*mm总重量10802600kg安全阀出厂调定34.7~36.8MPa压力卸载阀出厂调定压力31.5MPa卸载阀的恢复工作压力卸载阀的调定压力的75%~90%工作介质清洁水或经沉淀过滤的矿井水乳化液(含3%~5%乳化油与中性水的混合液)3、结构特点及主要部件综采工作面乳化液泵是为薄煤层液压支架提供动力源,它主要有曲轴箱组件、高压缸套组件、泵头组件、安全阀、卸载阀、联轴器等组成。喷雾泵是为薄煤层采煤机提供冷却水和消尘喷雾用水。主要由主阀部、卸载阀部、泵头等组成。(二)岗位设备工作原理、适用范围、标准工作效率乳化液泵:1、工作原理:乳化液泵的结构为卧式三柱塞往复泵,选用四级防爆电机驱动,经一对齿轮减速后。带动三曲拐曲轴旋转,再经连杆滑块机构,带动柱塞在高压缸套内作往复运动,当柱塞往后运动时,乳化液在负压作用下,经泵头的吸液阀而被吸入,当柱塞往前运动时,乳化液经泵头的排液阀排出,从而使电能转换成液压能,输出高压乳化液,供液压支架工作时使用。喷雾泵分别与XPA过滤器组组成相应的喷雾泵站,也是经过电能转化为液压能为采煤机提供冷却水及喷雾、降尘用水。2、适用范围:泵站由电动机给泵提供动力源对进行加压然后输出供工作面设备使用。喷雾泵站适用于6MPa压力要求以下的各种冷却及喷雾设备。乳化液泵站适用于31.5MPa压力要求以下的支架及液压设备。(三)岗位设备安装运行对周边环境要求和使用注意事项1、泵站范围内顶板平整,牢固可靠,支护完好。2、绝缘用具良好,防火器材完整齐全完好。3、电气设备的20米范围内巷道风流中瓦斯浓度小于1%。七、工作流程与作业标准:㈠工作流程:参加班前会→接班→操作前准备→进行生产→交班。㈡作业标准1.设备启动前对周边环境的主要危险源、危险因素辨识与控制(1)危险源:设备使用范围内帮、顶支护不好控制方法:设备使用范围内支护必须先处理完好后维修设备;(2)危险源:瓦斯浓度规定控制方法:在检修地点20m内风流中瓦斯浓度达到1%时,严禁送电试车;达到1.5%时,必须停止作业,并切断电源,撤出人员。(3)危险源:起吊重物控制方法:吊挂支撑物应牢固,在吊、运物件时,随时检查顶板支护安全情况,检查周围应无其他不安全因素,禁止在不安全的情况下工作。(4)危险源:在斜巷进行维修作业控制方法:在斜巷进行维修作业时,上、下部车场各出口处应设警戒。(4)危险源:在检修设备时控制方法...

1、当您付费下载文档后,您只拥有了使用权限,并不意味着购买了版权,文档只能用于自身使用,不得用于其他商业用途(如 [转卖]进行直接盈利或[编辑后售卖]进行间接盈利)。
2、本站所有内容均由合作方或网友上传,本站不对文档的完整性、权威性及其观点立场正确性做任何保证或承诺!文档内容仅供研究参考,付费前请自行鉴别。
3、如文档内容存在违规,或者侵犯商业秘密、侵犯著作权等,请点击“违规举报”。

碎片内容

乳化液泵工岗位描述

您可能关注的文档

确认删除?
VIP
微信客服
  • 扫码咨询
会员Q群
  • 会员专属群点击这里加入QQ群
客服邮箱
回到顶部