电脑桌面
添加小米粒文库到电脑桌面
安装后可以在桌面快捷访问

实验员岗岗位说明书VIP免费

实验员岗岗位说明书_第1页
1/3
实验员岗岗位说明书_第2页
2/3
实验员岗岗位说明书_第3页
3/3
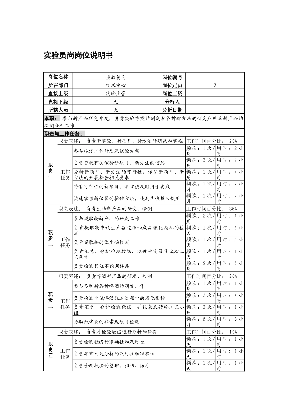
实验员岗岗位说明书岗位名称实验员岗岗位编号所在部门技术中心岗位定员2直接上级实验主管岗位工资直接下级无分析人所辖人员无分析日期本职:参与新产品研究开发,负责实验方案的制定和各种新方法的研究应用及新产品的检测分析工作职责与工作任务:职责一职责表述:负责新实验、新项目、新方法的研究和实施工作时间百分比:20%工作任务参与拟定工作计划及试验方案频次:1次/周用时:2小时负责查找有关试验新项目、新方法的信息频次:3次/周用时:2小时分析新项目、新方法的可行性,保证新项目、新方法的开展符合相关要求频次:1次/周用时:4小时将有可行性的新项目、新方法及时用于实践频次:1次/月用时:2小时快速掌握新仪器的操作方法,使其尽快投入使用频次:1次/月用时:2小时职责二职责表述:负责生物新产品的研发、检测工作时间百分比:35%工作任务参与提取物新产品的研发工作频次:2次/周用时:1小时负责提取物中试生产各过程和成品理化指标的检测频次:1次/天用时:6小时负责提取物的微生物检测频次:1次/天用时:5小时负责汇总、分析检测数据,以便确定最佳试验工艺条件频次:1次/天用时:1小时负责检测其他不预期样品频次:2次/周用时:5小时职责三职责表述:负责啤酒新产品的研发、检测工作时间百分比:20%工作任务参与各种新品种啤酒的研发工作频次:1次/周用时:1小时负责检测中试啤酒酿造过程中的理化指标频次:3次/周用时:4小时负责汇总、分析检测数据,并报表反馈给工艺小组频次:3次/周用时:1小时协助做啤酒的非常规项目检测频次:6次/月用时:3小时职责四职责表述:负责对检验数据进行分析和保存工作时间百分比:10%工作任务负责检测数据的准确性和及时性频次:1次/天用时:1小时负责异常问题分析的及时性和准确性频次:1次/天用时:1小时负责检测数据的整理、归档、保存频次:1次/天用时:1小时负责及时分析并上报检测工作的异常问题频次:1次/天用时:1小时职责五职责表述:负责实验室化学药品的管理工作时间百分比:5%工作任务负责对本岗位工作所需化学药品和其它用品进行计划预算并上报批准频次:1次/周用时:1小时负责配制实验所需的各种试剂频次:2次/周用时:2小时负责对标准试剂的浓度进行标定频次:1次/月用时:4小时职责六职责表述:负责本岗位所属实验仪器的维护、清洗工作时间百分比:5%工作任务正确使用实验仪器,检测前的准备试运行工作频次:1次/天用时:1小时使用后认真清洗、维护频次:1次/天用时:1小时清洗各种实验的用品和器皿频次:1次/天用时:1小时职责七职责表述:完成上级交办的其他工作工作时间百分比:5%权力:1.有提出合理的新项目、新课题的建议权2.有新产品研发过程的数据的检测权和报告权3.有实验检测数据的整理、分析、保存权4.有对本岗位用药品试剂消耗品的预算权5.对上级下达的指令有提出改进权6.有实验仪器的使用和维护保养权7.有相关信息的知情权8.有参加相关的知识学习和业务的培训权考核指标:1.检测计划完成的及时完成率95%以上2.各项实验检测数据准确率95%以上3.新产品研发试验过程中检测的当天内完成4.实验仪器的正确使用和维护保养,设备正常运转100%6.实验检验数据在完成检测后两小时内及时报表并反馈给相关部门7.啤酒风味物质检测每月25号以前完成并报表8.对领导交办的事项在规定时间内完成工作协作关系:内部协调关系公司技术中心主任、第一生产工厂、第二生产工厂、物资生产技术部、同部门其他小组外部协调关系质检部门、各高等院校、仪器代理商及相关生产企业任职资格:教育水平专科以上专业生化、发酵、分析及相关专业工作经验应届大学毕业生或1年以上工作经验能力要求有较强的食品研发能力及试验动手能力个性特征有较强的责任心、细心,创新性思维生理特征无特别要求所需培训各种仪器设备培训每年两次,每次一周;企业制度培训每年一次,每次2天工作特点:工作场所实验室工作方式站、走动工作时间特征正常工作时间,有时需下班延时、周末加班工作环境经常接触有毒、强腐蚀性物品体力精力消耗精力集中度高、工作紧张劳动保护潜在化学药品中毒使用工具/设备蛋白质测定仪、分光光度仪、气相色谱仪、纯水设备、PH计...

1、当您付费下载文档后,您只拥有了使用权限,并不意味着购买了版权,文档只能用于自身使用,不得用于其他商业用途(如 [转卖]进行直接盈利或[编辑后售卖]进行间接盈利)。
2、本站所有内容均由合作方或网友上传,本站不对文档的完整性、权威性及其观点立场正确性做任何保证或承诺!文档内容仅供研究参考,付费前请自行鉴别。
3、如文档内容存在违规,或者侵犯商业秘密、侵犯著作权等,请点击“违规举报”。

碎片内容

实验员岗岗位说明书

您可能关注的文档

确认删除?
VIP
微信客服
  • 扫码咨询
会员Q群
  • 会员专属群点击这里加入QQ群
客服邮箱
回到顶部