电脑桌面
添加小米粒文库到电脑桌面
安装后可以在桌面快捷访问

制造管理考核考核方法VIP免费

制造管理考核考核方法_第1页
1/9
制造管理考核考核方法_第2页
2/9
制造管理考核考核方法_第3页
3/9
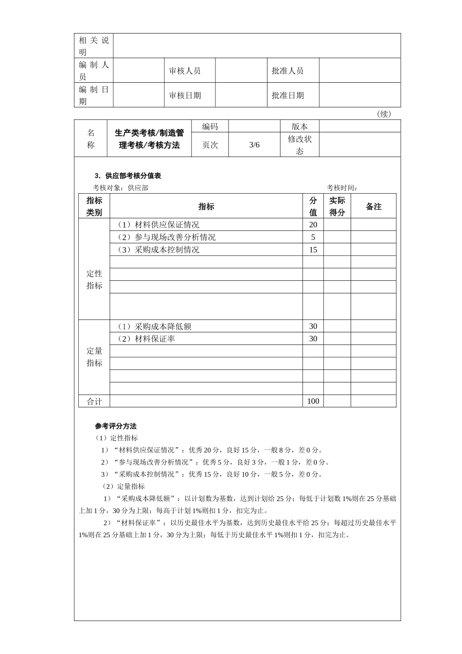
制造管理考核/考核方法名称生产类考核/制造管理考核/考核方法编码版本页次1/6修改状态1.生产计划部考核分值表考核对象:生产计划部考核时间:指标类别指标分值实际得分备注定性指标(1)工作流程设计质量情况5(2)参与厂区布置和生产线布置情况5(3)现场管理与检查工作质量情况10(4)生产进度控制与促进情况10(5)制造成本控制情况10定量指标(1)可比产品成本降低率15(2)制造费用降低率15(3)全员劳动生产率15(4)目标成本实现率15合计100参考评分方法(1)定性指标1)“工作流程设计质量情况”:优秀5分,良好3分,一般1分,差0分。2)“参与厂区布置和生产线布置情况”:优秀5分,良好3分,一般1分,差0分。3)“现场管理与检查工作质量情况”:优秀10分,良好6分,一般2分,差0分。4)“生产进度控制与促进情况”:优秀10分,良好6分,一般2分,差0分。5)“制造成本控制情况”:优秀10分,良好6分,一般2分,差0分。(2)定量指标1)“可比产品成本降低率”:以上年对比数为基数,达到对比数给10分;每低于对比数1%则在10分基础上加1分,15分为上限;每高于对比数1%则扣1分,扣完为止。2)“制造费用降低率”:以计划数为基数,达到计划数给10分;每低于计划1%则在10分基础上加1分,15分为上限;每高于计划1%则扣1分,扣完为止。3)“全员劳动生产率”:以历史最佳水平为基数,达到历史最佳水平给10分;每超过历史最佳水平1%则在10分基础上加1分,15分为上限;每低于历史最佳水平1%则扣1分,扣完为止。4)“目标成本实现率”:以目标为基数,达到目标给10分;每低于目标1%则在10分基础上加1分,15分为上限;每高于目标1%则扣1分,扣完为止。相关说明编制人员审核人员批准人员编制日期审核日期批准日期(续)名称生产类考核/制造管理考核/考核方法编码版本页次2/6修改状态2.技术开发部考核分值表考核对象:技术开发部考核时间:指标类别指标分值实际得分备注定性指标(1)参与工作流程设计情况10(2)厂区布置和生产线布置情况5(3)现场改善技术分析情况10(4)控制设计成本情况15定量指标新产品增加值率60合计100参考评分方法(1)定性指标1)“参与工作流程设计情况”:优秀10分,良好6分,一般2分,差0分。2)“厂区布置和生产线布置情况”:优秀5分,良好3分,一般1分,差0分。3)“现场改善技术分析情况”:优秀10分,良好6分,一般2分,差0分。4)“控制设计成本情况”:优秀15分,良好10分,一般5分,差0分。(2)定量指标“新产品增加值率”:以历史最佳水平为基数,达到历史最佳水平给50分;每超过历史最佳水平1%则在50分基础上加1分,60分为上限;每低于历史最佳水平1%则扣1分,扣完为止。相关说明编制人员审核人员批准人员编制日期审核日期批准日期(续)名称生产类考核/制造管理考核/考核方法编码版本页次3/6修改状态3.供应部考核分值表考核对象:供应部考核时间:指标类别指标分值实际得分备注定性指标(1)材料供应保证情况20(2)参与现场改善分析情况5(3)采购成本控制情况15定量指标(1)采购成本降低额30(2)材料保证率30合计100参考评分方法(1)定性指标1)“材料供应保证情况”:优秀20分,良好15分,一般8分,差0分。2)“参与现场改善分析情况”:优秀5分,良好3分,一般1分,差0分。3)“采购成本控制情况”:优秀15分,良好10分,一般5分,差0分。(2)定量指标1)“采购成本降低额”:以计划数为基数,达到计划给25分;每低于计划数1%则在25分基础上加1分,30分为上限;每高于计划1%则扣1分,扣完为止。2)“材料保证率”:以历史最佳水平为基数,达到历史最佳水平给25分;每超过历史最佳水平1%则在25分基础上加1分,30分为上限;每低于历史最佳水平1%则扣1分,扣完为止。相关说明编制人员审核人员批准人员编制日期审核日期批准日期(续)名称生产类考核/制造管理考核/考核方法编码版本页次4/6修改状态4.机电设备部考核分值表考核对象:机电设备部考核时间:指标类别指标分值实际得分备注定性指标(1)参与现场改善分析情况10(2)辅助生产成本控制、核算、分配情况10(3)设备工具保养管理情况20定量指标(1)设备完好率20(2)设备利用率...

1、当您付费下载文档后,您只拥有了使用权限,并不意味着购买了版权,文档只能用于自身使用,不得用于其他商业用途(如 [转卖]进行直接盈利或[编辑后售卖]进行间接盈利)。
2、本站所有内容均由合作方或网友上传,本站不对文档的完整性、权威性及其观点立场正确性做任何保证或承诺!文档内容仅供研究参考,付费前请自行鉴别。
3、如文档内容存在违规,或者侵犯商业秘密、侵犯著作权等,请点击“违规举报”。

碎片内容

制造管理考核考核方法

确认删除?
VIP
微信客服
  • 扫码咨询
会员Q群
  • 会员专属群点击这里加入QQ群
客服邮箱
回到顶部