电脑桌面
添加小米粒文库到电脑桌面
安装后可以在桌面快捷访问

人力资源-AutoCAD高端培训资料VIP免费

人力资源-AutoCAD高端培训资料_第1页
1/83
人力资源-AutoCAD高端培训资料_第2页
2/83
人力资源-AutoCAD高端培训资料_第3页
3/83
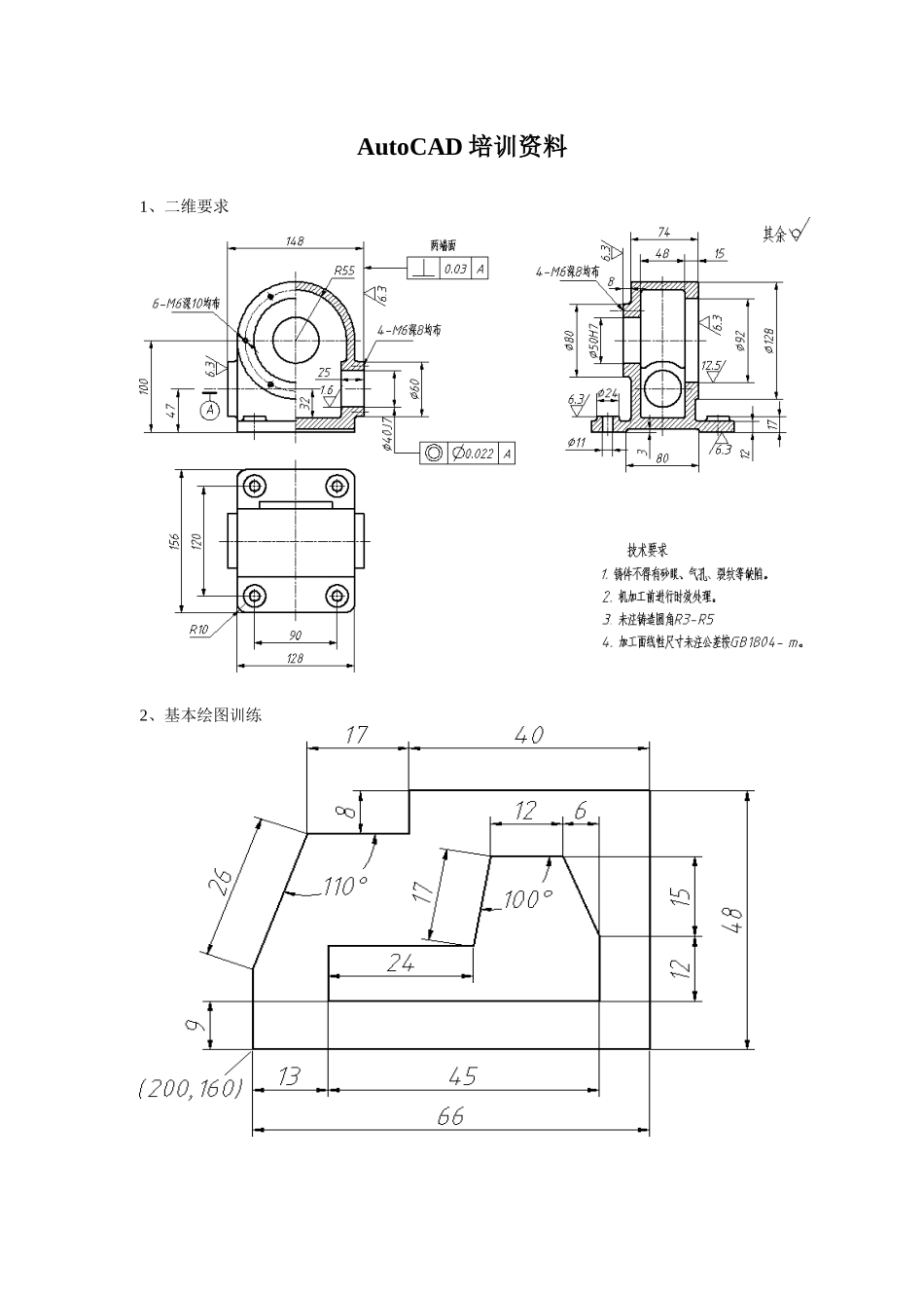
CAD高端培训AutoCAD所有版本高级培训资料版权所有翻录必究2010年10月前言AutoCAD高级培训主要针对有志成为AutoCAD高端应用人才的相关专业人员。通过该项认证的考生以此向企业、学校证明自身应用CAD进行设计的能力。在校理工科大学生不久将踏入社会,不管你是搞机械的,还是搞建筑或室内设计的;不论你是设计元器件的,还是设计家具的;亦或研究高分子材料的、研究光学的或是GIS专业(地理信息系统)的等等,在自己的工作中总要画画图纸,并进行一些几何力学分析、空间运动或材料等方面的分析运算。作为辅助设计行业标准的AutoCAD,其用户已遍及150多个国家;在《财富》500强中,98%都是Autodesk的客户;每年在全球1000多家Autodesk培训中心,有1百万学生接受AutoCAD培训。在中国入世的今天,各国技术交流越发紧密,随着应用要求的提升,必将扩大市场对高端CAD应用人才的需求。从今年南京市的情况来看,参加AutoCAD考试的在校大学生呈明显上升趋势。学生越发觉得AutoCAD是一个非常优秀的网络设计工具(而不是简单地抄抄图纸),其高端三维应用已成为大学生的追求目标。比较其他种类的CAD培训,高级培训侧重于考核考生解决实际设计过程中遇到的几何和力学计算问题的能力(这才是真正的设计,而不是把所有数据给你,让你简单地用计算机描描图)。这样就显得获得该证书的学员具有很强的CAD实际设计能力,倍受大型建筑和机械设计公司的青睐。你如果真的很想成为一位AutoCAD高手,你首先必须明白自己很可能成不了这方面的高手。如同恋爱中的男女总期望有个美好的结果,但往往事与愿违。于是,我们开始相信缘分的存在;于是,我们开始慢慢学会等待。接下来一点,我认为对那些真正想成为AutoCAD高手的朋友们来说,是极为重要的,那就是:向AutoCAD妥协。很多人不能真正理解AutoCAD的原因是,当他们遇到问题时,想的不是利用自身已有的几何学知识,通过AutoCAD提供的工具,玩出一种新的作图法;而是直接向那些所谓的更高级的软件索要新的工具。其实任何软件都是有其局限的。想想看,如果你想和自己的女(男)朋友有结果的话,是不是要学着宽容和理解一点?最后一点就是要学会感谢,感谢父母的恩情,感谢朋友的照顾,感谢老师的指点。缘分—等待—妥协—感谢,这四个富含着绅士精神的词汇,这四个高贵优雅的词汇,你做到了几个?我现在算是做得不错了,可在“感谢”这方面做得还很不够,结婚之后回家的次数太少了……你决定了吗?你决定了要靠AutoCAD吃饭吗?你决定了要成为AutoCAD方面的大师能手了吗?决定了就不要犹豫啦!等待你的一定是成功!让我们一起CAD吧!如果在这里的学习能使你感觉“是一种享受”的话,那么OK!我们的目的达到了。我们培养的不是工作狂人,而是一种CAD文化。当你有一天起床对着镜子刷牙时,突然间会情不自禁地问自己“今天我CAD了吗”,那么恭喜你!你已经成功了。我喜欢把这称为“脚踏AutoCAD土地,双眼却已望见灿烂的星空”。编者2010年10月AutoCAD培训资料1、二维要求2、基本绘图训练3、修改工具的使用4、多段线、对象的编辑和面域应用5、尺寸注法和文字书写6、信息查询和图块使用7、零件图8、产品设计的方法和步骤和装配9、轴测图10、打印11、三维建模12、AutoCAD证书考试练习题三维到二维1.打开文件打开文件,我打开的是“方块螺母.dwg”。应该注意的是:你要转化为二维的物体应该是实体(solid),而不是网格物体或面物体。如按好的习惯,应该是用实际比例画在模型空间中。着色模式:2.转到布局中,删除系统自动生成的视口。3.布局自己的视口3.1新建一个层,命名为“视口”,将其设置为不可打印,并设置为当前层。3.2建自己的视口。运行“视图→视口→四个视口”命令:_-vports指定视口的角点或[开(ON)/关(OFF)/布满(F)/消隐出图(H)/锁定(L)/对象(O)/多边形(P)/恢复(R)/2/3/4]<布满>:_4指定第一个角点或[布满(F)]<布满>:;在这个地方按回车正在重生成模型。4.进入浮动模型空间在状态栏“图纸”上按一下,它将变为“模型”,当前活动的视口边框将加粗。5.设置各视图利用“视图→三维视图”菜单将三视图调整为其正交状态。如果你的图上没其它东西,将显示成类似于...

1、当您付费下载文档后,您只拥有了使用权限,并不意味着购买了版权,文档只能用于自身使用,不得用于其他商业用途(如 [转卖]进行直接盈利或[编辑后售卖]进行间接盈利)。
2、本站所有内容均由合作方或网友上传,本站不对文档的完整性、权威性及其观点立场正确性做任何保证或承诺!文档内容仅供研究参考,付费前请自行鉴别。
3、如文档内容存在违规,或者侵犯商业秘密、侵犯著作权等,请点击“违规举报”。

碎片内容

人力资源-AutoCAD高端培训资料

您可能关注的文档

海纳百川+ 关注
实名认证
内容提供者

热爱教学事业,对互联网知识分享很感兴趣

确认删除?
VIP
微信客服
  • 扫码咨询
会员Q群
  • 会员专属群点击这里加入QQ群
客服邮箱
回到顶部