电脑桌面
添加小米粒文库到电脑桌面
安装后可以在桌面快捷访问

一厂成本核算岗位说明书VIP免费

一厂成本核算岗位说明书_第1页
1/5
一厂成本核算岗位说明书_第2页
2/5
一厂成本核算岗位说明书_第3页
3/5
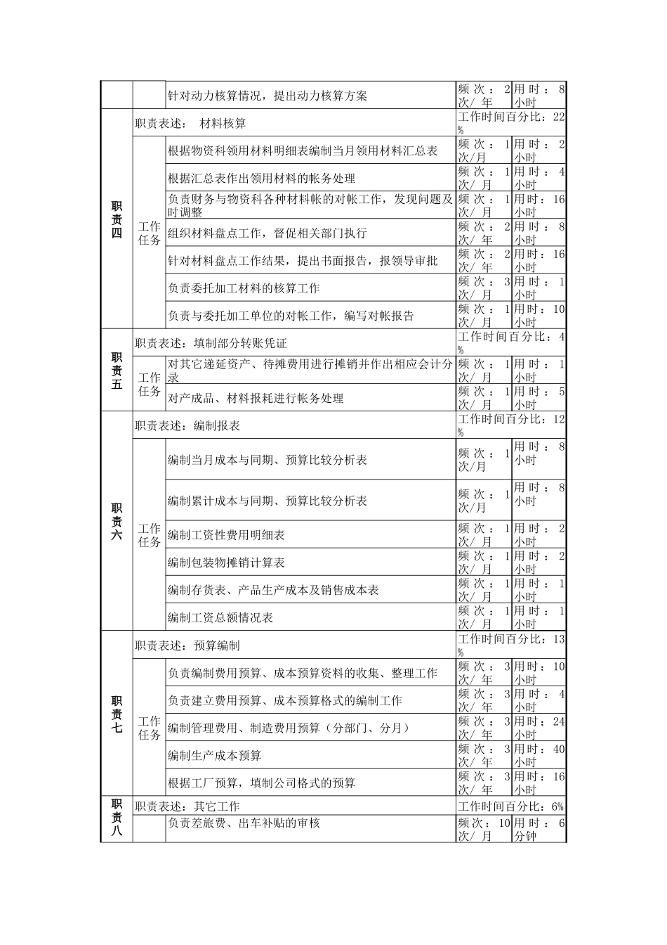
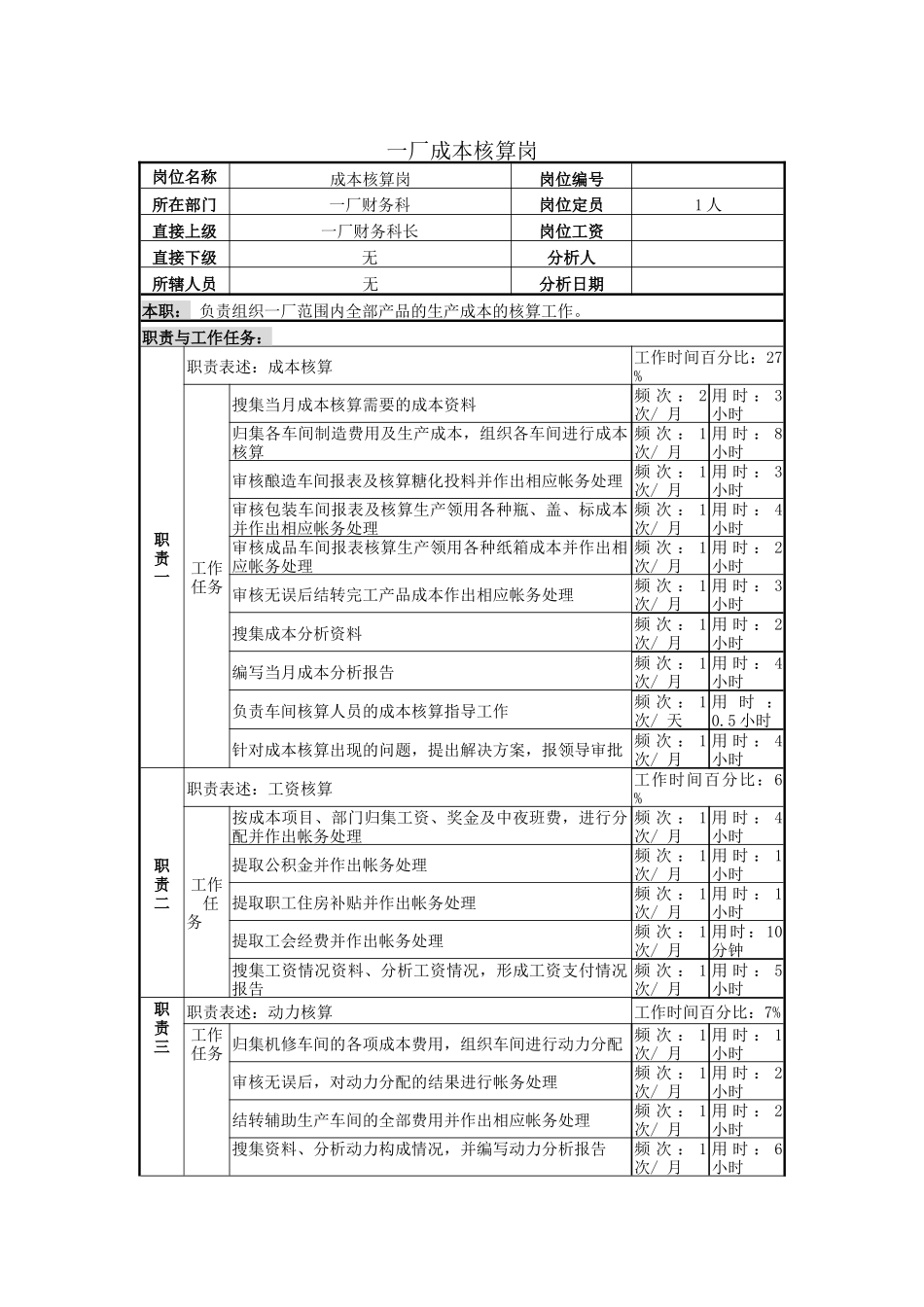
一厂成本核算岗岗位名称成本核算岗岗位编号所在部门一厂财务科岗位定员1人直接上级一厂财务科长岗位工资直接下级无分析人所辖人员无分析日期本职:负责组织一厂范围内全部产品的生产成本的核算工作。职责与工作任务:职责一职责表述:成本核算工作时间百分比:27%工作任务搜集当月成本核算需要的成本资料频次:2次/月用时:3小时归集各车间制造费用及生产成本,组织各车间进行成本核算频次:1次/月用时:8小时审核酿造车间报表及核算糖化投料并作出相应帐务处理频次:1次/月用时:3小时审核包装车间报表及核算生产领用各种瓶、盖、标成本并作出相应帐务处理频次:1次/月用时:4小时审核成品车间报表核算生产领用各种纸箱成本并作出相应帐务处理频次:1次/月用时:2小时审核无误后结转完工产品成本作出相应帐务处理频次:1次/月用时:3小时搜集成本分析资料频次:1次/月用时:2小时编写当月成本分析报告频次:1次/月用时:4小时负责车间核算人员的成本核算指导工作频次:1次/天用时:0.5小时针对成本核算出现的问题,提出解决方案,报领导审批频次:1次/月用时:4小时职责二职责表述:工资核算工作时间百分比:6%工作任务按成本项目、部门归集工资、奖金及中夜班费,进行分配并作出帐务处理频次:1次/月用时:4小时提取公积金并作出帐务处理频次:1次/月用时:1小时提取职工住房补贴并作出帐务处理频次:1次/月用时:1小时提取工会经费并作出帐务处理频次:1次/月用时:10分钟搜集工资情况资料、分析工资情况,形成工资支付情况报告频次:1次/月用时:5小时职责三职责表述:动力核算工作时间百分比:7%工作任务归集机修车间的各项成本费用,组织车间进行动力分配频次:1次/月用时:1小时审核无误后,对动力分配的结果进行帐务处理频次:1次/月用时:2小时结转辅助生产车间的全部费用并作出相应帐务处理频次:1次/月用时:2小时搜集资料、分析动力构成情况,并编写动力分析报告频次:1次/月用时:6小时针对动力核算情况,提出动力核算方案频次:2次/年用时:8小时职责四职责表述:材料核算工作时间百分比:22%工作任务根据物资科领用材料明细表编制当月领用材料汇总表频次:1次/月用时:2小时根据汇总表作出领用材料的帐务处理频次:1次/月用时:4小时负责财务与物资科各种材料帐的对帐工作,发现问题及时调整频次:1次/月用时:16小时组织材料盘点工作,督促相关部门执行频次:2次/年用时:8小时针对材料盘点工作结果,提出书面报告,报领导审批频次:2次/年用时:16小时负责委托加工材料的核算工作频次:3次/月用时:1小时负责与委托加工单位的对帐工作,编写对帐报告频次:1次/月用时:10小时职责五职责表述:填制部分转账凭证工作时间百分比:4%工作任务对其它递延资产、待摊费用进行摊销并作出相应会计分录频次:1次/月用时:1小时对产成品、材料报耗进行帐务处理频次:1次/月用时:5小时职责六职责表述:编制报表工作时间百分比:12%工作任务编制当月成本与同期、预算比较分析表频次:1次/月用时:8小时编制累计成本与同期、预算比较分析表频次:1次/月用时:8小时编制工资性费用明细表频次:1次/月用时:2小时编制包装物摊销计算表频次:1次/月用时:2小时编制存货表、产品生产成本及销售成本表频次:1次/月用时:1小时编制工资总额情况表频次:1次/月用时:1小时职责七职责表述:预算编制工作时间百分比:13%工作任务负责编制费用预算、成本预算资料的收集、整理工作频次:3次/年用时:10小时负责建立费用预算、成本预算格式的编制工作频次:3次/年用时:4小时编制管理费用、制造费用预算(分部门、分月)频次:3次/年用时:24小时编制生产成本预算频次:3次/年用时:40小时根据工厂预算,填制公司格式的预算频次:3次/年用时:16小时职责八职责表述:其它工作工作时间百分比:6%负责差旅费、出车补贴的审核频次:10次/月用时:6分钟负责审计食堂酒家的财务收支情况频次:1次/年用时:40小时负责新产品成本核算体系的建立频次:2次/月用时:2小时负责会计凭证的装订整理及职工酒票的财务管理频次:1次/月用时:10小时负责工会的帐务处理工作频次:2次/月用时:1小时职责九职...

1、当您付费下载文档后,您只拥有了使用权限,并不意味着购买了版权,文档只能用于自身使用,不得用于其他商业用途(如 [转卖]进行直接盈利或[编辑后售卖]进行间接盈利)。
2、本站所有内容均由合作方或网友上传,本站不对文档的完整性、权威性及其观点立场正确性做任何保证或承诺!文档内容仅供研究参考,付费前请自行鉴别。
3、如文档内容存在违规,或者侵犯商业秘密、侵犯著作权等,请点击“违规举报”。

碎片内容

一厂成本核算岗位说明书

确认删除?
VIP
微信客服
  • 扫码咨询
会员Q群
  • 会员专属群点击这里加入QQ群
客服邮箱
回到顶部