电脑桌面
添加小米粒文库到电脑桌面
安装后可以在桌面快捷访问

附件金蝶K3生产管理系统案例材料一、系统功能概述K/3VIP免费

附件金蝶K3生产管理系统案例材料一、系统功能概述K/3_第1页
1/14
附件金蝶K3生产管理系统案例材料一、系统功能概述K/3_第2页
2/14
附件金蝶K3生产管理系统案例材料一、系统功能概述K/3_第3页
3/14
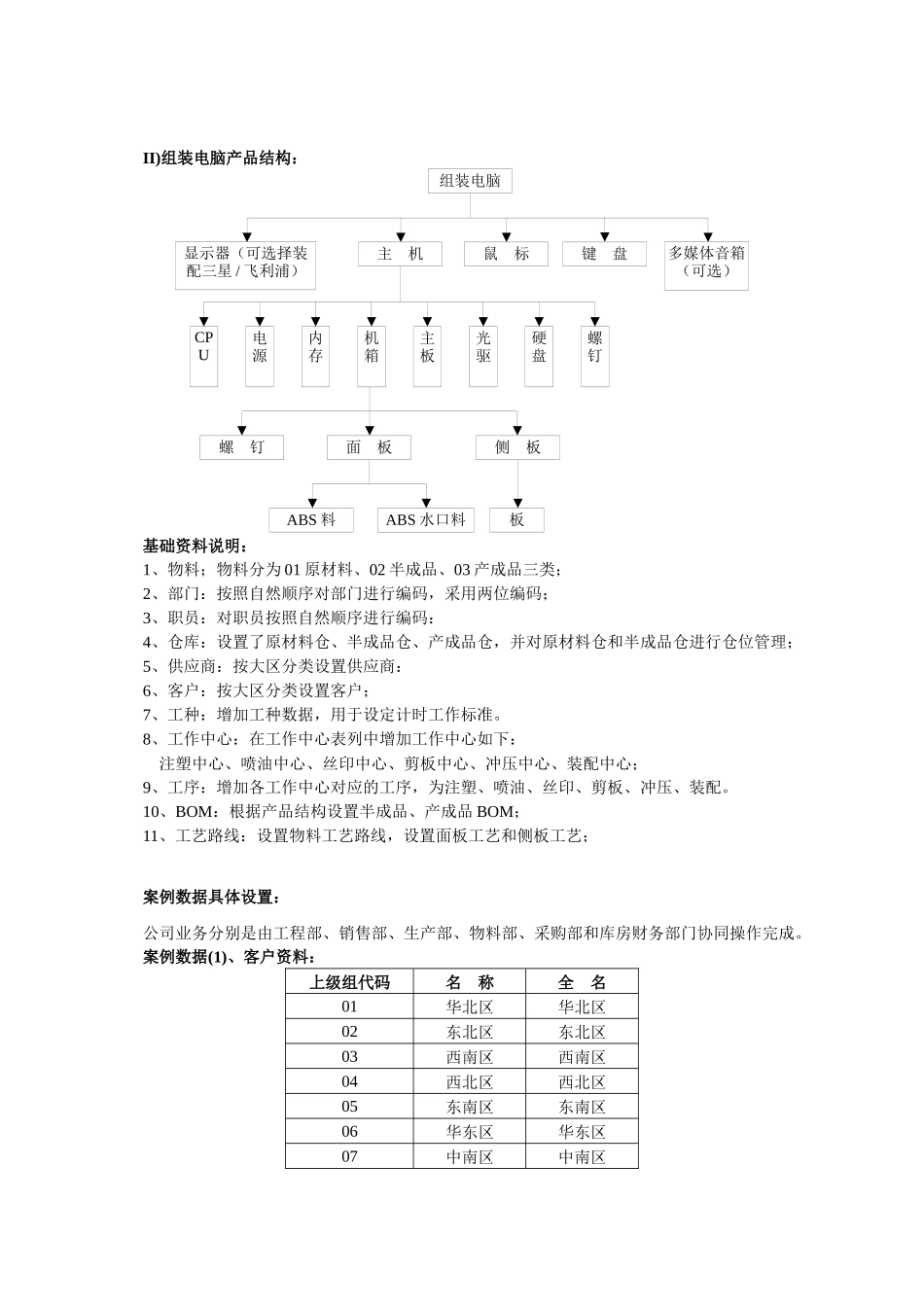
销售定单销售预测主生产计划(MPS)计划定单粗能力计划(RCCP)物料需求计划(MRP)计划定单细能力计划(CRP)物料替代建议计划定单确认计划定单投放采购申请单生产任务单重复生产计划单委外加工任务单采购定单重复生产计划单采购管理生产任务管理重复生产管理委外加工管理定单取消建议定单交期提前建议定单交期推后建议附件金蝶K/3生产管理系统案例材料一、系统功能概述K/3的生产管理系统,包括十大功能模块:生产数据管理、主生产计划(MPS)、粗能力计划(RCCP)、物料需求计划(MRP)、细能力计划(RCP)、生产任务管理、重复生产计划管理、委外加工管理、车间管理、设备管理;本系统与K/3的销售系统、采购系统、仓存系统二财务系统是无缝集成的;要顺利实现本系统的功能,需要物料基础资料、库存、BOM等基础资料。二、流程图深圳绿色原野有限公司人力资源厂办公室采购部销售部行政部财务部注塑车间喷油车间丝印车间冲压车间总装车间装配车间剪板车间品牌电脑显示器主机鼠标键盘CPU电源内存机箱主板光驱硬盘螺钉螺钉面板框架外壳ABS料ABS水口料镀锌钢板三、案例背景及其数据资料公司名称:深圳绿色原野公司生产产品:品牌及组装电脑深圳绿色原野公司是一家高新技术企业,是以制造为主的综合性工厂,下设七个车间,主要生产组装电脑和品牌电脑两种产品。公司组织结构:注塑车间:完成塑胶件的注塑喷油乍间:完成塑件的喷油丝印车间:在塑胶件上印刷剪板车间:完成镀锌钢板的剪裁冲压车间;完成剪裁后的不锈钢板冲压成外壳的过程装配车间:装配产品。总装车间:总装产品。公司产品结构如下图所示:I)电脑产品结构:组装电脑显示器(可选择装配三星/飞利浦)主机鼠标键盘螺钉面板侧板ABS料ABS水口料CPU电源内存机箱主板光驱硬盘螺钉多媒体音箱(可选)板II)组装电脑产品结构:基础资料说明:1、物料;物料分为01原材料、02半成品、03产成品三类;2、部门:按照自然顺序对部门进行编码,采用两位编码;3、职员:对职员按照自然顺序进行编码:4、仓库:设置了原材料仓、半成品仓、产成品仓,并对原材料仓和半成品仓进行仓位管理;5、供应商:按大区分类设置供应商:6、客户:按大区分类设置客户;7、工种:增加工种数据,用于设定计时工作标准。8、工作中心:在工作中心表列中增加工作中心如下:注塑中心、喷油中心、丝印中心、剪板中心、冲压中心、装配中心;9、工序:增加各工作中心对应的工序,为注塑、喷油、丝印、剪板、冲压、装配。10、BOM:根据产品结构设置半成品、产成品BOM;11、工艺路线:设置物料工艺路线,设置面板工艺和侧板工艺;案例数据具体设置:公司业务分别是由工程部、销售部、生产部、物料部、采购部和库房财务部门协同操作完成。案例数据(1)、客户资料:上级组代码名称全名01华北区华北区02东北区东北区03西南区西南区04西北区西北区05东南区东南区06华东区华东区07中南区中南区10国外客户国外客户11现金管理现金管理客户代码客户名称客户代码客户名称01.03华北电子公司05.03汕头电器公司01.05北京绿色原野公司05.04深圳荣普电脑公司02.02辽宁电子厂05.05深圳金色原野公司02.03抚顺电线电缆厂06.02无锡电器公司02.04齐齐哈尔电缆厂06.03昆山电器公司02.05锦州彩管厂10.01香港长途联运公司03.0l成都电器有限公司10.02美国WEB实验室03.02重庆家电有限公司10.08德国WEBSTER公司03.03贵州新技术公司10.97stresslab04.01西安中兴公司10.99hollycopltd04.02西安华夏公司11.01银行04.03兰州电器公司11.02开户行05.01深圳绿色原野有限公司11.03账号05.02江门电器公司案例数据(2)、供应商资料:上级组代码名称全名01东北区东北区02西北区西北区03华北区华北区04东南区东南区09国外区国外区供应商代码供应商名称供应商代码供应商名称01.01上海电线电缆厂04.02深圳有限公司01.02苏州电子厂04.03广州钢铁贸易总公司02.01西安电子厂04.05深圳梅林建材有限责任公司02.02长安高科技公司04.06广东省电力仪器制造有限公司03.01北京公司04.07深圳金色原野公司03.02石家庄电子厂09.01JEANCOOPCOMPANY04.0l广州彩管厂09.05HKBUICKCORPLTD案例...

1、当您付费下载文档后,您只拥有了使用权限,并不意味着购买了版权,文档只能用于自身使用,不得用于其他商业用途(如 [转卖]进行直接盈利或[编辑后售卖]进行间接盈利)。
2、本站所有内容均由合作方或网友上传,本站不对文档的完整性、权威性及其观点立场正确性做任何保证或承诺!文档内容仅供研究参考,付费前请自行鉴别。
3、如文档内容存在违规,或者侵犯商业秘密、侵犯著作权等,请点击“违规举报”。

碎片内容

附件金蝶K3生产管理系统案例材料一、系统功能概述K/3

您可能关注的文档

墨香书阁+ 关注
实名认证
内容提供者

热爱教学事业,对互联网知识分享很感兴趣

确认删除?
VIP
微信客服
  • 扫码咨询
会员Q群
  • 会员专属群点击这里加入QQ群
客服邮箱
回到顶部