电脑桌面
添加小米粒文库到电脑桌面
安装后可以在桌面快捷访问

XXXX年7月份[54]期安全简报-佛山电建集团公司VIP免费

XXXX年7月份[54]期安全简报-佛山电建集团公司_第1页
1/9
XXXX年7月份[54]期安全简报-佛山电建集团公司_第2页
2/9
XXXX年7月份[54]期安全简报-佛山电建集团公司_第3页
3/9
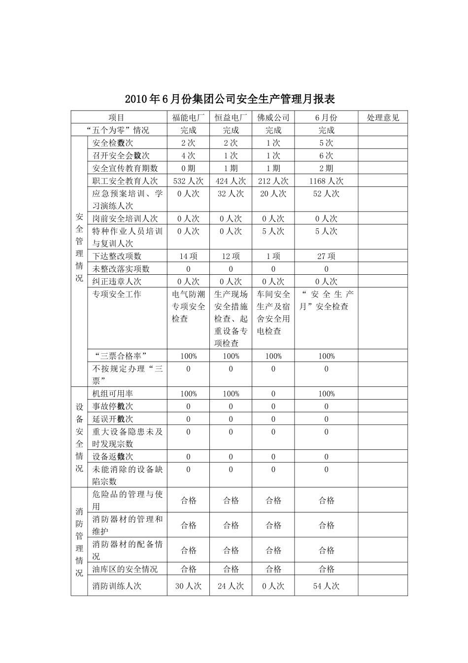
电建集团安全生产简报第7期(总第54期)2010年7月10日主办单位:佛山电建集团公司安全生产委员会集团公司安全生产事故月报表(6月份)类别单位人身伤亡事故火灾事故重大操作事故重大设备事故重大质量事故本月(年)次数其中:伤亡情况本年次数其中:重大事故本年次数其中:重大事故本年次数其中:重大事故本年次数其中:重大事故死亡人数重伤人数本月次数重大次数本月次数重大次数本月次数重大次数本月次数重大次数福能电厂000000000000000恒益电厂000000000000000佛威公司000000000000000燃料公司000000000000000合计0000000000000002010年6月份集团公司安全生产管理月报表项目福能电厂恒益电厂佛威公司6月份处理意见“五个为零”情况完成完成完成完成安全管理情况安全检查次数2次2次1次5次召开安全会议次数4次1次1次6次安全宣传教育期数0期1期1期2期职工安全教育人次532人次424人次212人次1168人次应急预案培训、学习演练人次0人次32人次20人次52人次岗前安全培训人次0人次0人次0人次0人次特种作业人员培训与复训人次0人次0人次5人次5人次下达整改项数14项12项1项27项未整改落实项数0000纠正违章人次0人次0人次0人次0人次专项安全工作电气防潮专项安全检查生产现场安全措施检查、起重设备专项检查车间安全生产及宿舍安全用电检查“安全生产月”安全检查“三票合格率”100%100%100%100%不按规定办理“三票”0000设备安全情况机组可用率100%100%0100%事故停机次数0000延误开机次数0000重大设备隐患未及时发现宗数0000设备返修次数0000未能消除的设备缺陷宗数0000消防管理情况危险品的管理与使用合格合格合格合格消防器材的管理和维护合格合格合格合格消防器材的配备情况合格合格合格合格油库区的安全情况合格合格合格合格消防训练人次30人次24人次0人次54人次其它情况恒益电厂组织热工与燃料班组共32人进行消防演习,内容为皮带栈桥燃煤自燃情况下如何合理科学地进行扑救,检验各人员对于预案及规程的掌握情况,检验情况效果良好。安全生产简况6月份集团公司安全生产主要情况6月份,佛山电建集团公司按照南方电监局《转发电监会关于电力行业继续深入开展“安全生产年”活动实施意见的通知》、《转发国家电监会关于开展2010年电力行业“安全生产月”活动的通知》的要求,并结合实际及集团公司年度工作部署,进一步推进安全生产隐患排查治理和督促检查工作,未发生任何安全生产事故。集团公司安委办及各属下企业安全生产主要工作情况如下:1.集团公司安委办按照国家和省市的部署,今年继续开展第九个全国“安全生产月”活动,6月1日与公控公司资产管理部在集团公司本部饭堂出一期“安全生产月”活动墙报;6月4日组织参与双联物业公司季华大厦地下停车场的防水浸演习;6月13日下午组织属下企业安全生产各级安管人员参加集团公司举办的“安全生产月”活动知识讲座,邀请广东省宣教中心杨海燕教授在季华大厦八楼会议中心举办了一场题为《安全管理与责任》的专题讲座;组织有关人员参加南方电监局举办的电力气象专题讲座;组织开展“安全生产月”安全检查;对恒益电厂2×600MW扩建工地施工现场进行了“安全生产月”安全检查;并对检查发现的问题提出整改意见和建议,督促各企业进行整改落实;完成对福能电厂5月份安全指标完成情况考核工作;对集团公司上半年的安全生产工作和“安全生产月”安全生产工作进行了总结,并将总结材料报南方电监局和公控公司;做好亚运保供电信息月报送工作。2.福能电厂安全生产主要工作是组织开展安全生产月活动,贯彻落实“安全月工作计划的各项工作;进行夏季防暑防高温安全专项检查;对起重机特种设备进行年审检验;组织落实“安全生产年”第一阶段安全隐患排查工作;进行月度安全生产检查及月度安全生产评价;对班组安全文明生产建设进行月度考评。3.恒益电厂安全生产主要工作是进行“安全生产月”宣传,在厂内宣传栏悬挂安全生产挂图,挂出横幅;组织员工进行安全规程考试,共168人参加考试,并全部合格;组织有关人员参加镇安全生产知识问答竞赛;安排各级安管人员参加电建集团公司安委会组织的安全生产知识讲座;进行30台起重机械的检查,将需整改...

1、当您付费下载文档后,您只拥有了使用权限,并不意味着购买了版权,文档只能用于自身使用,不得用于其他商业用途(如 [转卖]进行直接盈利或[编辑后售卖]进行间接盈利)。
2、本站所有内容均由合作方或网友上传,本站不对文档的完整性、权威性及其观点立场正确性做任何保证或承诺!文档内容仅供研究参考,付费前请自行鉴别。
3、如文档内容存在违规,或者侵犯商业秘密、侵犯著作权等,请点击“违规举报”。

碎片内容

XXXX年7月份[54]期安全简报-佛山电建集团公司

墨香书阁+ 关注
实名认证
内容提供者

热爱教学事业,对互联网知识分享很感兴趣

确认删除?
VIP
微信客服
  • 扫码咨询
会员Q群
  • 会员专属群点击这里加入QQ群
客服邮箱
回到顶部