电脑桌面
添加小米粒文库到电脑桌面
安装后可以在桌面快捷访问

某工程人行天桥桩基施工技术方案VIP免费

某工程人行天桥桩基施工技术方案_第1页
1/23
某工程人行天桥桩基施工技术方案_第2页
2/23
某工程人行天桥桩基施工技术方案_第3页
3/23
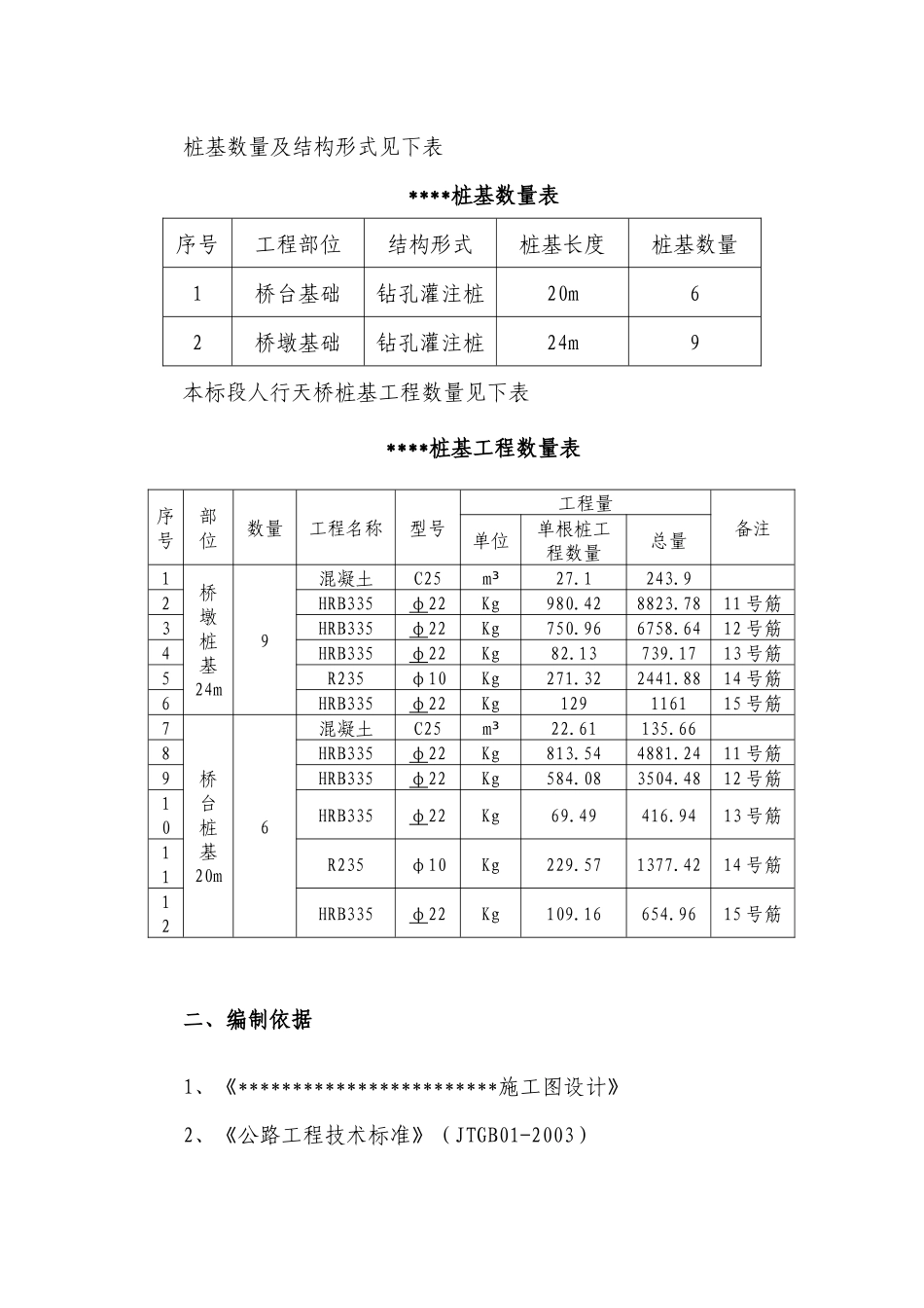
目录一、工程慨况..............................................2二、编制依据..............................................3三、施工现场布置及工期安排................................3四、施工工艺流程和方法....................................41、施工工艺流程................................................................................42、施工方法........................................................................................4(1)、测量放样..........................................................................4(2)、施工准备..........................................................................5(3)、安装钻机..........................................................................6(5)、提钻清孔..........................................................................7(6)、钢筋笼制作与吊放..........................................................8(7)、水下砼灌注....................................................................10(8)、混凝土灌注高度的检测................................................14(9)、泥浆处理........................................................................15五、施工过程中不测事故的预防及应变技术措施...............151、成孔过程中不测事故的预防及处理..........................................162、成桩过程中不测事故的预防及处理..........................................17六、钻孔灌注桩施工的注意事项.............................17七、钻孔灌注桩的检测及质量要求...........................181、桩基检测......................................................................................182、质量要求......................................................................................18八、施工需要说明的问题...................................19九、环境保护及文明施工...................................20十、管线保护措施.........................................20十一、工程质量保证措施...................................21十二、安全生产保证措施...................................22人行天桥钻孔灌注桩基工程施工方案一、工程慨况*************工程起点位于**市**大道与***互通式立交的南端,终点止于***市北环。路线整体上呈北—南走向,路线全长***km。我项目承建的四标段起点里程位于K*+000****南侧约100m处,终点里程位于K**+400海寨南侧,沿线经过6个行政村,全长7.4km。主要工程内容包括:路基、路面、涵洞、人行天桥、防护等。本标段共有人行天桥3座,分别位于K*+300***、K**+780***、K**+300**村,其结构形式与技术指标相同。跨径:7.2m+20m×2+7.2m。桥宽:桥面净宽3.2m+2×0.15m栏杆;梯道和坡道净2.1m+2×0.15m栏杆,主梁下净空大于5.0m。荷载等级:人群荷载4.0kN/㎡。桥面纵坡:1.5%纵坡,由桥台高度调整。桥面横坡:1%双向横坡,由铺装层调整形成。桩基数量及结构形式见下表****桩基数量表序号工程部位结构形式桩基长度桩基数量1桥台基础钻孔灌注桩20m62桥墩基础钻孔灌注桩24m9本标段人行天桥桩基工程数量见下表****桩基工程数量表序号部位数量工程名称型号工程量备注单位单根桩工程数量总量1桥墩桩基24m9混凝土C25m³27.1243.92HRB335φ22Kg980.428823.7811号筋3HRB335φ22Kg750.966758.6412号筋4HRB335φ22Kg82.13739.1713号筋5R235φ10Kg271.322441.8814号筋6HRB335φ22Kg129116115号筋7桥台桩基20m6混凝土C25m³22.61135.668HRB335φ22Kg813.544881.2411号筋9HRB335φ22Kg584.083504.4812号筋10HRB335φ22Kg69.49416.9413号筋11R235φ10Kg229.571377.4214号筋12HRB335φ22Kg109.16654.9615号筋二、编制依据1、《************************施工图设计》2、《公路工程技术标准》(JTGB01-2003)3、《公路桥涵施工技术规范》(JTJ041—2000)4、《...

1、当您付费下载文档后,您只拥有了使用权限,并不意味着购买了版权,文档只能用于自身使用,不得用于其他商业用途(如 [转卖]进行直接盈利或[编辑后售卖]进行间接盈利)。
2、本站所有内容均由合作方或网友上传,本站不对文档的完整性、权威性及其观点立场正确性做任何保证或承诺!文档内容仅供研究参考,付费前请自行鉴别。
3、如文档内容存在违规,或者侵犯商业秘密、侵犯著作权等,请点击“违规举报”。

碎片内容

某工程人行天桥桩基施工技术方案

确认删除?
VIP
微信客服
  • 扫码咨询
会员Q群
  • 会员专属群点击这里加入QQ群
客服邮箱
回到顶部