电脑桌面
添加小米粒文库到电脑桌面
安装后可以在桌面快捷访问

绩效考评指标及运用范本4生产类考核VIP免费

绩效考评指标及运用范本4生产类考核_第1页
1/65
绩效考评指标及运用范本4生产类考核_第2页
2/65
绩效考评指标及运用范本4生产类考核_第3页
3/65
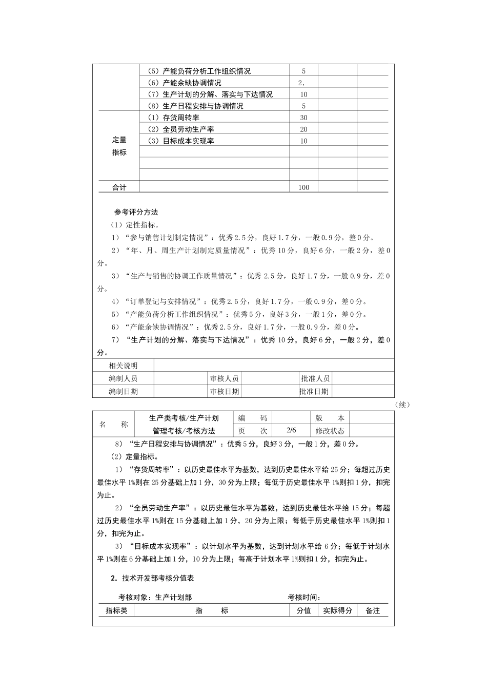
(续)名称生产类考核/生产计划管理考核/考核指标编码版本页次2/3修改状态(2)采购计划及日程的制定、实施与控制情况。(3)供应能力分析情况。定量指标采购成本降低额。采购成本降低额=Σ〔(计划价-实际购入价)×采购量〕4.机电设备部考核指标定性指标(1)参与生产计划制定情况。(2)设备购置与调度计划的制定、实施与控制情况。(3)设备负荷能力分析情况。定量指标(1)设备完好率。设备完好率=完好设备台数÷全部设备台数×100%(2)设备利用率。设备利用率=设备实际工作台时÷设备定额工作台时×100%5.品质管理部考核指标定性指标(1)参与生产计划制定情况。(2)质量检验工作日程安排、实施与控制质量情况。定量指标(1)百元制造成本质量成本。百元制造成本质量成本=质量成本÷制造成本×100%(2)百元销售收入质量成本。百元销售收入质量成本=质量成本÷销售收入×100%6.分厂考核指标定性指标(1)参与生产计划制定情况。相关说明编制人员审核人员批准人员编制日期审核日期批准日期(续)名称生产类考核/生产计划管理考核/考核指标编码版本页次3/3修改状态(2)人力负荷分析情况。(3)制造日程安排、实施与控制情况。定量指标(1)分厂劳动生产率。分厂劳动生产率=报告期分厂完成产值(或增加值)÷分厂全部职工平均人数(2)制造费用降低率。制造费用降低率=(计划制造费用-实际制造费用)÷计划制造费用×100%(3)可比产品成本降低率。可比产品成本降低率=(可比产品按上年实际(单位成本计算总成本(−¿可比产品)实际总成品¿)÷可比产品按上年实际单位成本计算总成本×100%(4)百元制造成本质量成本。百元制造成本质量成本=质量成本÷制造成本×100%(5)产品收率。产品收率=实际产量÷理论产量×100%相关说明编制人员审核人员批准人员编制日期审核日期批准日期生产类考核/生产计划管理考核/考核方法名称生产类考核/生产计划管理考核/考核方法编码版本页次1/6修改状态1.生产计划部考核分值表考核对象:生产计划部考核时间:指标类别指标分值实际得分备注定性指标(1)参与销售计划制定情况2.(2)年、月、周生产计划制定质量情况10(3)生产与销售的协调工作质量情况2.(4)订单登记与安排情况2.(5)产能负荷分析工作组织情况5(6)产能余缺协调情况2.(7)生产计划的分解、落实与下达情况10(8)生产日程安排与协调情况5定量指标(1)存货周转率30(2)全员劳动生产率20(3)目标成本实现率10合计100参考评分方法(1)定性指标。1)“参与销售计划制定情况”:优秀2.5分,良好1.7分,一般0.9分,差0分。2)“年、月、周生产计划制定质量情况”:优秀10分,良好6分,一般2分,差0分。3)“生产与销售的协调工作质量情况”:优秀2.5分,良好1.7分,一般0.9分,差0分。4)“订单登记与安排情况”:优秀2.5分,良好1.7分,一般0.9分,差0分。5)“产能负荷分析工作组织情况”:优秀5分,良好3分,一般1分,差0分。6)“产能余缺协调情况”:优秀2.5分,良好1.7分,一般0.9分,差0分。7)“生产计划的分解、落实与下达情况”:优秀10分,良好6分,一般2分,差0分。相关说明编制人员审核人员批准人员编制日期审核日期批准日期(续)名称生产类考核/生产计划管理考核/考核方法编码版本页次2/6修改状态8)“生产日程安排与协调情况”:优秀5分,良好3分,一般1分,差0分。(2)定量指标。1)“存货周转率”:以历史最佳水平为基数,达到历史最佳水平给25分;每超过历史最佳水平1%则在25分基础上加1分,30分为上限;每低于历史最佳水平1%则扣1分,扣完为止。2)“全员劳动生产率”:以历史最佳水平为基数,达到历史最佳水平给15分;每超过历史最佳水平1%则在15分基础上加1分,20分为上限;每低于历史最佳水平1%则扣1分,扣完为止。3)“目标成本实现率”:以计划水平为基数,达到计划水平给6分;每低于计划水平1%则在6分基础上加1分,10分为上限;每高于计划水平1%则扣1分,扣完为止。2.技术开发部考核分值表考核对象:生产计划部考核时间:指标类指标分值实际得分备注别定性指标(1)参与生产计划制定的情况10(2)产品设计计划及日程制定、实施与控制质量情...

1、当您付费下载文档后,您只拥有了使用权限,并不意味着购买了版权,文档只能用于自身使用,不得用于其他商业用途(如 [转卖]进行直接盈利或[编辑后售卖]进行间接盈利)。
2、本站所有内容均由合作方或网友上传,本站不对文档的完整性、权威性及其观点立场正确性做任何保证或承诺!文档内容仅供研究参考,付费前请自行鉴别。
3、如文档内容存在违规,或者侵犯商业秘密、侵犯著作权等,请点击“违规举报”。

碎片内容

绩效考评指标及运用范本4生产类考核

您可能关注的文档

确认删除?
VIP
微信客服
  • 扫码咨询
会员Q群
  • 会员专属群点击这里加入QQ群
客服邮箱
回到顶部