电脑桌面
添加小米粒文库到电脑桌面
安装后可以在桌面快捷访问

化验员A岗(理化检测)岗位说明书VIP免费

化验员A岗(理化检测)岗位说明书_第1页
1/2
化验员A岗(理化检测)岗位说明书_第2页
2/2
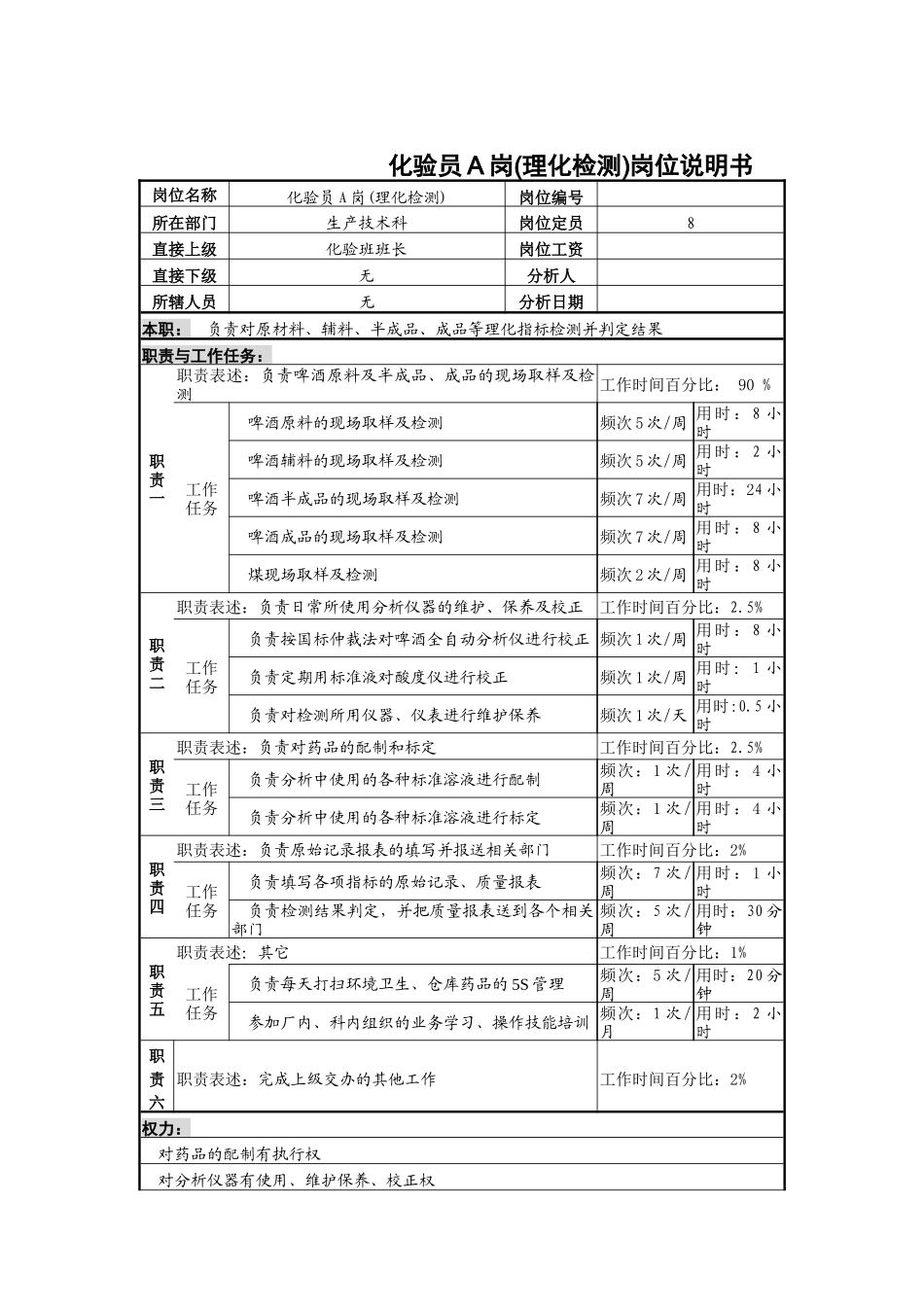
化验员A岗(理化检测)岗位说明书岗位名称化验员A岗(理化检测)岗位编号所在部门生产技术科岗位定员8直接上级化验班班长岗位工资直接下级无分析人所辖人员无分析日期本职:负责对原材料、辅料、半成品、成品等理化指标检测并判定结果职责与工作任务:职责一职责表述:负责啤酒原料及半成品、成品的现场取样及检测工作时间百分比:90%工作任务啤酒原料的现场取样及检测频次5次/周用时:8小时啤酒辅料的现场取样及检测频次5次/周用时:2小时啤酒半成品的现场取样及检测频次7次/周用时:24小时啤酒成品的现场取样及检测频次7次/周用时:8小时煤现场取样及检测频次2次/周用时:8小时职责二职责表述:负责日常所使用分析仪器的维护、保养及校正工作时间百分比:2.5%工作任务负责按国标仲裁法对啤酒全自动分析仪进行校正频次1次/周用时:8小时负责定期用标准液对酸度仪进行校正频次1次/周用时:1小时负责对检测所用仪器、仪表进行维护保养频次1次/天用时:0.5小时职责三职责表述:负责对药品的配制和标定工作时间百分比:2.5%工作任务负责分析中使用的各种标准溶液进行配制频次:1次/周用时:4小时负责分析中使用的各种标准溶液进行标定频次:1次/周用时:4小时职责四职责表述:负责原始记录报表的填写并报送相关部门工作时间百分比:2%工作任务负责填写各项指标的原始记录、质量报表频次:7次/周用时:1小时负责检测结果判定,并把质量报表送到各个相关部门频次:5次/周用时:30分钟职责五职责表述:其它工作时间百分比:1%工作任务负责每天打扫环境卫生、仓库药品的5S管理频次:5次/周用时:20分钟参加厂内、科内组织的业务学习、操作技能培训频次:1次/月用时:2小时职责六职责表述:完成上级交办的其他工作工作时间百分比:2%权力:对药品的配制有执行权对分析仪器有使用、维护保养、校正权对产品按规定取样和检验权对检验数据有判定上报权对5S管理工作有执行权,有参加培训权对领导工作任务有完成权考核指标:药品配制标定误差达到国标要求检测仪器正常运行率达到98%检测项目和频率按《质量检验计划》完成率100%,报表报送及时报表的真实性,准确率为100%技术培训合格率100%达到领导满意工作协作关系:内部协调关系包装车间、酿造车间、生产科、物资科外部协调关系无任职资格:教育水平高中或相当于高中以上专业无特别要求工作经验有一年以上工作经验能力要求语言文字表达能力、协调能力、时间管理和操作能力。个性特征稳重、细心和责任心强,有创新思维生理特征有卫生防疫部门颁发的健康证所需培训啤酒专业知识和化验技能等培训,培训时间为三个月工作特点:工作场所办公区、车间工作方式以站立、走动操作为主工作时间特征二班工作制,经常需要加班或延时,生产旺季时需三班工作制工作环境一般体力精力消耗精力集中度高、工作紧张劳动保护无使用工具/设备计算器、电话、分析仪器所需记录文档日志、原始记录、报表、校正记录、标定记录等备注:

1、当您付费下载文档后,您只拥有了使用权限,并不意味着购买了版权,文档只能用于自身使用,不得用于其他商业用途(如 [转卖]进行直接盈利或[编辑后售卖]进行间接盈利)。
2、本站所有内容均由合作方或网友上传,本站不对文档的完整性、权威性及其观点立场正确性做任何保证或承诺!文档内容仅供研究参考,付费前请自行鉴别。
3、如文档内容存在违规,或者侵犯商业秘密、侵犯著作权等,请点击“违规举报”。

碎片内容

化验员A岗(理化检测)岗位说明书

您可能关注的文档

墨香书阁+ 关注
实名认证
内容提供者

热爱教学事业,对互联网知识分享很感兴趣

确认删除?
VIP
微信客服
  • 扫码咨询
会员Q群
  • 会员专属群点击这里加入QQ群
客服邮箱
回到顶部