电脑桌面
添加小米粒文库到电脑桌面
安装后可以在桌面快捷访问

玩具物料编码(1)VIP免费

玩具物料编码(1)_第1页
1/30
玩具物料编码(1)_第2页
2/30
玩具物料编码(1)_第3页
3/30
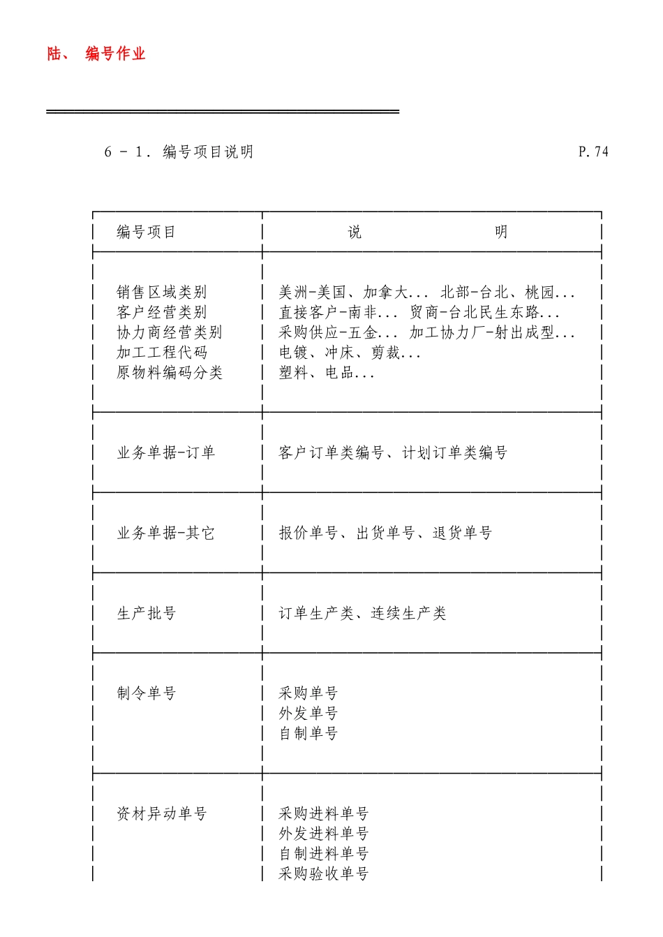
陆、编号作业══════════════════════════════════════6-1.编号项目说明P.74┌──────────┬─────────────────────┐│编号项目│说明│├──────────┼─────────────────────┤││││销售区域类别│美洲-美国、加拿大...北部-台北、桃园...││客户经营类别│直接客户-南非...贸商-台北民生东路...││协力商经营类别│采购供应-五金...加工协力厂-射出成型...││加工工程代码│电镀、冲床、剪裁...││原物料编码分类│塑料、电品...││││├──────────┼─────────────────────┤││││业务单据-订单│客户订单类编号、计划订单类编号││││├──────────┼─────────────────────┤││││业务单据-其它│报价单号、出货单号、退货单号││││├──────────┼─────────────────────┤││││生产批号│订单生产类、连续生产类││││├──────────┼─────────────────────┤││││制令单号│采购单号│││外发单号│││自制单号││││├──────────┼─────────────────────┤││││资材异动单号│采购进料单号│││外发进料单号│││自制进料单号│││采购验收单号│││外发验收单号│││自制缴库单号│││验收退料单号│││发料单号│││耗、还料单号│││移转单号│││报销单号││││├──────────┼─────────────────────┤││││文件识别代码│一般书信类、公司规章类、公告类...││││└──────────┴─────────────────────┘──────────────────────────────────────陆、编号作业══════════════════════════════════════6-2.窗体编号原则P.075XYNNNNN《单据别》│││││└───流水号╭══════════════════╮││║║│└─────年度别║║│║L生产批号X连续性生产批号║└───────单据别║║║║║Q报价单S客户订单║║P计划生产订单║║║║P采购单A采购进料单║║C采购验收单║║║║T外发单B外发进料单║║D外发验收单║║║║U自制单h自制进料单║║H自制缴库单║║║║E退料单║║║║F领料单G耗、还料单║║║║J移转单║║║║K报销单║║║║M发货单R退货单║║║║║╰══════════════════╯──────────────────────────────────────陆、编号作业══════════════════════════════════════6-3.客户分类对照表实例P.0766-3-1.以国贸为主之海外生产基地工厂┌──────┬──┬──────────┬──┬──────────┐│分类项目│代码│说明│代码│说明│├──────┼──┼──────────┼──┼──────────┤│客户经营类别│000│内销商││││├──┼──────────┼──┼──────────┤│BUYTYPE│110│直接外销-美加│120│直接外销-英国│││121│直接外销-法国│122│直接外销-德国│││123│直接外销-意大利│124│直接外销-西班牙│││129│直接外销-欧洲其它│130│直接外销-日本│││140│直接外销-中东│150│直接外销-中南美│││160│直接外销-东南亚│190│直接外销-其它││├──┼──────────┼──┼──────────┤││210│贸商-中山南北路│211│贸商-松江路│││212│贸商-南京东西路│213│贸商-长安东西路│││214│贸商-忠孝东西路│215│贸商-仁爱路│││216│贸商-信义路│219│贸商-其它│││220│港商│││├──────┼──┼──────────┼──┼──────────┤│业务销售区域│000│内销│...

1、当您付费下载文档后,您只拥有了使用权限,并不意味着购买了版权,文档只能用于自身使用,不得用于其他商业用途(如 [转卖]进行直接盈利或[编辑后售卖]进行间接盈利)。
2、本站所有内容均由合作方或网友上传,本站不对文档的完整性、权威性及其观点立场正确性做任何保证或承诺!文档内容仅供研究参考,付费前请自行鉴别。
3、如文档内容存在违规,或者侵犯商业秘密、侵犯著作权等,请点击“违规举报”。

碎片内容

玩具物料编码(1)

您可能关注的文档

确认删除?
VIP
微信客服
  • 扫码咨询
会员Q群
  • 会员专属群点击这里加入QQ群
客服邮箱
回到顶部