电脑桌面
添加小米粒文库到电脑桌面
安装后可以在桌面快捷访问

车间空调净化系统验证报告VIP免费

车间空调净化系统验证报告_第1页
1/57
车间空调净化系统验证报告_第2页
2/57
车间空调净化系统验证报告_第3页
3/57
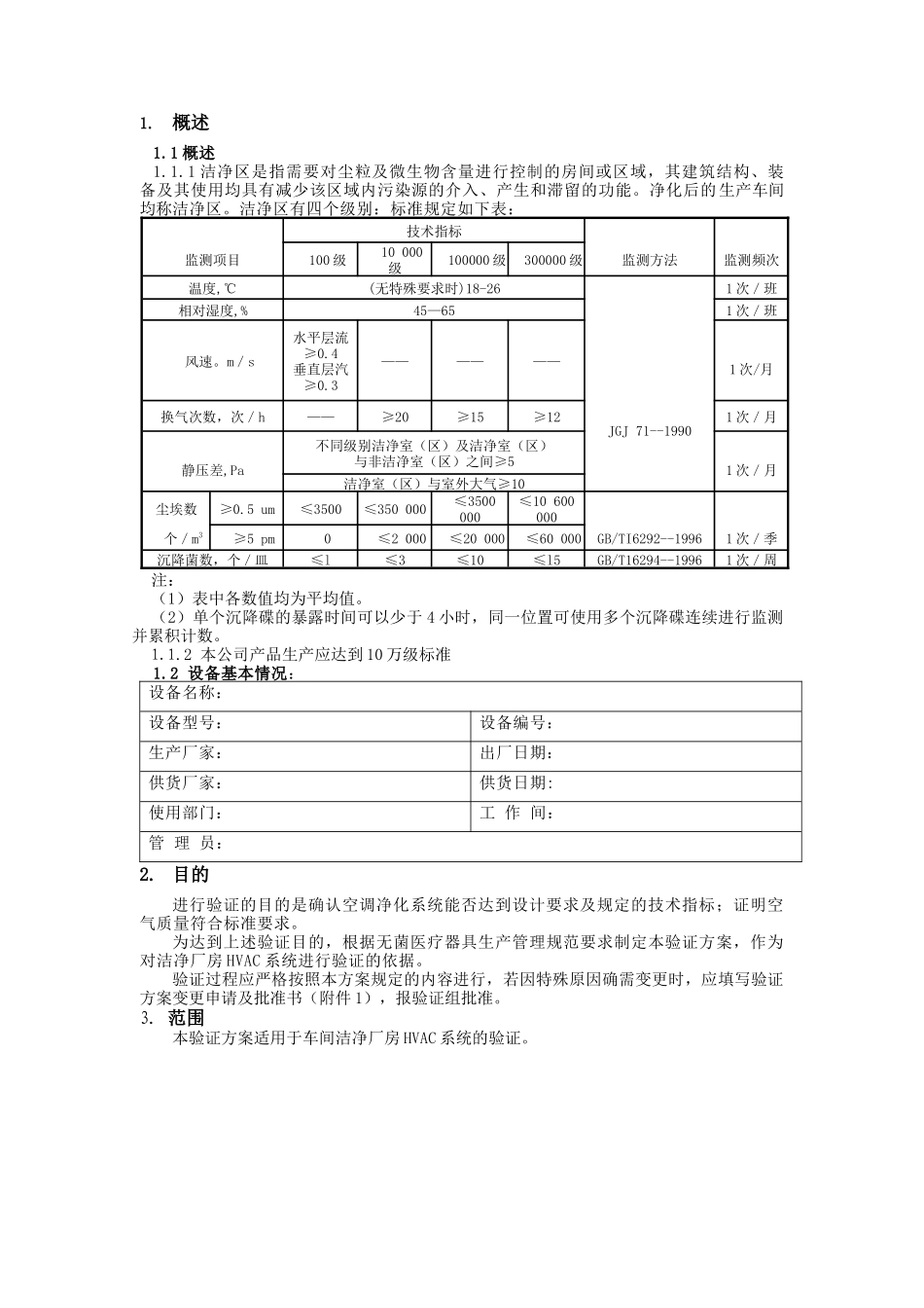
车间空气净化系统验证报告验证报告编号:起草人:日期:年月日审核人:日期:年月日批准人:日期:年月日目录1概述2目的3范围4职责5验证内容5.1预确认5.2验证用仪器仪表的校验5.3安装确认5.4HVAC系统的运行确认5.5性能确认6异常情况处理程序7拟订日常监测程序及验证周期8验证结果评定与结论9附件1.概述1.1概述1.1.1洁净区是指需要对尘粒及微生物含量进行控制的房间或区域,其建筑结构、装备及其使用均具有减少该区域内污染源的介入、产生和滞留的功能。净化后的生产车间均称洁净区。洁净区有四个级别:标准规定如下表:技术指标监测项目100级10000级100000级300000级监测方法监测频次温度,℃(无特殊要求时)18-261次/班相对湿度,%45—651次/班风速。m/s水平层流≥0.4垂直层汽≥0.3——————JGJ71--19901次/月换气次数,次/h——≥20≥15≥121次/月静压差,Pa不同级别洁净室(区)及洁净室(区)与非洁净室(区)之间≥51次/月洁净室(区)与室外大气≥10尘埃数≥0.5um≤3500≤350000≤3500000≤10600000个/m3≥5pm0≤2000≤20000≤60000GB/TI6292--19961次/季沉降菌数,个/皿≤l≤3≤10≤l5GB/T16294--19961次/周注:(1)表中各数值均为平均值。(2)单个沉降碟的暴露时间可以少于4小时,同一位置可使用多个沉降碟连续进行监测并累积计数。1.1.2本公司产品生产应达到10万级标准1.2设备基本情况:设备名称:设备型号:设备编号:生产厂家:出厂日期:供货厂家:供货日期:使用部门:工作间:管理员:2.目的进行验证的目的是确认空调净化系统能否达到设计要求及规定的技术指标;证明空气质量符合标准要求。为达到上述验证目的,根据无菌医疗器具生产管理规范要求制定本验证方案,作为对洁净厂房HVAC系统进行验证的依据。验证过程应严格按照本方案规定的内容进行,若因特殊原因确需变更时,应填写验证方案变更申请及批准书(附件1),报验证组批准。3.范围本验证方案适用于车间洁净厂房HVAC系统的验证。4.验证组成员及职责4.1验证组成员姓名职务部门组长组员组员组员组员组员组员组员组员组员4.2验证组职责1.负责验证方案的批准。2.负责验证的协调工作,以保证本验证方案规定项目的顺利实施。3.负责验证数据及结果的审核。4.负责验证报告的审批。5.负责发放验证证书。6.负责HVAC系统日常监测项目及验证周期的确认。4.3生产部1.负责制定验证方案。2.负责验证的实施。3.负责建立设备档案。4.负责仪器、仪表的校正。5.负责拟订HVAC系统日常监测项目及验证周期。6.负责收集各项验证、试验记录,报验证组。7.负责起草HVAC系统操作、清洁、维护保养的标准操作程序。8.负责HVAC系统的操作、清洗和维护保养。4.4质量部1.负责验证方案的审核。2.负责各种理化检验、微生物检验的准备、取样及测试工作。3.负责根据检验结果出具检验报告单。4.5生产技术部1.负责洁净厂房的清洁、消毒。2.负责配合生产部完成验证工作。3.验证内容3.1预确认生产部负责HVAC系统的选型、论证等组织工作,确定HVAC系统的整体选型方案的可行性。生产部设计HVAC系统原理图,标明所有设备、部件、控制和监测仪表、阀门,并编号备查。对系统的特性指标和功能的完整说明,包括系统的设计建造、运行和监测控制等情况。系统中所采用的设备以及其它部件的详细规格说明等。对空气净化调节系统有重大影响的关键部位的工艺参数。确定安装确认和运行确认的程序。上述设计及技术参数经生产部、生产技术部、质量部论证、审核,并报验证组批准后,作为HVAC系统设计的依据,应严格遵守。系统设计过程中,若发生任何变更或偏差,均应报验证组审核批准。3.2验证用仪器仪表的校验在HVAC系统的测试、调整及监控过程中,需要对空气的状态参数和冷、热媒的物理参数、空调设备的性能、房间的洁净度等进行大量的测定工作,将测得的数据与设计数据进行比较、判断,这些物理参数的测定需要通过准确可靠的仪表及仪器来完成。为保证测量数据的准确可靠,必须对仪器、仪表进行校验。安装在设施、设备上的仪器、仪表以及本厂负责进行监测的项目所需仪器、仪表必须进行校验,委托外单位进行监测的项目所需仪器仪表应由监测单位负责...

1、当您付费下载文档后,您只拥有了使用权限,并不意味着购买了版权,文档只能用于自身使用,不得用于其他商业用途(如 [转卖]进行直接盈利或[编辑后售卖]进行间接盈利)。
2、本站所有内容均由合作方或网友上传,本站不对文档的完整性、权威性及其观点立场正确性做任何保证或承诺!文档内容仅供研究参考,付费前请自行鉴别。
3、如文档内容存在违规,或者侵犯商业秘密、侵犯著作权等,请点击“违规举报”。

碎片内容

车间空调净化系统验证报告

您可能关注的文档

确认删除?
VIP
微信客服
  • 扫码咨询
会员Q群
  • 会员专属群点击这里加入QQ群
客服邮箱
回到顶部